





Expert Support
Full Speed
100% Working
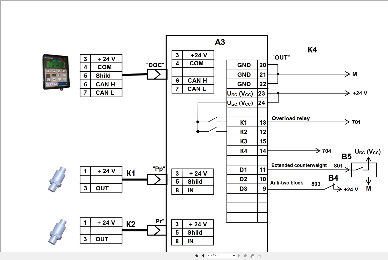
Liebherr Safe Load Limiter OHK-160C-30 Operating Manual
15 USD
- Description
Description
Contents:
1 Description Of The Limiter And It
Operation Principle
1.1 Destination
1.2 Specifications
1.3 The Limiter Composition
1.4 The Limiter Arrangement And
Operation
1.5 Marking And Sealing
2 Description And Principle Of
Of The Limiter
2.1 Display And Operating Console
2.2 The Crane Installation Controller
2.3 The Jib Point Controller
2.4 Pressure Sensors
2.5 Digital Pendulum Angle Transducer
3 Safety Precautions
4 The Limiter Mounting
4.1 General Instructions
4.2 Doc Installation
4.3 Ps Installation
4.4 Dpat Installation
4.5 Cic Installation
4.6 Jpc Installation
4.7 The Limiter Connection To The
Electric
5 Adjustment
5.1 General
5.2 Checking Of The Limiter Binary Inputs Connections
5.3 Entering Of The Date And Time, The
Serial Number And The Year Of Its Production
5.4 Resetting The Adjustment Data Memory
Selection SLL Configuration
5.5 Adjustment Of Transducers
5.5.1 Pipelayer Configuration Selection
5.5.2 Setting Of The Dpt Address
5.5.3 The Ps Signal Offset Correction
5.5.4 The Slope Sensor Adjustment
5.5.5 The Outreach Adjustment
5.5.6 The Actual Load Measuring Adjustment
5.6 Entering The Pipelayer Logger
Initialization
5.7 Adjustment Of The Audio Signal Tone And
Doc Temperature
5.8 Exit The Adjustment Mode
6 Complex Check
7 Operation
7.1 Operating Limitations (Safety Precautions)
7.2 The Limiter Preparation For Operation
7.3 The Limiter Operation
7.3.1 The Limiter Switching On
7.3.2 The Pipelayer Operating Mode Monitoring A Setting
7.3.3 Peculiarities Of The SLL Operation
7.3.4 The Crane Utilization Data Readout
7.3.5 Time Correction
7.4 The SLL Trouble-Shooting
8 Maintenance
8.1 General
8.2 Types Of Maintenance
8.3 The Routine Maintenance Procedure
9 Packing, Storage And Transportation
REGULATIONS
Appendix Ð The ОÐК-160С-30 Modes of Operation on the Cranes
Appendix B Diagrams of the ОÐК-160С-30 Connection to the Cranes
Related Products
-
Liebherr Wheeled and Crawler Excavators Updated 03.2022 Service Manuals DVD PDF
0 out of 5Liebherr Wheeled and Crawler Excavators 48.3GB Updated 03.2022 Service Manuals DVD PDFSize: 48.3 GB (PDF Files)Format: PDFLanguage: EN, DEBrand: LiebherrDate Updated: 03.2022OS: All Windows 32 & 64bitType of Vehicle: Wheeled and Crawler ExcavatorsType of Document: Service ManualsHigh-Speed Link Download DETAIL CONTENTS: “CLICK HERE“800400 USDHot-50%
REALEASE :
02.03.2022
REALEASE :
02.03.2022
-
Liebherr Mobile Crawler Cranes PDF Spare Parts List DVD
0 out of 5Liebherr Mobile & Crawler Cranes 1.24 GB PDF Spare Parts Catalog DVDSize: 1.24 GBFormat: PDF, winrarBrand: LiebherrLanguages: English, Deutsch, Spanish, Russian, French, PortugueseType of Machine: Mobile Crane, Crawler Crane, Rough Terrain Crane, Tower CraneType of Document: Spare Parts CatalogsNumber of DVD: 1 DVDOS: Windows Vista, XP, 7, 8.1, 8, 10, MacOSHigh-Speed DownloadDETAIL CONTENTS: “CLICK HERE“200140 USDHot-30%
REALEASE :
29.03.2022
REALEASE :
29.03.2022
-
Liebherr Wheel Loader Updated 03.2022 Full Service Manuals DVD PDF
0 out of 5Liebherr Wheel Loader 24.29GB Updated 03.2022 Full Service Manuals DVD PDFSize: 24.29 GB (PDF Files)Type of Vehicle: Wheel LoadersType of Document: Service ManualsFormat: PDFLanguage: EN, ZH, DEBrand: LiebherrDate Updated: 03.2022OS: All Windows 32 & 64 bitHigh-Speed Link DownloadDETAIL CONTENTS: “CLICK HERE“700400 USDHot-43%
REALEASE :
02.03.2022
REALEASE :
02.03.2022
-
Liebherr Mining Excavators 84.88Gb PDF Updated 01.2022 Service Manuals DVD
0 out of 5USDLiebherr Mining Excavators 84.88Gb PDF Updated 01.2022 Service Manuals DVDSize: 84.88 Gb (PDF Files)Type of vehicle: Mining ExcavatorsType of manual: Service ManualLanguage: EnglishBrand: LiebherrFormat: PDFUpdate: 01.2022OS: All WindowsAmount of DVD: 1 DVDREALEASE :
01.13.2022
-
Liebherr Crawler Crane with Telescopic Boom LTR 1100 100 Ton Operator Manual Diagnostics LICCON Wiring Diagram
0 out of 5Liebherr Crawler Crane with Telescopic Boom LTR 1100 100 Ton Operator Manual, Diagnostics LICCON & Wiring Diagram Size: 734 Mb Language: English_EN Format: PDF Model: LTR 1100 Capacity: 100 Ton SN: Z97542 Diesel Engine: D944 A7 DETAIL CONTENTS: “CLICK HERE“400160 USDHot-60%
REALEASE :
23.03.2022
REALEASE :
23.03.2022
-
Liebherr Crane LTM 1800 Service Manual Operators Manual Schematic
0 out of 5They are PDF Service Manual Operators Manual Schematic Manual, You need to use these to repair your vehicle.300180 USDHot-40%
REALEASE :
16.09.2022
REALEASE :
16.09.2022
-
Liebherr Crane HS HSG Operating Manual Spare Parts List Technical Information PDF DVD
0 out of 5Liebherr Crane HS HSG Operating Manual Spare Parts Catalogue Technical Information DVD Size: 2.17 GB Fomat: PDF Language: EN,DE Brand: Liebherr Type of machine: Liebherr Crawler Crane Window: All Win 32 and 64 Bit, Mac OS Type of document: Liebherr Crane HS Operating Manual Liebherr Crane HS Spare Parts Catalogue Liebherr Crane HS Technical information Liebherr Crane HS Electrical Circuit Diagram Liebherr Crane HS Hydraulic Circuit Diagram1,500600 USDHot-60%
REALEASE :
04.07.2022
REALEASE :
04.07.2022
-
LIEBHERR LTM 1095-5.1 95 Ton Operator Manual Diagnostics LICCON Wiring Schematic PDF
0 out of 5LIEBHERR LTM 1095-5.1 95 Ton Operator Manual, Diagnostics LICCON & Wiring DiagramSize: 77.3 MBFormat: PDFlanguage: EnglishBrand: LiebherrType of machine: Mobile CraneType of document:Model: LIEBHERR LTM 1095-5.1DETAIL CONTENTS: “CLICK HERE“20060 USDHot-70%
REALEASE :
25.03.2022
REALEASE :
25.03.2022


