Expert Support
Full Speed
100% Working
Link Belt Crane HTC-8660 Service Manual
30 USD
- Description
Description
Contents:
AREA 00 GENERAL INFORMATION
SM00- 000- 000.00 How To Use This Manual, General Service Instructions And Safety Procedures
AREA 01 RUBBER TIRE LOWER
SM01- 001- 005.00 Boom Rest, R & I
SM01- 002- 012.00 Front Axle, Recondition
SM01- 002- 015.00 Front Wheel & Brake Drum, R & I
SM01- 003- 010.00 Brakes, Recondition (Eaton EB & ES Type)
SM01- 003- 014.00 Adjusting The Brakes (Eaton EB,ES & Rockwell “P,Q,T” Series)
SM01- 003- 019.00 Automatic Slack Adjusters (Eaton)
SM01- 004- 009.00 Front Axle & Suspension, R & I
SM01- 005- 003.00 Steering Gear, Recondition (Master)
SM01- 005- 004.00 Steering Gear, Recondition (Slave)
SM01- 005- 005.00 Miter Box, R & I
SM01- 005- 010.00 Steering Drive Shafts, Recondition
SM01- 005- 013.00 Steering Column, R & I
SM01- 005- 015.00 Steering Column, Recondition
SM01- 006- 022.00 Steering Gears, R & I
SM01- 006- 023.00 Front Wheel Alignment & Steering Linkage Adjustment
Relief Plunger Adjustment
Axle Stop Adjustment
SM01- 010- 017.00 Power Steering Pump, R & I
SM01- 010- 025.00 Power Steering Pump, Recondition
SM01- 016- 001.00 Heater Core, R & I (w/o Carrier Cab Air Conditioning)
SM01- 016- 002.00 Heater Core & A/C Coil, R & I (w/Carrier Cab Air Conditioning)
SM01- 017- 008.00 Clutch, R & I And Recondition
SM01- 018- 041.00 Transmission, Recondition (Eaton)
SM01- 018- 042.00 Transmission, R & I
SM01- 019- 011.00 Transmission Slave Control, R & I
SM01- 019- 014.00 Transmission Air Shift Control, Recondition
SM01- 019- 020.00 Transmission Shift Cable Adjustment
SM01- 019- 024.00 Transmission Master Control, R & I
SM01- 020- 002.00 Suspended Brake Pedal, Recondition
SM01- 020- 005.00 Suspended Brake Pedal, R & I (Generation 1)
SM01- 020- 008.00 Suspended Brake Pedal, R & I (Generation 2)
SM01- 022- 005.00 U- Joint Installation – Full Round Yokes
SM01- 024- 005.00 Rear- Rear Axle, Recondition (Rockwell)
SM01- 024- 009.00 Front- Rear Axle, Recondition (Rockwell)
SM01- 024- 010.00 Rear Axles, Recondition (Eaton RS520/DS520 Model Series)
SM01- 025- 008.00 Brakes, Recondition (Rockwell “P,Q & T Series”)
SM01- 025- 009.00 Automatic Slack Adjusters, Recondition (Rockwell Rear Brakes)
SM01- 027- 026.00 Caging Dual Air Brake Chambers
SM01- 027- 028.00 Front Air Brake Chamber, Recondition
SM01- 027- 029.00 Rear Dual Air Brake Chamber, Recondition
SM01- 027- 056.00 Air Dryer, R & I (Horton)
SM01- 027- 057.00 Air Dryer, Recondition (Horton)
SM01- 027- 061.00 Spring Brake Valve, Recondition
SM01- 027- 062.00 Air Dryer, R & I (Bendix)
SM01- 027- 063.00 Air Dryer, Recondition (Bendix)
SM01- 027- 078.00 Air System Components, R & I (Generation 1)
SM01- 027- 079.00 Air System Schematic Diagram (Generation 1)
SM01- 027- 080.00 Air System Schematic Diagram (Generation 2)
SM01- 027- 081.00 Air System Schematic Diagram (Generation 3)
SM01- 027- 087.00 Air System Schematic Diagram (Generation 4)
SM01- 027- 091.00 Front Air Brake Chamber, R & I
SM01- 027- 092.00 Rear Dual Air Brake Chamber, R & I
SM01- 027- 095.00 Air System Components, R & I (Generation 2 – w/Rear Air Suspension)
SM01- 027- 096.00 Air System Schematic Diagram (Generation 5)
SM01- 028- 002.00 Rear Wheel Hub & Brake Drum, R & I
SM01- 029- 012.00 Rear Axles & Suspension, R & I (Rockwell)
SM01- 029- 016.00 Rear Axles & Suspension, R & I (Eaton)
SM01- 029- 019.00 Rear Axles & Air Suspension, R & I (Eaton)
SM01- 029- 021.00 Suspension Lift Cylinder, Recondition
SM01- 029- 022.00 Suspension Lift Cylinder, R & I
SM01- 039- 002.00 Vacuum Pressure Relief Valve, Recondition
SM01- 039- 003.00 Hydraulic System Cleaning Procedure
SM01- 039- 004.00 Hydraulic Reservoir Filter Assembly, R & I
SM01- 039- 005.00 Hydraulic Reservoir Filter Assembly, Recondition
SM01- 043- 001.00 Solenoid Valves, General Recondition
SM01- 043- 003.00 Outrigger Solenoid Valve Stack, Recondition (Function)
SM01- 043- 004.00 Four Way Solenoid Valve, Recondition (Outrigger Directional)
SM01- 043- 010.00 Outrigger Function Valve Stack, R & I
SM01- 043- 018.00 Outrigger Directional Valve, R & I
SM01- 043- 035.00 Four Way Directional Solenoid Valve, Recondition (Fifth Outrigger)
SM01- 044- 007.00 Lock Valve, Recondition
SM01- 044- 008.00 Jack Cylinder Lock Valve, R & I (Main Outriggers)
SM01- 044- 017.00 Fifth Outrigger Lock Valve, R & I
SM01- 044- 023.00 Outrigger Lock Valve Cartridge, R & I (Jack Cylinder w/Integral Lock Valve)
SM01- 045- 014.00 Outrigger Beam Cylinder, Recondition
SM01- 045- 040.00 Outrigger Beam & Beam Cylinder, R & I
SM01- 046- 016.00 Jack Cylinder, Recondition
SM01- 046- 028.00 Jack Cylinder, R & I
SM01- 046- 033.00 Fifth Outrigger Jack Cylinder, R & I (Generation 1)
SM01- 046- 034.00 Jack Cylinder, Recondition (Fifth Outrigger)
SM01- 046- 041.00 Fifth Outrigger Jack Cylinder, R & I (Generation 2)
SM01- 047- 011.00 Relief Valve, Recondition (Outriggers – Generation 1)
SM01- 047- 034.00 Relief Valve, Recondition (Outriggers – Generation 2)
SM01- 048- 015.00 Rotating Joint, R & I
SM01- 048- 017.00 Rotating Joint, Recondition (Generation 1)
SM01- 048- 022.00 Rotating Joint, Recondition (Generation 2)
SM01- 063- 086.00 Starter, R & I
SM01- 063- 087.00 Alternator, R & I
SM01- 063- 088.00 Radiator, R & I (Generation 1 – w/Engine Mounted Fan)
SM01- 063- 091.00 Radiator Fan Clutch, R & I
SM01- 063- 092.00 Radiator Fan Clutch, Recondition
SM01- 063- 093.00 Torque Limit Switch Check, Adjustment, & Troubleshooting
SM01- 063- 105.00 Radiator, R & I (Generation 2 – w/Hydraulic Fan Motor)
SM01- 069- 009.00 Tires & Rims, R & I
SM01- 071- 003.00 Engine Housing, R & I
SM01- 071- 004.00 Repair Of Components Made Of Fibrous Composite Materials
SM01- 073- 001.00 Electronic Gauge, Troubleshooting (Generation 1 – AMETEK/Dixson)
SM01- 073- 002.00 Electronic Gauge, Troubleshooting (Generation 2 – AMETEK/Dixson)
SM01- 076- 020.00 Collector Ring, R & I
SM01- 076- 021.00 Collector Ring, Recondition (Generation 1)
SM01- 076- 024.00 Collector Ring, Recondition (Generation 2)
SM01- 076- 029.00 Collector Ring, Recondition (Generation 3)
SM01- 076- 038.00 Collector Ring, Recondition (Generation 4)
SM01- 079- 010.00 Lower Hydraulic Components, R & I (Generation 1 – w/o Rear Air Suspension)
SM01- 079- 014.00 Lower Hydraulic Components, R & I (Generation 2)
SM01- 079- 021.00 Lower Hydraulic Components, R & I (Generation 3)
SM01- 079- 027.00 Lower Hydraulic Components, R & I (Generation 4)
SM01- 079- 028.00 Lower Hydraulic Components, R & I (Gen 5 – w/Hydraulic Radiator Fan Motor)
SM01- 080- 033.00 Pump Disconnect, R & I (Generation 1)
SM01- 080- 034.00 Pump Disconnect, Recondition (Generation 1)
SM01- 080- 035.00 Main Hydraulic Pump, R & I (Generation 1)
SM01- 080- 038.00 Main Hydraulic Pump, R & I (Generation 2)
SM01- 080- 039.00 Pump Disconnect, R & I (Generation 2)
SM01- 080- 040.00 Pump Disconnect, Recondition (Generation 2)
SM01- 080- 046.00 Pump Drive, Recondition (Durst)
SM01- 080- 047.00 Pump Drive, R & I (Durst)
SM01- 081- 014.00 Hydraulic Pump, Recondition (Multi Section Commercial- Intertech)
SM01- 081- 029.00 Radiator Fan Pump, R & I
SM01- 081- 030.00 Main Hydraulic Pump, R & I (Generation 3 – w/Durst Pump Drive)
SM01- 081- 036.00 Radiator Fan Motor, Recondition
SM01- 081- 045.00 Radiator Fan Motor, R & I
SM01- 083- 008.00 Pressure Compensating Pump, R & I
SM01- 083- 009.00 Pressure Compensating Pump, Recondition
SM01- 085- 002.00 Engine Preheater, R & I
SM01- 085- 004.00 Engine Preheater, Recondition
AREA 03 UPPER REVOLVING FRAME
SM03- 001- 064.00 Upper Revolving Frame & Turntable Bearing, R & I
SM03- 010- 024.00 Counterweight Removal Cylinder, R & I
SM03- 010- 025.00 Counterweight Removal Cylinder, Recondition
AREA 04 VERTICAL SHAFTS
SM04- 005- 017.00 Brake Caliper, Recondition (Mechanical Application)
SM04- 005- 023.00 Swing Brake Caliper, Recondition (Hydraulic Application)
SM04- 005- 024.00 Swing Brake, R & I (Caliper Type)
SM04- 005- 026.00 Swing Service Brake Caliper, R & I
SM04- 005- 027.00 Swing Park Brake Caliper, R & I
SM04- 005- 028.00 Swing Park Brake Caliper, Recondition
SM04- 010- 010.00 Swing Speed Reducer, Recondition (w/Caliper Type Swing Brake)
SM04- 010- 023.00 Swing Reduction Unit, R & I
AREA 05 HORIZONTAL SHAFTS
SM05- 006- 015.00 Winch, R & I (Generation 1 – w/Braden CH150A, 175A, 185A, CH230)
SM05- 006- 021.00 Winch, Troubleshooting (Generation 1 – w/Braden CH150A, 175A, 185A, CH230)
SM05- 006- 022.00 Winch, Recondition (Generation 1 – w/Braden CH150A, 175A, 185A, CH230)
SM05- 006- 025.00 Winch, Recondition (Generation 2 – w/Braden CH210)
SM05- 006- 026.00 Winch, Troubleshooting (Generation 2 – w/Braden CH210)
SM05- 006- 030.00 Winch, R & I (Generation 2 – w/Braden CH210)
SM05- 010- 007.00 Drum Rotation Indicator, R & I And Troubleshooting
SM05- 018- 002.00 Winch Roller, Recondition (Steel Roller)
SM05- 018- 003.00 Winch Roller, Recondition (Nylon Roller)
AREA 06 UPPER ENGINE
SM06- 008- 009.00 Throttle Treadle Assembly, R & I
SM06- 008- 010.00 Throttle Treadle Assembly, Recondition
SM06- 025- 004.00 Diesel Cab Heater, R & I
SM06- 025- 005.00 Diesel Cab Heater, Recondition & Troubleshooting
SM06- 025- 007.00 Hydraulic Cab Heater, R & I (Floor Mounted)
SM06- 025- 008.00 Hydraulic Cab Heater, Recondition (Floor Mounted)
SM06- 025- 009.00 Hydraulic Heater – Troubleshooting
SM06- 025- 010.00 Diesel Cab Heater, Recondition & Troubleshooting
SM06- 025- 012.00 Hydraulic Cab Heater, R & I (Elevated Mount)
SM06- 025- 014.00 Hydraulic Cab Heater, Recondition (Elevated Mount)
SM06- 047- 000.00 Electrical System Wire Identification Code
SM06- 047- 083.00 Electrical System Schematic Diagram (Generation 1)
SM06- 047- 084.00 Electrical System Schematic Diagram (Generation 2)
SM06- 047- 085.00 Electrical System Schematic Diagram (Generation 3)
SM06- 047- 099.00 Electrical System Schematic Diagram (Generation 4)
SM06- 047- 100.00 Electrical System Schematic Diagram (Generation 5)
SM06- 047- 101.00 Electrical System Schematic Diagram (Generation 6)
SM06- 047- 110.00 Electrical System Schematic Diagram (Generation 7)
SM06- 047- 119.00 Electrical System Schematic Diagram (Generation 8)
SM06- 047- 125.00 Electrical System Schematic Diagram (Generation 9)
SM06- 047- 128.00 Electrical System Schematic Diagram (Generation 10)
AREA 07 HYDRAULIC POWER SUPPLY
SM07- 000- 117.00 Hydraulic System Schematic Diagram (Generation 1)
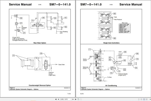
SM07- 000- 141.00 Hydraulic System Schematic Diagram (Generation 2)
SM07- 000- 143.00 Hydraulic System Schematic Diagram (Generation 3)
SM07- 001- 025.00 Pilot Control Accumulator, R & I
SM07- 003- 006.00 Solenoid Valves, General Recondition
SM07- 005- 052.00 Hydraulic Gear Pump Assembly, Recondition (Hydraulic Heater)
SM07- 005- 059.00 Hydraulic Heater Gear Pump, R & I
SM07- 006- 034.00 Swing Motor, Recondition
SM07- 006- 057.00 Swing Motor, R & I (w/Caliper Type Swing Brake)
SM07- 006- 061.00 Hydraulic Motor, Recondition (Hydraulic Heater)
SM07- 006- 072.00 Winch Motor, R & I (Generation 1 – w/Braden CH150A, 175A, 185A, CH230)
SM07- 006- 073.00 Hydraulic Motor, Recondition (Winch)
SM07- 006- 074.00 Hydraulic Heater Motor, R & I
SM07- 006- 076.00 Two Speed Valve, Recondition (Winch Motor)
SM07- 006- 097.00 Winch Motor, R & I (Generation 2 – w/Braden CH210)
SM07- 008- 014.00 Winch Counterbalance Valve, Recondition
SM07- 008- 048.00 Foot Control Valve, R & I (Boom Telescope)
SM07- 008- 051.00 Boom Hoist Control Valve, Recondition (Gresen V70)
SM07- 008- 055.00 Controller Valve Assembly, R & I
SM07- 008- 056.00 Controller Valve Assembly, Recondition
SM07- 008- 058.00 Winch Control Valve, Recondition (Gresen V70)
SM07- 008- 060.00 Counterweight Removal Cylinder Control Valve, Recondition
SM07- 008- 065.00 Pressure Reducing Valve, Recondition
SM07- 008- 066.00 Control Valve, Recondition (Gresen V40)
SM07- 008- 067.00 Foot Control Valve, Recondition (Boom Telescope)
SM07- 008- 076.00 Single Axis Control Valves, R & I
SM07- 008- 077.00 Single Axis Control Valves, Recondition
SM07- 008- 078.00 Upper Hydraulic Components, R & I
SM07- 008- 080.00 Winch Counterbalance Valve, R & I
SM07- 008- 082.00 Counterweight Removal Control Valve, R & I
SM07- 018- 001.00 Hydraulic System Tube Fittings
SM07- 029- 002.00 Swing Brake Actuator, Recondition
SM07- 029- 004.00 Swing Brake Actuator, R & I
AREA 09 TUBULAR BOOM, FLY, & JIB
SM09- 001- 002.00 Tubular Boom, Fly, & Jib Repair
AREA 14 CAB & HOUSE ASSEMBLY
SM14- 001- 006.00 Repair Of Components Made Of Fibrous Composite Materials
AREA 17 HYDRAULIC CRANE ATTACHMENT
SM17- 001- 036.00 Hydraulic Boom Inspection
SM17- 001- 037.00 Four Section Boom, Recondition (Generation 1)
SM17- 001- 043.00 Boom, R & I
SM17- 001- 058.00 Four Section Boom, Recondition- w/Adjustable Hose Wheel Tension (Gen 2)
Retrofitting Adjustable Hose Wheel Tension Components & Rear Wear Shoes
SM17- 002- 022.00 Boom Telescope Cylinder, Recondition
SM17- 002- 034.00 Boom Telescope Cylinder, Troubleshooting
SM17- 002- 035.00 Boom Telescope Counterbalance Valve, R & I
SM17- 003- 010.00 Boom Hoist Cylinders, R & I
SM17- 003- 013.00 Boom Hoist Cylinder, Recondition
SM17- 003- 014.00 Boom Hoist Counterbalance Valve, R & I
SM17- 003- 015.00 Boom Hoist Counterbalance Valve, Recondition
SM17- 009- 003.00 Four Sheave Boom Head Machinery, Recondition
SM17- 009- 004.00 Five Sheave Boom Head Machinery, Recondition
AREA 18 SPECIAL ATTACHMENTS
SM18- 000- 001.00 Capscrew Torques
SM18- 000- 002.00 Bearing, Gear, Shaft, & Housing Inspection
SM18- 000- 003.00 Crane System Schematics
SM18- 007- 001.00 Reeling Drum, R & I (Rectangular Type)
SM18- 007- 002.00 Reeling Drum, Recondition (Rectangular Type)
SM18- 007- 003.00 Reeling Drum, R & I (Round Type)
SM18- 007- 004.00 Reeling Drum, Recondition (Round Type)
SM18- 018- 001.00 Air Conditioning Service Precautions
SM18- 018- 002.00 Air Conditioning Hydraulic Drive Motor, R & I (Upper)
SM18- 018- 003.00 Air Conditioning Hydraulic Drive Motor, Recondition (Upper)
SM18- 018- 004.00 Air Conditioning Compressor, Recondition
SM18- 018- 006.00 Air Conditioning Compressor, R & I (Upper)
SM18- 018- 008.00 Air Conditioning Compressor, R & I (Carrier)















