✓
Expert Support
✓
Full Speed
✓
100% Working
Link Belt Crane HTT-8670LB Operation Manual
Size: 6.41 MB
Format: PDF
Language: English
Brand: Link Belt
Type of Machine: Crane
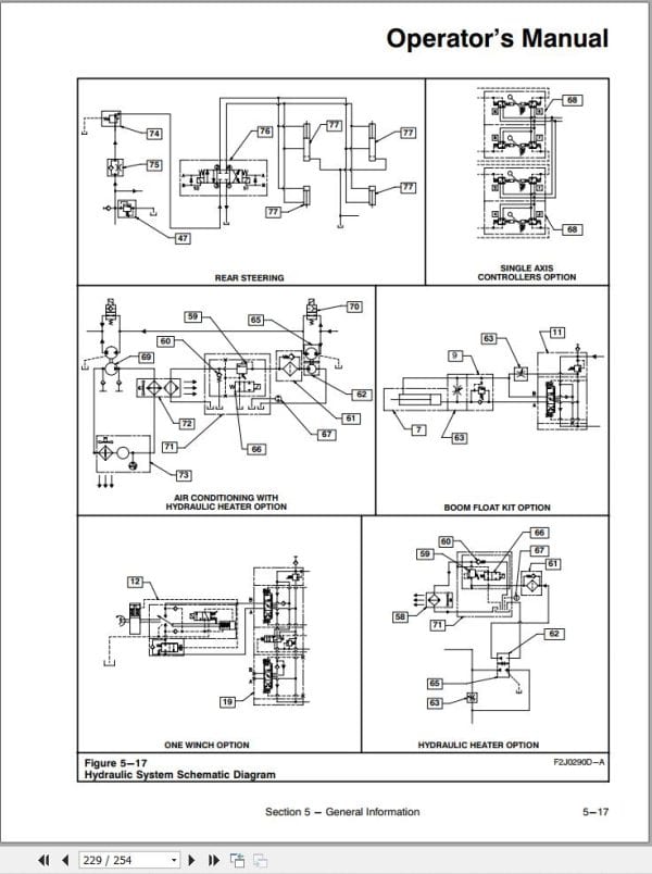
Type of Manual: Operation Manual, Electrical and Hydraulic Diagrams
Model: Link Belt HTT-8670LB Crane
Number of Pages: 254 Pages
Contents:
Cover
Section 1 Operating Instructions
Section 2 Lubrication And Preventive Maintenance
Section 3 Periodic Adjustments
Section 4 Attachments
Section 5 General Information
Section 6 Fundamental Terms
10 USD
- Description
Description
Link Belt Crane HTT-8670LB Operation Manual
Size: 6.41 MB
Format: PDF
Language: English
Brand: Link Belt
Type of Machine: Crane
Type of Manual: Operation Manual, Electrical and Hydraulic Diagrams
Model: Link Belt HTT-8670LB Crane
Number of Pages: 254 Pages
Contents:
Cover
Section 1 Operating Instructions
Section 2 Lubrication And Preventive Maintenance
Section 3 Periodic Adjustments
Section 4 Attachments
Section 5 General Information
Section 6 Fundamental Terms















