Expert Support
Full Speed
100% Working
Link-Belt Excavator 130X4 Service Manual Hydraulic And Electrical Schematic
50 USD
- Description
Description
List of Files:
130X4 130X4DZ 130X4LC Excavator Service Manual WLSM1307-06LX 2018.pdf (2021 Pages)
– Section
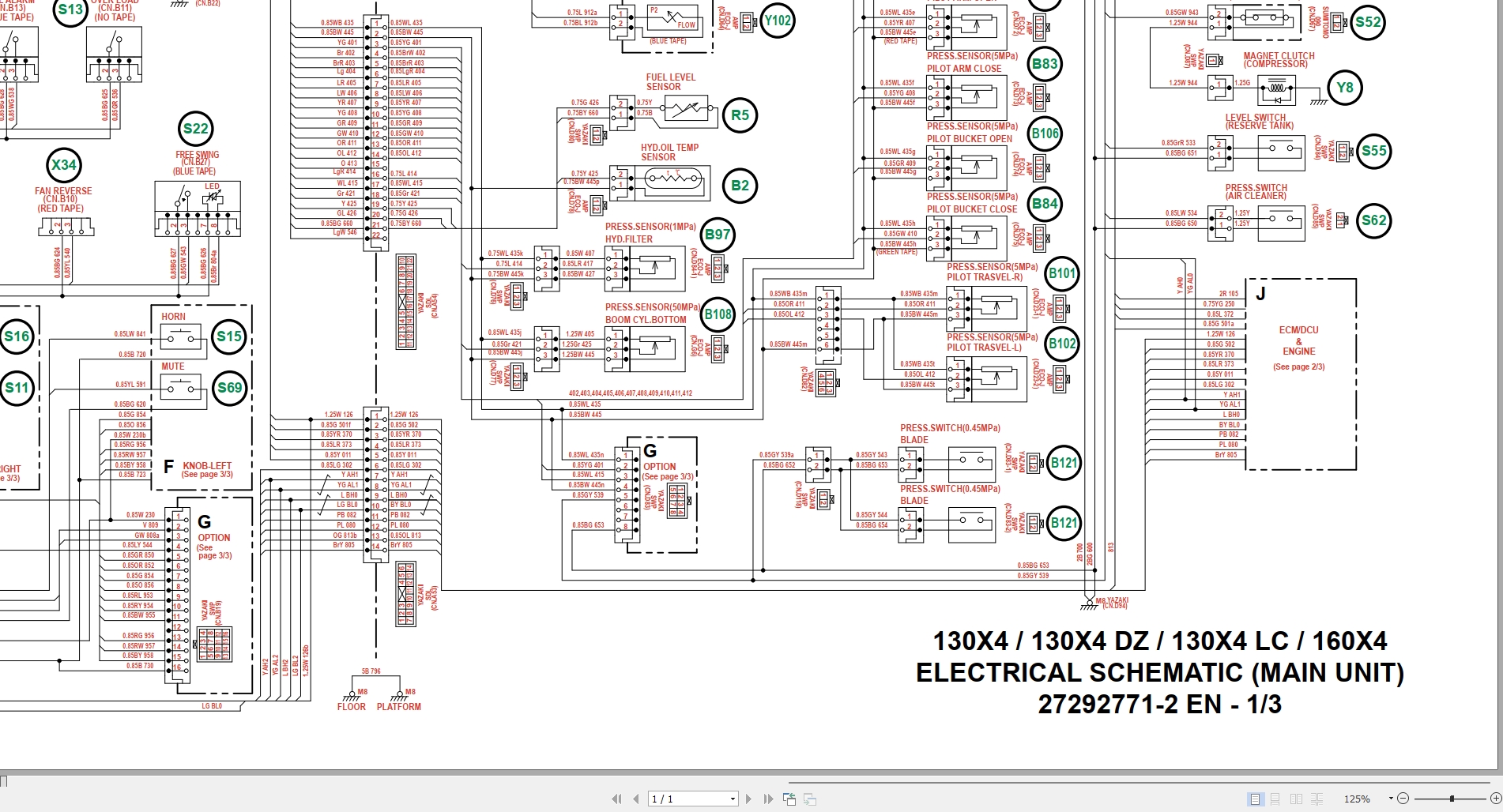
130X4 130X4DZ 130X4 LC 160X4 Electrical Schematic (MAIN UNIT) 27292771-2 EN.pdf (1 Pages)
130X4 130X4DZ 130X4 LC 160X4 Electrical Schematic (OPTION) 49132829-2 EN.pdf (1 Pages)
130X4 130X4DZ 130X4LC Electrical Schematic (GPS) 68112363-3 EN.pdf (1 Pages)
130X4 130X4DZ 130X4LC Electrical Schematic (WAVES) 89900286-4 EN.pdf (1 Pages)
130X4 130X4DZ 130X4LC Hydraulic Schematic (BLADE) 28893543-1 EN.pdf (1 Pages)
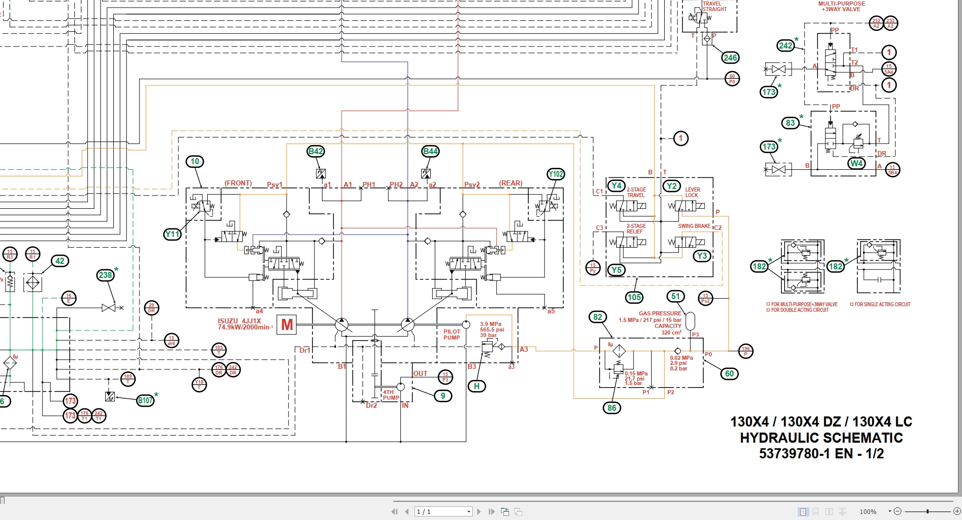
130X4 130X4DZ 130X4LC Hydraulic Schematic 53739780-1 EN.pdf (1 Pages)
A. LOWER.pdf (162 Pages)
B. C. SWING UNIT, COUNTERWEIGHT.pdf (46 Pages)
H. ENGINE.pdf (862 Pages)
J Explanation of Hydraulic Circuit and Operations (standard model).pdf (80 Pages)
J. HYDRAULIC EQUIPMENT (PUMP, OPERATION SYSTEM VALVE).pdf (292 Pages)
N. CAB.pdf (26 Pages)
R Electrical Parts and Wiring Assembly Diagram.pdf (42 Pages)
R. ELECTRICAL PARTS.pdf (264 Pages)
SAFETY.pdf (14 Pages)
V. ATTACHMENTS.pdf (110 Pages)
Z. OTHER.pdf (237 Pages)













