Expert Support
Full Speed
100% Working
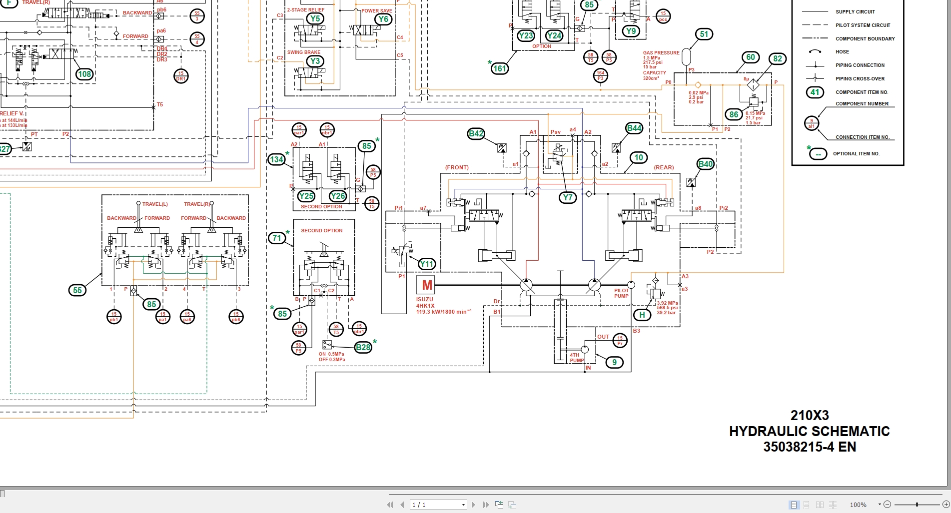
Link-Belt Excavator 210X3 Service Manual Hydraulic And Electrical Schematic
50 USD
- Description
Description
List of Files:
210X3 Excavator Service Manual WLSM2106-08LX 2018.pdf (1510 Pages)
– Section
210X3 Hydraulic Schematic 35038215-4 EN.pdf (1 Pages)
210X3 LF Excavator Hydraulic Schematic 31275696-2 EN.pdf (1 Pages)
210X3 _ 210X3 LF Electrical Schematic (GPS) 41866717-1 EN.pdf (1 Pages)
210X3 _ 210X3 LF Electrical Schematic 44373995-5 EN.pdf (1 Pages)
210X3 _ 210X3 LF Electrical Schematic 74384313-5 EN.pdf (1 Pages)
A. LOWER.pdf (142 Pages)
B. C. SWING UNIT, COUNTERWEIGHT.pdf (54 Pages)
H. ENGINE.pdf (468 Pages)
J EXPLANATION OF HYDRAULIC CIRCUIT AND OPERATIONS (STANDARD MODEL).pdf (80 Pages)
J. HYDRAULIC EQUIPMENT (PUMP, OPERATION SYSTEM VALVE).pdf (260 Pages)
N. CAB.pdf (26 Pages)
R ELECTRICAL CONNECTOR WIRING DIAGRAM.pdf (22 Pages)
R. ELECTRICAL PARTS.pdf (204 Pages)
SAFETY.pdf (14 Pages)
V. ATTACHMENTS.pdf (80 Pages)
Z. OTHER.pdf (156 Pages)













