Expert Support
Full Speed
100% Working
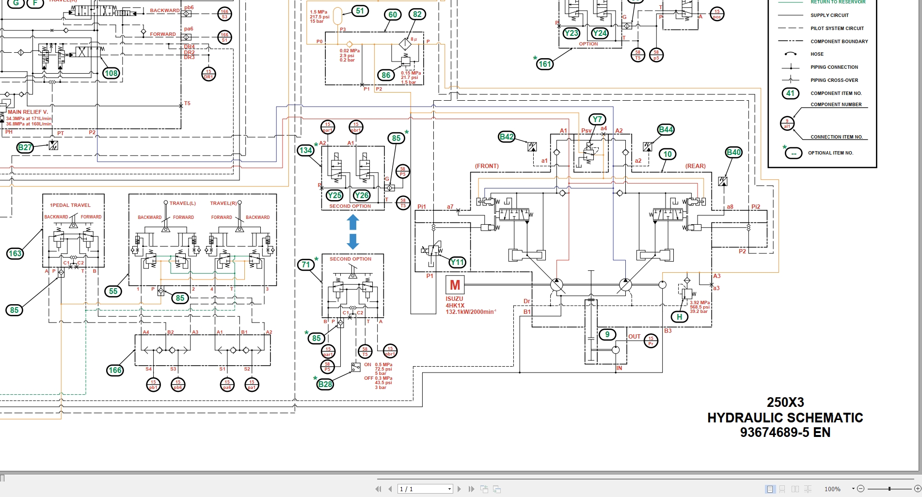
Link-Belt Excavator 250X3 Service Manual Hydraulic And Electrical Schematic
50 USD
- Description
Description
List of Files:
250X3 Excavator Service Manual WLSM2406-09LX 2018.pdf (1524 Pages)
– Schematic
250X3 250X3LF 250X3MH 250X3SL Electrical Schematic (GPS) 41866717-1 EN.pdf (1 Pages)
250X3 250X3LF Electrical Schematic 44373995-5 EN.pdf (1 Pages)
250X3 250X3LF Electrical Schematic 74384313-5 EN.pdf (1 Pages)
250X3 Hydraulic Schematic 93674689-5 EN.pdf (1 Pages)
– Section
A. LOWER.pdf (146 Pages)
B. C. SWING UNIT, COUNTERWEIGHT.pdf (50 Pages)
H. ENGINE.pdf (468 Pages)
J Explanation of Hydraulic Circuit and Operations (standard model).pdf (80 Pages)
J. HYDRAULIC EQUIPMENT (PUMP, OPERATION SYSTEM VALVE).pdf (262 Pages)
N. CAB.pdf (26 Pages)
R. ELECTRICAL PARTS.pdf (208 Pages)
SAFETY.pdf (14 Pages)
V. ATTACHMENTS.pdf (82 Pages)
Z. OTHER.pdf (162 Pages)













