Expert Support
Full Speed
100% Working
Link-Belt Excavator 290X2 Shop Manual
30 USD
- Description
Description
Contents:
Main Body Section
Specifications
Overall
Hydraulic Equipment
Capacities, Filters
Lifting Capacity
Overall View
Work Range Diagram
Summary Section
Main Equipment Table
Lower Component
Upper Component
Engine-Related
Hydraulic Device
Control-Related
Backhoe Attachment
Equipment Layout Diagram
Standard Machine Option List
Hydraulics Section
Hydraulic Equipment Layout
Port Diagram
Pilot Hose Connection Diagram
Function List
Explanation Of Hydraulic Circuit And Operations (Standard Model)
Travel Circuits
Swing Circuits
Boom Circuits
Arm Circuits
Bucket Circuit
Negative Control Circuit
Horsepower Boost Circuits
Other Circuits
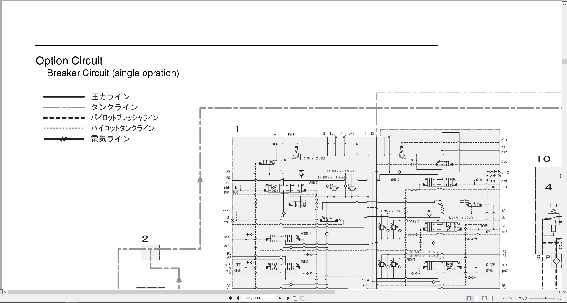
Explanation Of Hydraulic Circuit And Operations (Option)
Option Circuit
Main Equipment Structure And Operation Explanation
Pump
Motor
Valve
Electrics Section
Explanation Of New Functions
Electrical Equipment Layout Diagram
Main Equipment Structural Diagrams
Electrical Circuit Diagram
Overall View
Electrical Connector Wiring Diagram
Main Frame
Cab
Console
Electrical Parts And Wiring Assembly Diagram
Explanation Of Functions And Operations
Engine Start / Stop Control
Pump Control
Swing
Travel
Valve Control
Monitor Control
Accessories
Others
Options
Service Support
Screen Display List
Screen Display Details
Trouble Display
Engine Section
Engine Summary
Detailed Parts Diagrams
Explanation Of Engine Terms
Explanation Of Engine Structure
Technology For Exhaust Gases
Explanation Of Engine Operation
Engine Overall
Explanation Of Engine Control
Engine Mainten Ance Stan Dards
Engine Equipment Table
Exhaust Gas Regulations
Cautions For Fuel Used













