✓
Expert Support
✓
Full Speed
✓
100% Working
Link-Belt Excavator 300X3 Service Manual Hydraulic And Electrical Schematic
Size: 105.42 MB
Format: PDF
Language: English
Brand: Link-Belt
Type of Machine: Excavator
Type of Manual: Service Manual, Hydraulic And Electrical Schematic
Model: Link-Belt 300X3 Excavator
Engine: Isuzu 6HK1X Diesel Engine
30 USD
- Description
Description
List of Files:
– Schematic
300X3 Electrical Schematic (GPS) 41866717-1 EN.pdf (1 Pages)
300X3 Electrical Schematic 65655704-5 EN.pdf (1 Pages)
300X3 Electrical Schematic 92927109-5 EN.pdf (1 Pages)
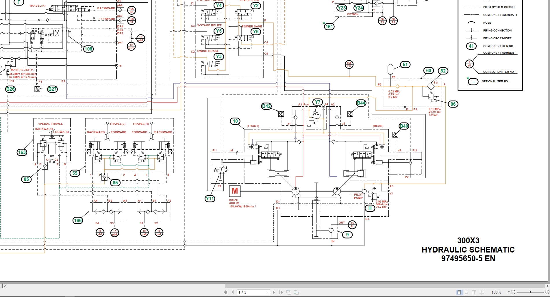
300X3 Hydraulic Schematic 97495650-5 EN.pdf (1 Pages)
– Section
A. LOWER.pdf (132 Pages)
B. C. SWING UNIT, COUNTERWEIGHT.pdf (56 Pages)
H. ENGINE.pdf (446 Pages)
J Explanation of Hydraulic Circuit and Operations (standard model).pdf (80 Pages)
J. HYDRAULIC EQUIPMENT (PUMP, OPERATION SYSTEM VALVE).pdf (240 Pages)
N. CAB.pdf (26 Pages)
R Electrical Connector Wiring Diagram.pdf (22 Pages)
R. ELECTRICAL PARTS.pdf (210 Pages)
SAFETY.pdf (14 Pages)
V. ATTACHMENTS.pdf (80 Pages)
Z. OTHER.pdf (173 Pages)













