Expert Support
Full Speed
100% Working
Link-Belt Excavator 350X3 Service Manual Hydraulic And Electrical Schematic
50 USD
- Description
Description
List of Files:
350X3 Excavator Service Manual WLSM3306-09LX 2018.pdf (1544 Pages)
– Schematic
350X3 Electrical Schematic (GPS) 41866717-1 EN.pdf (1 Pages)
350X3 Electrical Schematic 40962104-4 EN.pdf (1 Pages)
350X3 Electrical Schematic 70558949-4 EN.pdf (1 Pages)
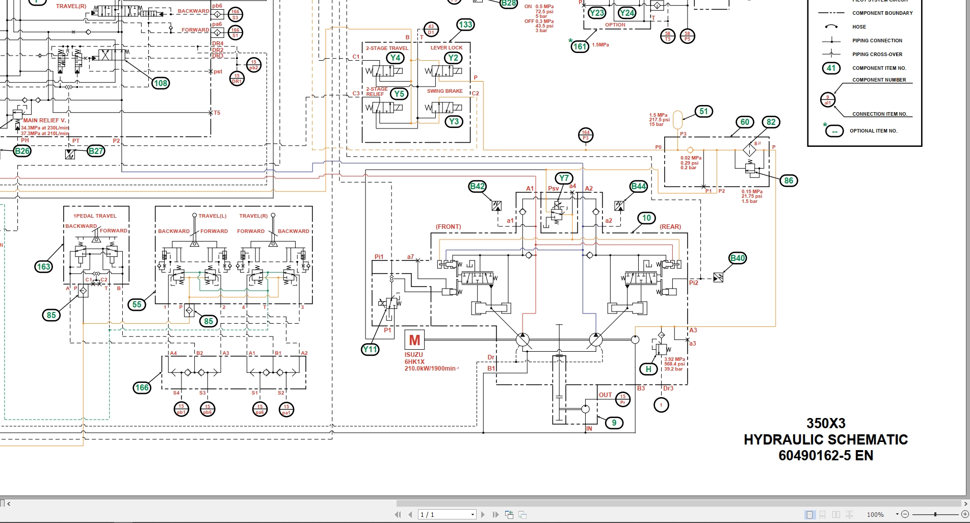
350X3 Hydraulic Schematic 60490162-5 EN.pdf (1 Pages)
– Section
A. LOWER.pdf (156 Pages)
B. C. SWING UNIT, COUNTERWEIGHT.pdf (56 Pages)
H. ENGINE.pdf (446 Pages)
J Explanation of Hydraulic Circuit and Operations (standard model).pdf (96 Pages)
J. HYDRAULIC EQUIPMENT (PUMP, OPERATION SYSTEM VALVE).pdf (240 Pages)
N. CAB.pdf (26 Pages)
R Electrical Connector Wiring Diagram.pdf (22 Pages)
R. ELECTRICAL PARTS.pdf (210 Pages)
SAFETY.pdf (18 Pages)
V. ATTACHMENTS.pdf (90 Pages)
Z. OTHER.pdf (180 Pages)













