✓
Expert Support
✓
Full Speed
✓
100% Working
Link-Belt Excavator 350X4 Hydraulic And Electrical Schematic
Size: 16.00 MB
Format: PDF
Language: English
Brand: Link-Belt
Type of Machine: Excavator
Type of Manual: Hydraulic And Electrical Schematic
Model: Link-Belt 300X4 ; 350X4 ; 350X4LF Excavator
20 USD
- Description
Description
List of Files:
300X4 350X4 350X4LF Electrical Schematic (ENGINE) 41081316-3 EN.pdf (1 Pages)
300X4 350X4 350X4LF Electrical Schematic (MAIN UNIT) 52378736-3 EN.pdf (1 Pages)
300X4 350X4 350X4LF Electrical Schematic (OPTION) 74032070-3 EN.pdf (1 Pages)
350X4 350X4LF Electrical Schematic (GPS) 68112363-3 EN.pdf (1 Pages)
350X4 350X4LF Electrical Schematic (WAVES) 89900286-4 EN.pdf (1 Pages)
350X4 Hydraulic Schematic (OPTION) 49055945-3 EN.pdf (1 Pages)
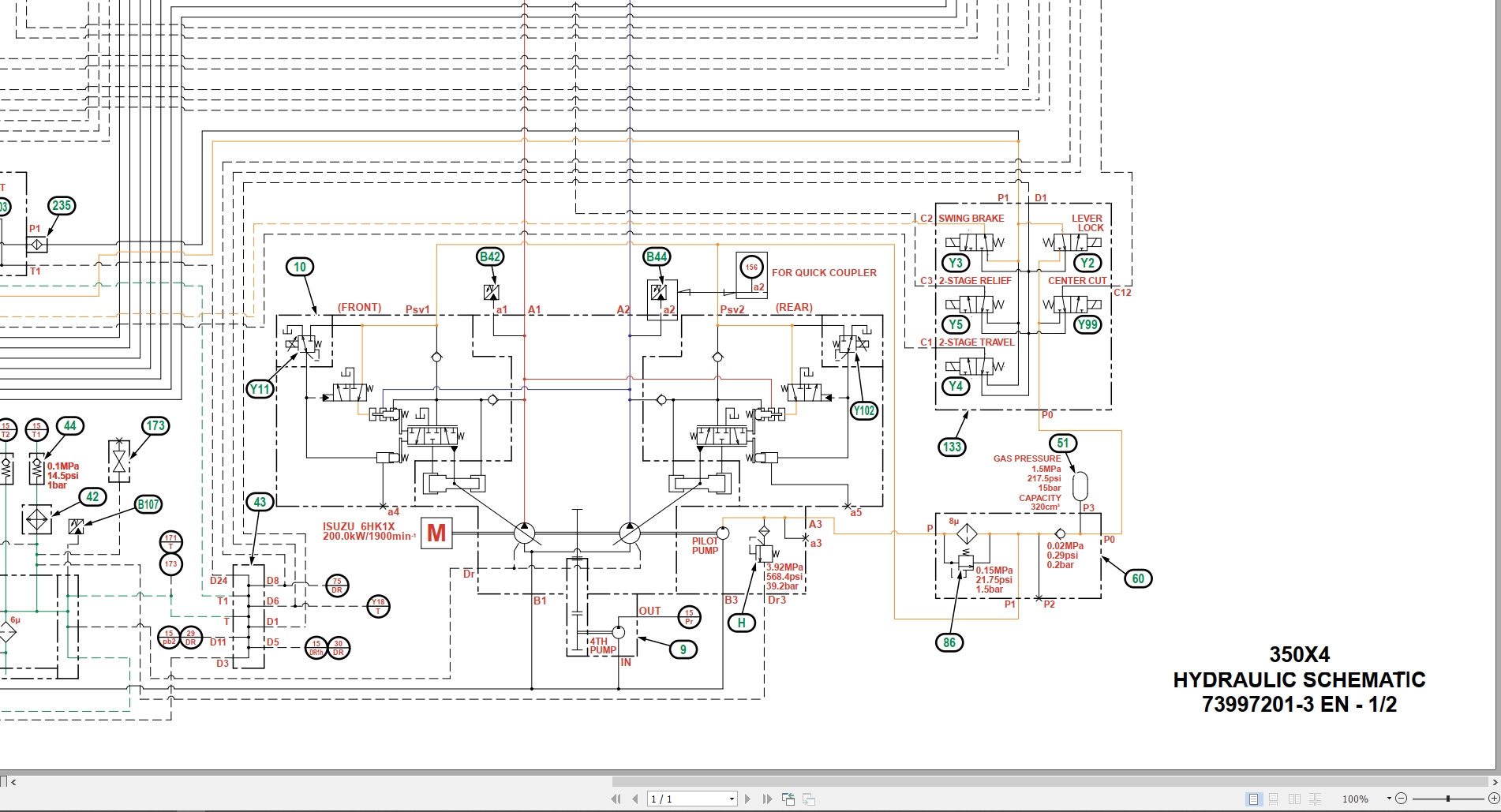
350X4 Hydraulic Schematic 73997201-3 EN.pdf (1 Pages)
350X4 LF Hydraulic Schematic (OPTION) 40219657-1 EN.pdf (1 Pages)
350X4 LF Hydraulic Schematic 37713888-2 EN.pdf (1 Pages)











