Expert Support
Full Speed
100% Working
Link-Belt Excavator 370LX Shop Manual 1060 2002
40 USD
- Description
Description
Contents:
1 General Information
Safety, General Information And Standard Torque Data
General Specifications And Special Torque Setting
2 Engine
Removal And Installation Of The Engine
Radiator And Oil-Cooler
Engine Specifications
Disassembly And Assembly Of The Engine
3 Fuel System
Fuel Tank
Fuel Engine System
4 Electrical System
Electrical System, Electrical And Electronic Troubleshooting
Inspection And Maintenance Of Batteries And Connecting A Booster Battery
Main And Engine Electronic Control Boxes
5 Undercarriage
Removal And Installation Of Tracks
Rollers
Sprocket
Idler Wheel And Tension Shock Absorber
6 Drive Train
Drive Motor And Final Drive Transmission Removal And Installation
Swing Reduction Gear, Removal And Installation
Swing Reduction Gear, Disassembly And Assembly
Travel Reduction Gear Assembly And Disassembly
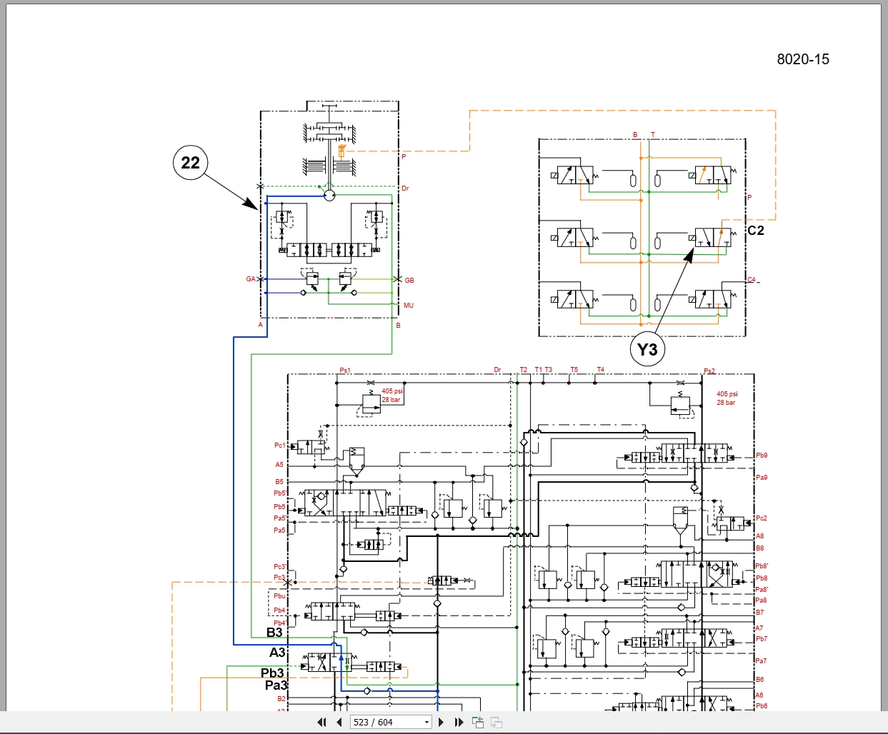
7 Undercarriage Hydraulics
8 Upperstructure Hydraulics
Depressurising And Decontaminating The Hydraulic System, Use Of The
Vacuum Pump And Bleeding The Components
Specifications, Troubleshooting, Checks And Hydraulic Pressure Settings
Hydraulic Reservoir Removal And Installation
Main And Pilot Pumps, Removal And Installation
Main Hydraulic Control Valve, Removal And Installation
Attachment Cylinders, Removal And Installation
Hydraulic Swivel, Removal And Installation
Pilot Blocs, Removal And Installation
Swing Motor, Removal And Installation
Free Swing Disassembly And Assembly
Main Hydraulic Pump, Disassembly And Assembly (Uchida)
Main Hydraulic Pump, Disassembly And Assembly (Kawasaki
Main Hydraulic Control Valve, Disassembly And Assembly
Attachment Cylinders, Disassembly And Assembly
Hand Control Levers, Disassembly And Assembly
Foot Control Levers, Disassembly And Assembly
Six-Solenoid Valves, Disassembly And Assembly
Caution Valve, Disassembly And Assembly
Safety Valve
Hydraulic Swivel, Disassembly And Assembly
Swing Motor, Disassembly And Assembly
Hydraulic Functions
Travel Hydraulic Motor, Disassembly And Assembly
9 Upperstructure
Upperstructure, Turntable And Counterweight
Boom, Dipper And Bucket
Seat And Seat Belt
Cab And Cab Equipment
Air Conditioning Troubleshooting
Air Conditioning Unit Disassembly And Assembly
Air Conditioning Servicing
Air Conditioning Components
Large Format Hydraulic And Electrical Schematics












