Expert Support
Full Speed
100% Working
Link-Belt Excavator 380X4-MH Service Manual Hydraulic And Electrical Schematic
50 USD
- Description
Description
List of Files:
380X4-MH Material Handler Service Manual WLSM3807MH-03LX 2018.pdf (2201 Pages)
– Schematic
130X4 130X4DZ 130X4LC 160X4 210X4 210X4LF 250X4 250X4LF 250X4MH 250X4SL 300X4 350X4 350X4LF 380X4MH 490X4 750X4 Electrical Schematic (GPS) 68112363-3 EN.pdf (1 Pages)
380X4 MH Electrical Schematic (CAB) 35967360-1 EN.pdf (1 Pages)
380X4 MH Electrical Schematic (ENGINE) 32006057-1 EN.pdf (1 Pages)
380X4 MH Electrical Schematic (FRAME) 10039287-1 EN.pdf (1 Pages)
380X4 MH Electrical Schematic (OPTION) 99014666-1 EN.pdf (1 Pages)
380X4 MH Hydraulic Schematic (OPTION) 43417835-2 EN.pdf (1 Pages)
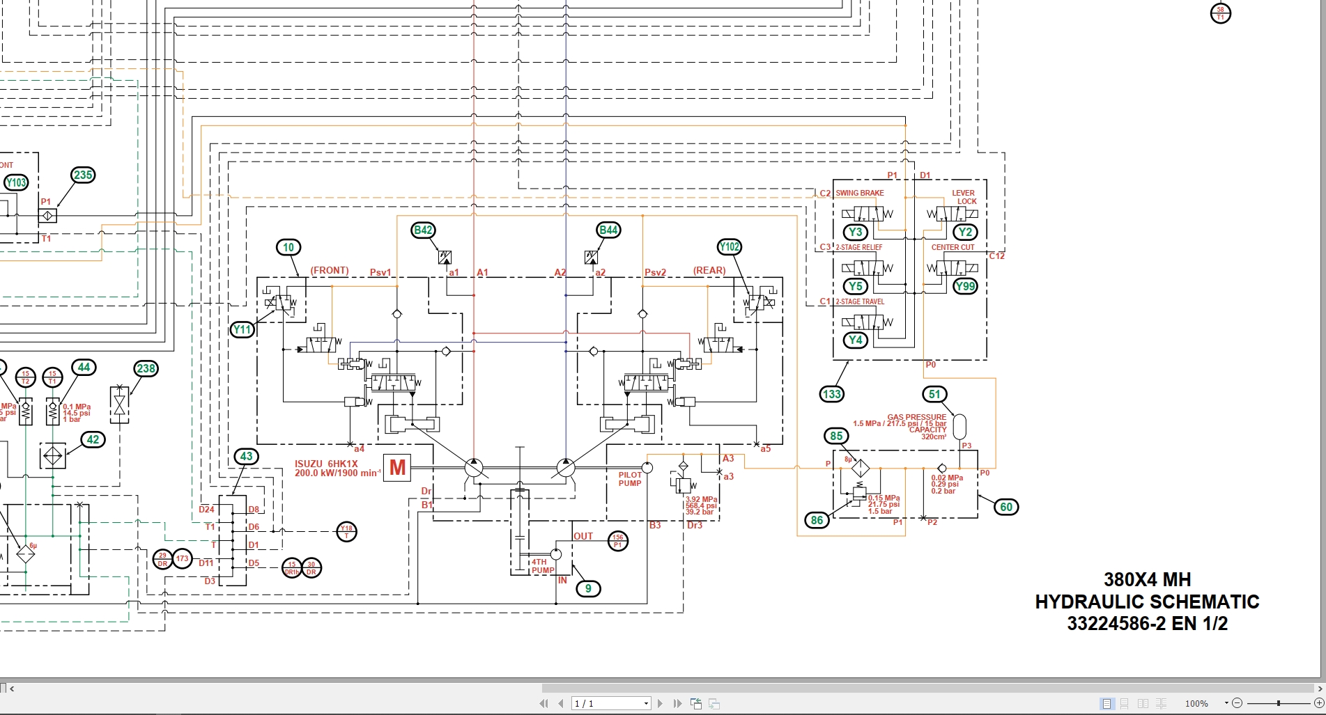
380X4 MH Hydraulic Schematic 33224586-2 EN.pdf (1 Pages)
– Section
A. LOWER.pdf (128 Pages)
B. C. SWING UNIT, COUNTERWEIGHT.pdf (48 Pages)
H. ENGINE.pdf (884 Pages)
J Explanation of Hydraulic Circuit and Operations (standard model).pdf (77 Pages)
J. HYDRAULIC EQUIPMENT (PUMP, OPERATION SYSTEM VALVE).pdf (318 Pages)
N. CAB.pdf (28 Pages)
R Electrical Connector Wiring Diagram.pdf (68 Pages)
R. ELECTRICAL PARTS.pdf (294 Pages)
SAFETY.pdf (12 Pages)
V. ATTACHMENTS.pdf (102 Pages)
Z. OTHER.pdf (234 Pages)













