Expert Support
Full Speed
100% Working
Link-Belt Excavator LS-3400CII Shop Manual
30 USD
- Description
Description
Contents:
Caution For Inspection And Maintenance
Basic Rules
General Rules For Disassembling
Hydraulic Circuit
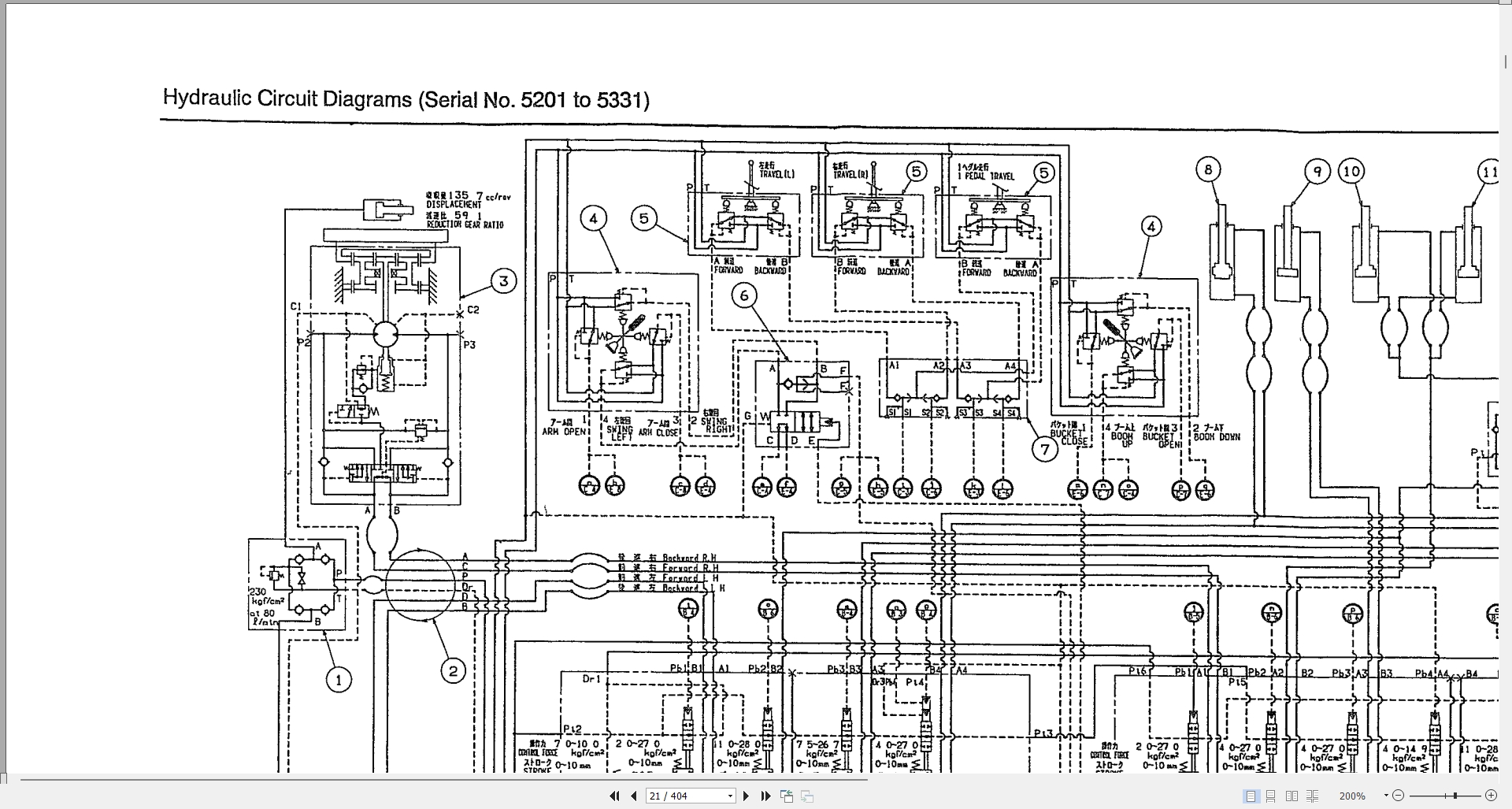
Seriel No. 5201 To 5331
Seriel No. 5332 To 5560
Seriel No. 5561 And After
Electric Circiut
Serial No. 5201 To 5331
Serial No. 5332 To 5560
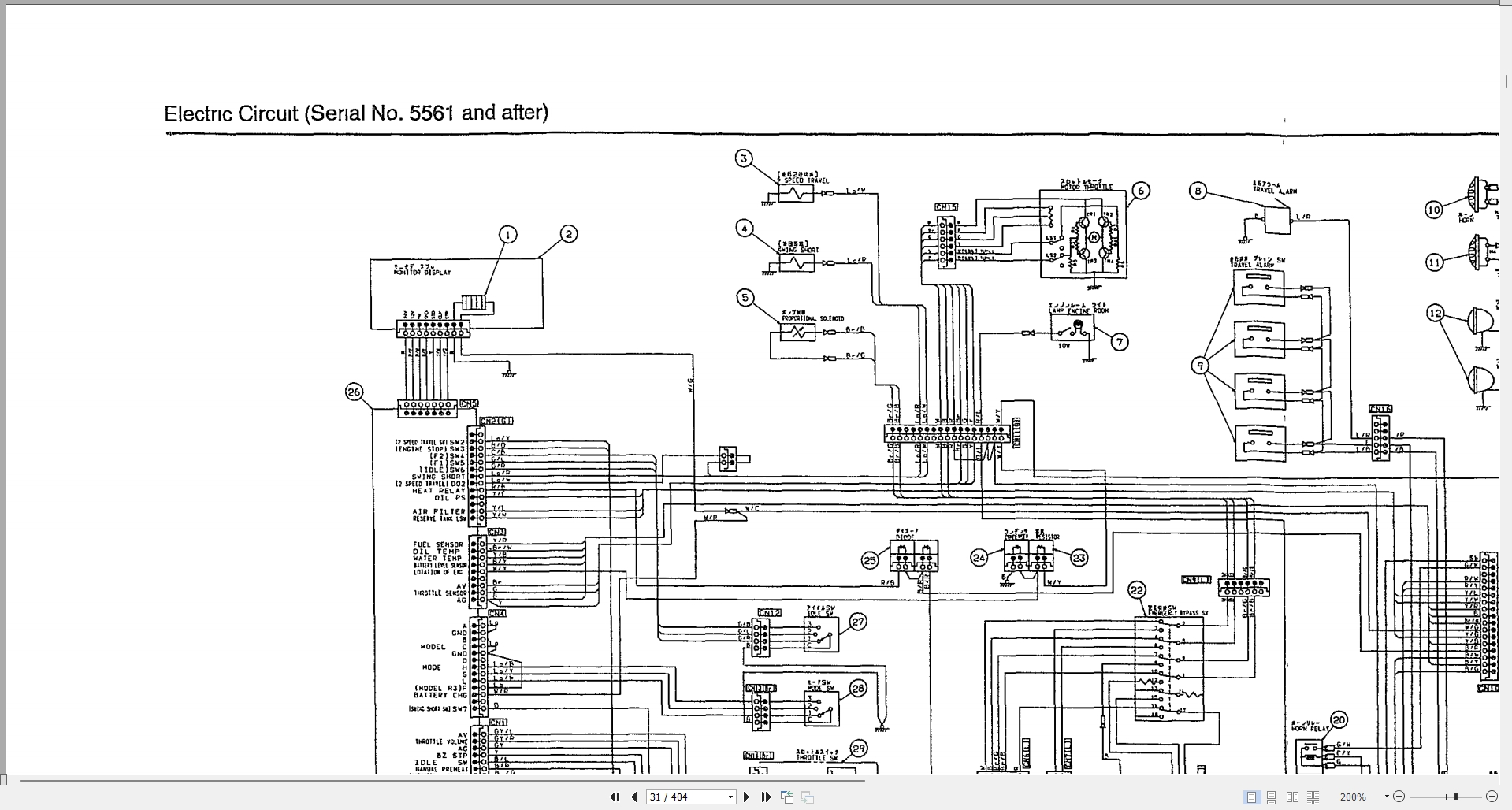
Serial No. 5561 And After
Performance Standards
Serial No. 5201 To 5560
Serial No. 5581 And After
Measuring Pressure
Accumulator Gas Pressure Verification
Hydraulic System Relief Valve Adjustment
Main Relief Pressure
Third Pump Circuit Pressure
Overload Relief Valve
Operating Instruction For Hydraulic Components At Starting
Oil Supply Quantities
Cautions For Replacement Of Major Hydraulic Equipment
Oil Stopper For Suction Strainer
Travel Motor
Serial No. 5201 To 5331
Serial No. 5332 To 5560
Serial No.5561 And After
Traction Drive Assembly
Take-Up Roller
Structural Diagram
Tools And Jigs
Maintenance Standards
Disassembly
Reassembly
Upper Roller
Stuctural Diagram
Tools And Jigs
Maintenance Standards
Disassembly
Reassembly
Lower Roller
Structural Diagram
Tools And Jigs
Maintenance Standards
Disassembly
Reassembly
Recoil Spring
Structural Diagram
Tools And Jigs
Disassembly Procedure
Reassembly Procedure
Shock Adsorber
Structural Diagram
Tools And Jigs
Disassembly
Reassembly Procedure
Shoe And Drive Sprocket
Structural Diagram
Tools
Swing Motor And Reduction Gear
Preface
Structure
Cautionary Points For Operation
Troubleshooting
Maintenance Procedures
Swing Motor Assembly
Engine Mounting
Hydraulic Pump
Pump Installation
Rotating Joint
Structural Diagram
Tools
Disassembly Procedures
Reassembly Procedure
Pilot Valve
Summary
Model Code Numbers
Specifications
Construction
Functions
Actuation
Maintenance
Control Valve
Control Valve
Disassembly
Cleaning
Inspection
Assembly
Relief Valve
Port Relief
Low Pressure Relief Valve
Adjustment
Mounting
Operation
General Specifications Of Control Valve
Hydraulic Cylider
Disassembly And Assembly Procedures
Trouble
Maintenance Standard
Disassembling Procedure
Performance Check
Monitor
Outline
Performance
Function And Construction Description
Disassembly And Reassembly
Maintenance Standards
Weight Of Components
Weight Of Individual Parts
Swing Equipment
Attachment
Tightening Torque Table













