-33%
✓
Expert Support
✓
Full Speed
✓
100% Working
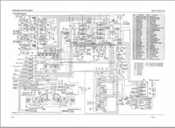
Linkbelt Lattice Boom Crawler Crane LS-218H II Service Manual
Linkbelt Lattice Boom Crawler Crane LS-218H II Service Manual
Size: 16.6 MB (Rar file)
Format: PDF
Language: English
Brand: Linkbelt
Type of machine: Lattice Boom Crawler Crane
Type of document: Service Manual
Model: Linkbelt LS-218H II Crane Service Repair Manual
Content:
– 70 Items PDF
20 USD
- Description
Description
Linkbelt Lattice Boom Crawler Crane LS-218H II Service Manual
Size: 16.6 MB (Rar file)
Format: PDF
Language: English
Brand: Linkbelt
Type of machine: Lattice Boom Crawler Crane
Type of document: Service Manual
Model: Linkbelt LS-218H II Crane Service Repair Manual
Content:
– 70 Items PDF















