-50%
✓
Expert Support
✓
Full Speed
✓
100% Working
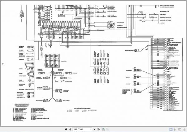
Manitou Access Platform 165 ATJ Repair Manual_547343
Manitou Access Platform 165 ATJ Repair Manual_547343
Size : 48.7 MB
Format : PDF
Language : English
Brand: Manitou
Type of machine: Forklift
Type of document: Repair Manual
Model: Manitou Access Platform 165 ATJ
Date: 20002
Number of Pages: 362 Page
Part Number: 547343
Original price was: 20.10Current price is: 10. USD
- Description
Description
Manitou Access Platform 165 ATJ Repair Manual_547343
Size : 48.7 MB
Format : PDF
Language : English
Brand: Manitou
Type of machine: Forklift
Type of document: Repair Manual
Model: Manitou Access Platform 165 ATJ
Date: 20002
Number of Pages: 362 Page
Part Number: 547343















