Expert Support
Full Speed
100% Working
Minuteman Scrubber Traction Drive Disc E26ECO H26ECO Series Parts Manual And Electrical Schematic 988737 2016
10 USD
- Description
Description
Contents:
Technical Specifications
Final Assembly
Final Assembly BOM
Main Assembly
Main Assembly BOM
Chassis Assembly
Chassis Assembly BOM
Base Assembly
Solution Tank Assembly
Recovery Tank Assembly
Recovery Tank Assembly BOM
Handle Assembly
Handle Assembly BOM
Solenoid Assembly
Old Style – Solution Valve Assembly
New Style – Solution Valve Assembly
Solution Control Handle Assembly
Solution Control Handle Assembly BOM
Battery Tray Assembly
Battery Tray Assembly BOM
Electrical Box Assembly
Electrical Box Assembly BOM
Electrical Panel Assembly
Electrical Panel Assembly BOM
Electrical Box Cover Assembly
Electrical Box Cover Assembly BOM
Vacuum Motor Assembly
Vacuum Motor Assembly BOM
Brush Deck
Brush Deck BOM
Vacuum Switch Assembly
Rear Squeegee Assembly
Rear Squeegee Assembly
Rear Squeegee Assembly BOM
Squeegee Mechanism Assembly
Squeegee Mechanism Assembly BOM
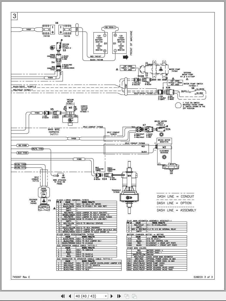
Wiring Diagrams













