✓
Expert Support
✓
Full Speed
✓
100% Working
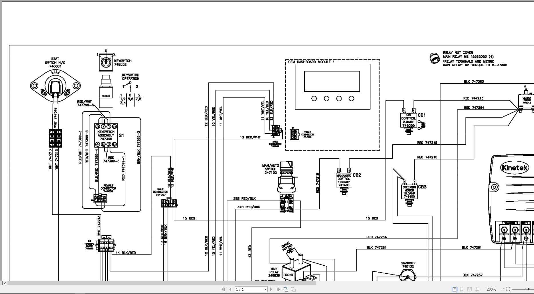
Minuteman Sweeper Max Ride Robot Electrical Schematic 745130
Size: 0.06 MB
Format: PDF
Language: English
Brand: Minuteman
Type of Machine: Sweeper
Type of Manual: Electrical Schematic
Model: Minuteman Max Ride Robot Sweeper
Part Number: 745130
Number of Pages: 1 Pages
10 USD
- Description
Description
Minuteman Sweeper Max Ride Robot Electrical Schematic 745130
Size: 0.06 MB
Format: PDF
Language: English
Brand: Minuteman
Type of Machine: Sweeper
Type of Manual: Electrical Schematic
Model: Minuteman Max Ride Robot Sweeper
Part Number: 745130
Number of Pages: 1 Pages











