Expert Support
Full Speed
100% Working
Minuteman Walk Behind Scrubber E260 ES260 Operation Service Parts Instructions Manual
10 USD
- Description
Description
List of Files:
E260 E320 Squeegee Mechanism 260660 Technical Service Bulletin.pdf
E260TD E320 320640 Pump Conversion Kit Instructions Manual 999125 2007.pdf
ES260 Floor Scrubber Traction Driven Brush Driven E260TDQP E260TDCE E260TDQPIW E260BDQP E260BDCE Operation Service Parts Care 988020 01.2006.pdf
Important Safety Instructions
Electrical Requirements
Control Panel Identification
Operating Instructions
Maintenance
Rear Squeegee
Rear Squeegee Adjustment
Main Assembly
Main Assembly Bom
Solution & Recovery Tank (Brush Drive)
Solution & Recovery Tank Bom (Brush Drive)
Mainframe Assembly (Brush Drive)
Mainframe Assembly Bom (Brush Drive)
Linkage Assembly (Brush Drive)
Linkage Assembly Bom (Brush Drive)
Control Panels (Brush Drive)
Control Panels Bom (Brush Drive)
Solution & Recovery Tank (Traction Drive)
Solution & Recovery Tank Bom (Traction Drive)
Mainframe Assembly (Traction Drive)
Mainframe Assembly Bom (Traction Drive)
Linkage Assembly (Traction Drive)
Linkage Assembly Bom (Traction Drive)
Control Panels (Traction Drive)
Control Panels Bom (Traction Drive)
Squeegee Lift Mechanism Assembly
Squeegee Adjustment Mechanism Assembly
Squeegee Blade Assembly
Wiring Diagram (Standard Models)
Wiring Diagram (Ce Models)
ES260 Floor Scrubber Traction Driven Brush Driven E260TDQP E260TDCE E260TDQPIW E260BDQP E260BDCE Operation Service Parts Care 988020 10.2006.pdf
Important Safety Instructions
For Safety During Operation:
For Safety When Servicing Or Maintaining Machine:
Electrical Requirements
Battery Requirements
Battery Service And Installation
Battery Installation
Charging Batteries
Control Panel Identification
Operating Instructions
Maintenance
Rear Squeegee
Rear Squeegee Components
Rear Squeegee Adjustment
Exploded Views
Main Assembly
Main Assembly Bom
Solution & Recovery Tank (Brush Drive)
Solution & Recovery Tank Bom (Brush Drive)
Mainframe Assembly (Brush Drive)
Mainframe Assembly Bom (Brush Drive)
Linkage Assembly (Brush Drive)
Linkage Assembly Bom (Brush Drive)
Control Panels (Brush Drive)
Control Panels Bom (Brush Drive)
Solution & Recovery Tank (Traction Drive)
Solution & Recovery Tank Bom (Traction Drive)
Mainframe Assembly (Traction Drive)
Mainframe Assembly Bom (Traction Drive)
Linkage Assembly (Traction Drive)
Linkage Assembly Bom (Traction Drive)
Control Panels (Traction Drive)
Control Panels Bom (Traction Drive)
Squeegee Lift Mechanism Assembly
Squeegee Lift Mechanism Assembly Bom
Squeegee Adjustment Mechanism Assembly
Squeegee Blade Assembly
Wiring Diagram (Traction Drive)
Wiring Diagram (Traction Drive Ce)
Wiring Diagram (Brush Drive)
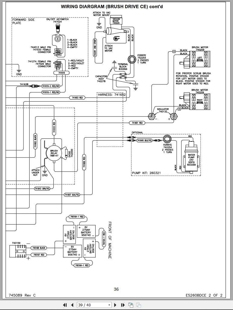
Wiring Diagram (Ce)
Minuteman International Made Simple Commercial Limited Warranty













