✓
Expert Support
✓
Full Speed
✓
100% Working
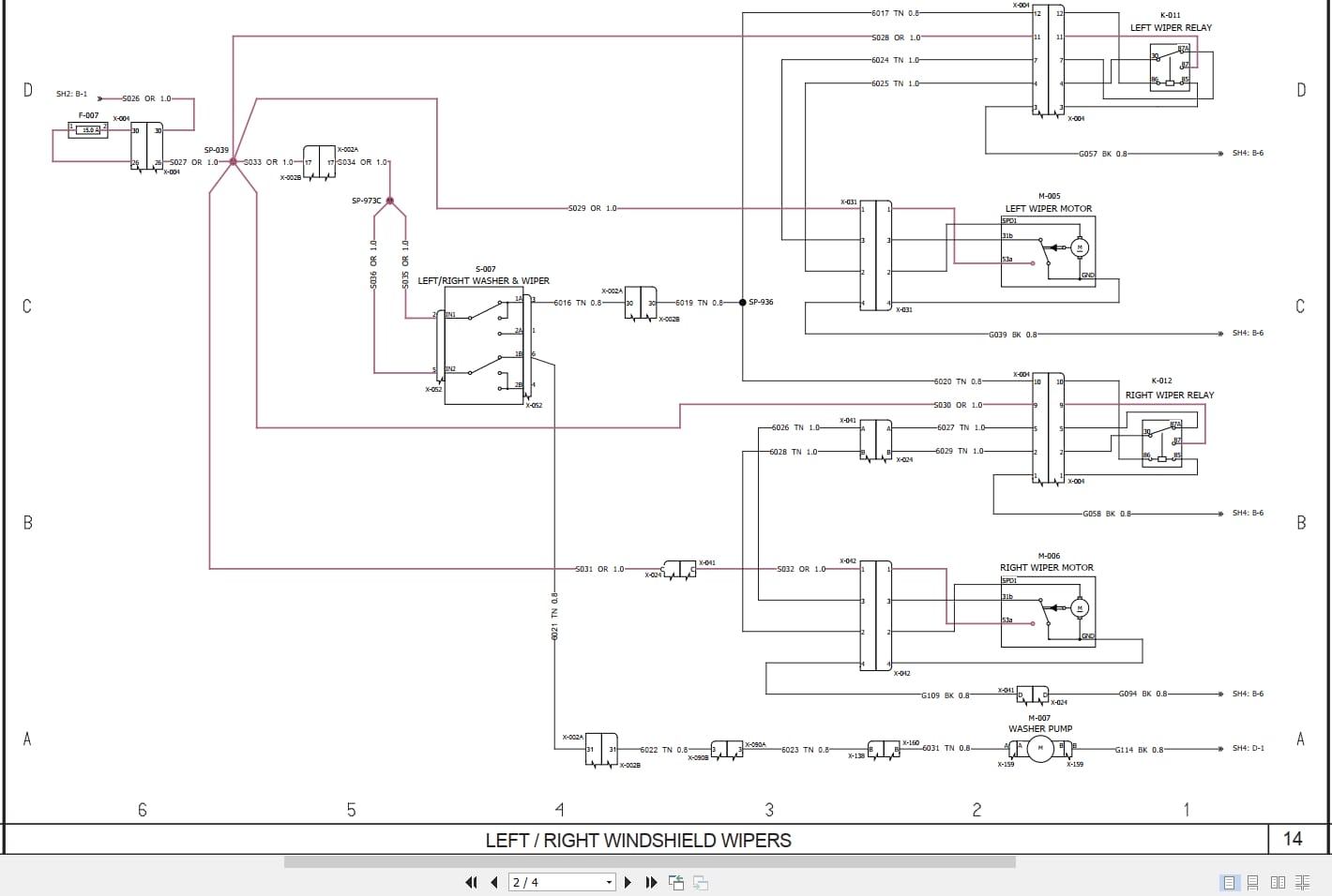
New Holland Crawler Dozer D150C Tier 2 Electrical Schematic RAC48048995
Size: 3.45 MB
Format: PDF
Language: English
Brand: New Holland
Type of Machine: Crawler Dozer
Type of Manual: Electrical Schematic
Model: New Holland D150C Tier 2 Crawler Dozer
Part Number: RAC48048995
Number of Pages: 4 Pages
20 USD
- Description
Description
New Holland Crawler Dozer D150C Tier 2 Electrical Schematic RAC48048995
Size: 3.45 MB
Format: PDF
Language: English
Brand: New Holland
Type of Machine: Crawler Dozer
Type of Manual: Electrical Schematic
Model: New Holland D150C Tier 2 Crawler Dozer
Part Number: RAC48048995
Number of Pages: 4 Pages











