Expert Support
Full Speed
100% Working
New Holland Crawler Excavator E215B E245B ROPS Tier 3 Service Manual 84392396A 2010
30 USD
- Description
Description
Contents:
Safety Precautions
Section 1 Generalities
Section 2 Safety Precautions
Section 3 Safety Plates
Operational Principle
Section 1 General
Group 1 Specifications
Group 2 Component Layout
Section 2 System
Group 1 Mechatro Control System
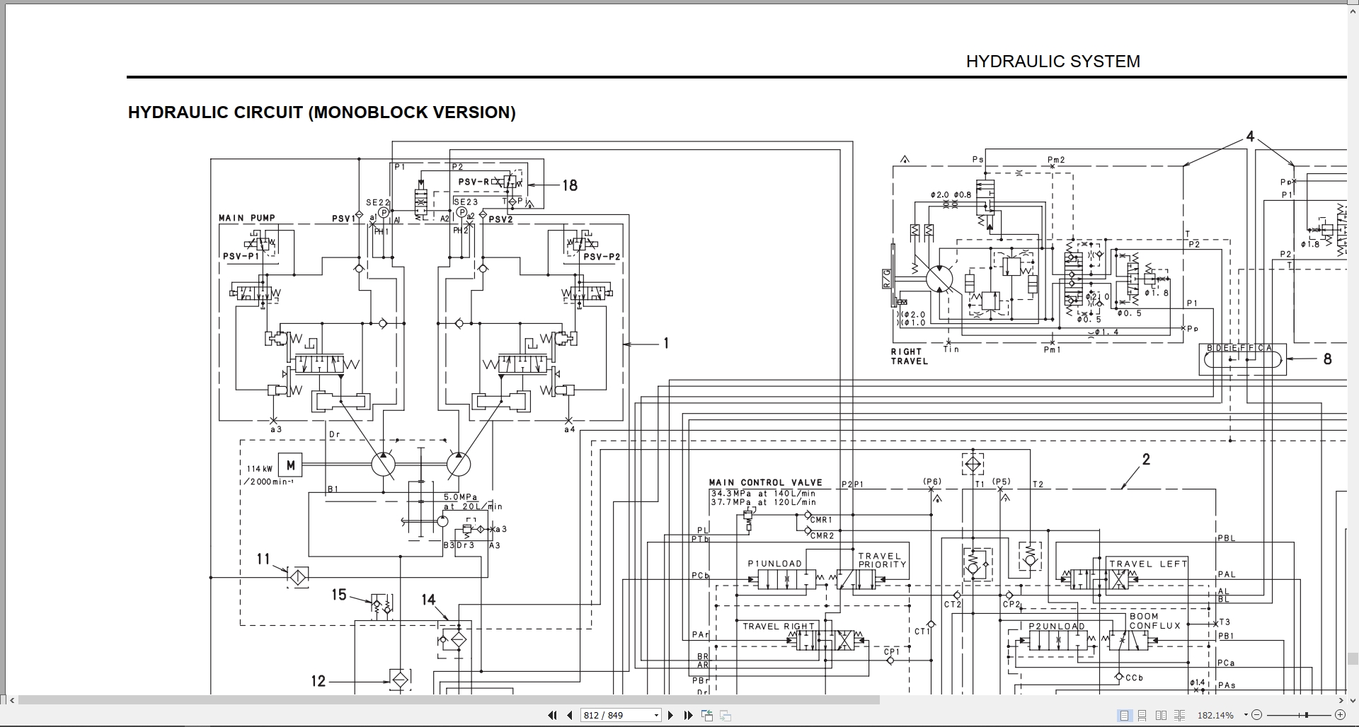
Group 2 Hydraulic System
Group 3 Electrical System
Section 3 Component Operation
Group 1 Hydraulic Pump Assy
Group 2 Pilot Valve
Group 3 Control Valve
Group 4 Swing Device
Group 5 Travel Device
Group 6 Swivel Joint
Group 7 Cylinders
Group 8 Air Conditioner System
Operational Performance Test
Section 4 Operational Performance Test
Group 1 Introduction
Group 2 Standard Performances
Group 3 Test Procedures
Group 4 Mechatro Controller
Troubleshooting
Section 5 Troubleshooting
Group 1 Troubleshooting (By Error Codes)
Group 2 Troubleshooting (By Trouble)
Group 3 Troubleshooting (Trouble Diagnosis Mode)
Repair Instructions
Section 1 General Information
Group 1 Precautions For Disassembly And Assembly
Group 2 Tightening Torque
Section 2 Upperstructure
Group 1 Upperstructure
Group 2 Pump Device
Group 3 Control Valve
Group 4 Swing Device
Group 5 Pilot Valve
Section 3 Undercarriage
Group 1 Swing Bearing
Group 2 Travel Device
Group 3 Swivel Joint
Group 4 Track Adjuster
Group 5 Front Idler
Group 6 Upper And Lower Roller
Group 7 Tracks
Section 4 Front Attachment
Group 1 Front Attachment













