✓
Expert Support
✓
Full Speed
✓
100% Working
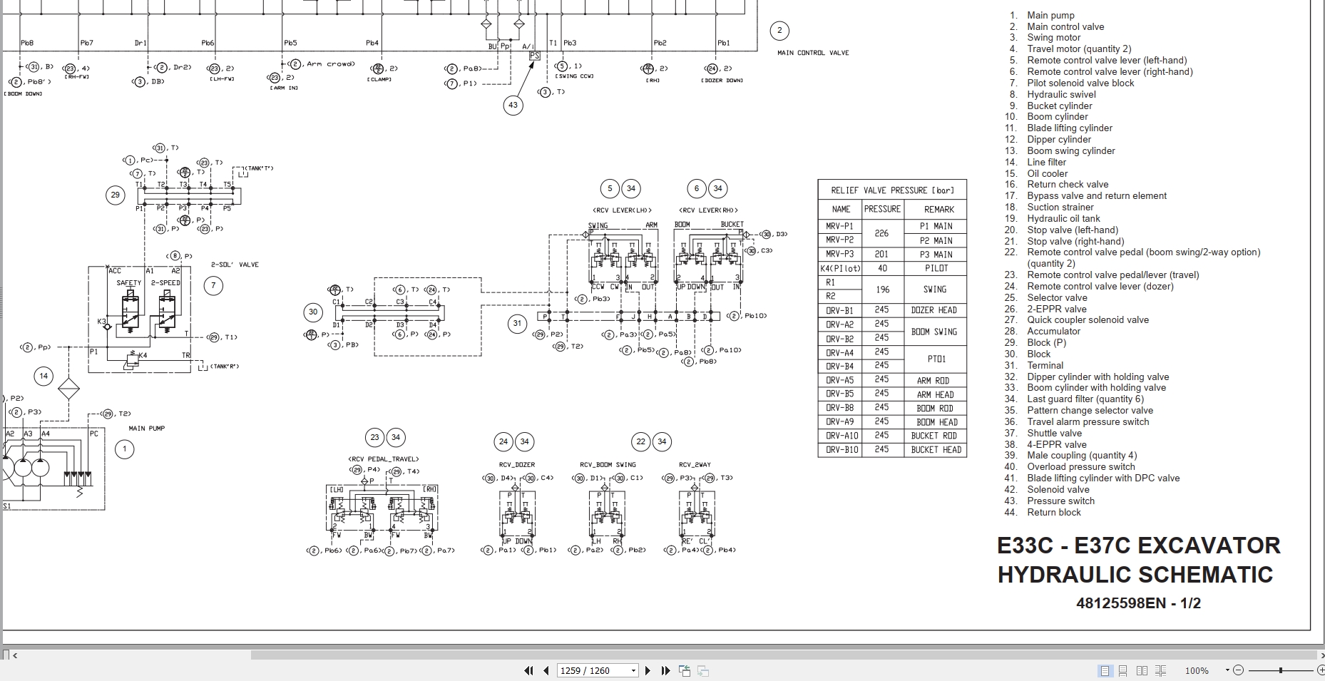
New Holland Excavator E33C Service Manual 48139718
Size: 54.80 MB
Format: PDF
Language: English
Brand: New Holland
Type of Machine: Excavator
Type of Manual: Service Manual, Electrical Schematic, Hydraulic Schematic
Model: New Holland E33C Excavator
Part Number: 48139718
Number of Pages: 1260 Pages
30 USD
- Description
Description
Contents:
Engine
Hydraulic Systems
Frames And Ballasting
Tracks And Track Suspension
Electrical Systems
Booms, Dippers, And Buckets
Dozer Blade And Arm
Platform, Cab, Bodywork, And Decals
Electrical Shematic-E33c-E37c Excavator-48125604en
Hydraulic Schematic-E33c – E37c Excavator-48125598en













