✓
Expert Support
✓
Full Speed
✓
100% Working
New Holland Loader Backhoe LB115 Repair Manual 86584406
Size: 223.94 MB
Format: PDF
Language: English
Brand: New Holland
Type of Machine: Loader Backhoe
Type of Manual: Repair Manual, Hydraulic Schematic, Electrical Schematic
Model: New Holland LB115 Loader Backhoe
Part Number: 86584406
Number of Pages: 756 Pages
30 USD
- Description
Description
Contents:
Section 1 – Engine and Fuel System
Section 2 – Electrical System
Section 3 – Transmissions
Section 4 – Rear Axle and Brakes
Section 5 – Steering and Front Axle
Section 6 – Cab and Frame
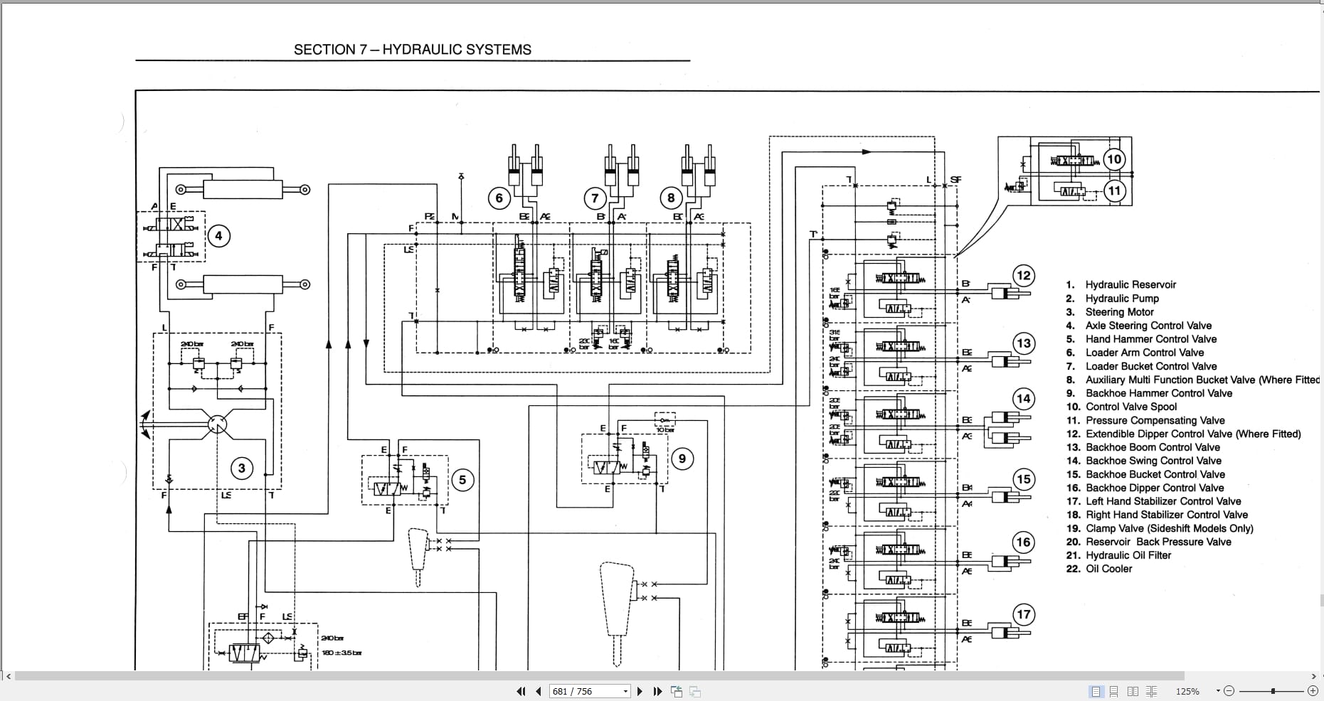
Section 7 – Hydraulic Systems













