-33%
✓
Expert Support
✓
Full Speed
✓
100% Working
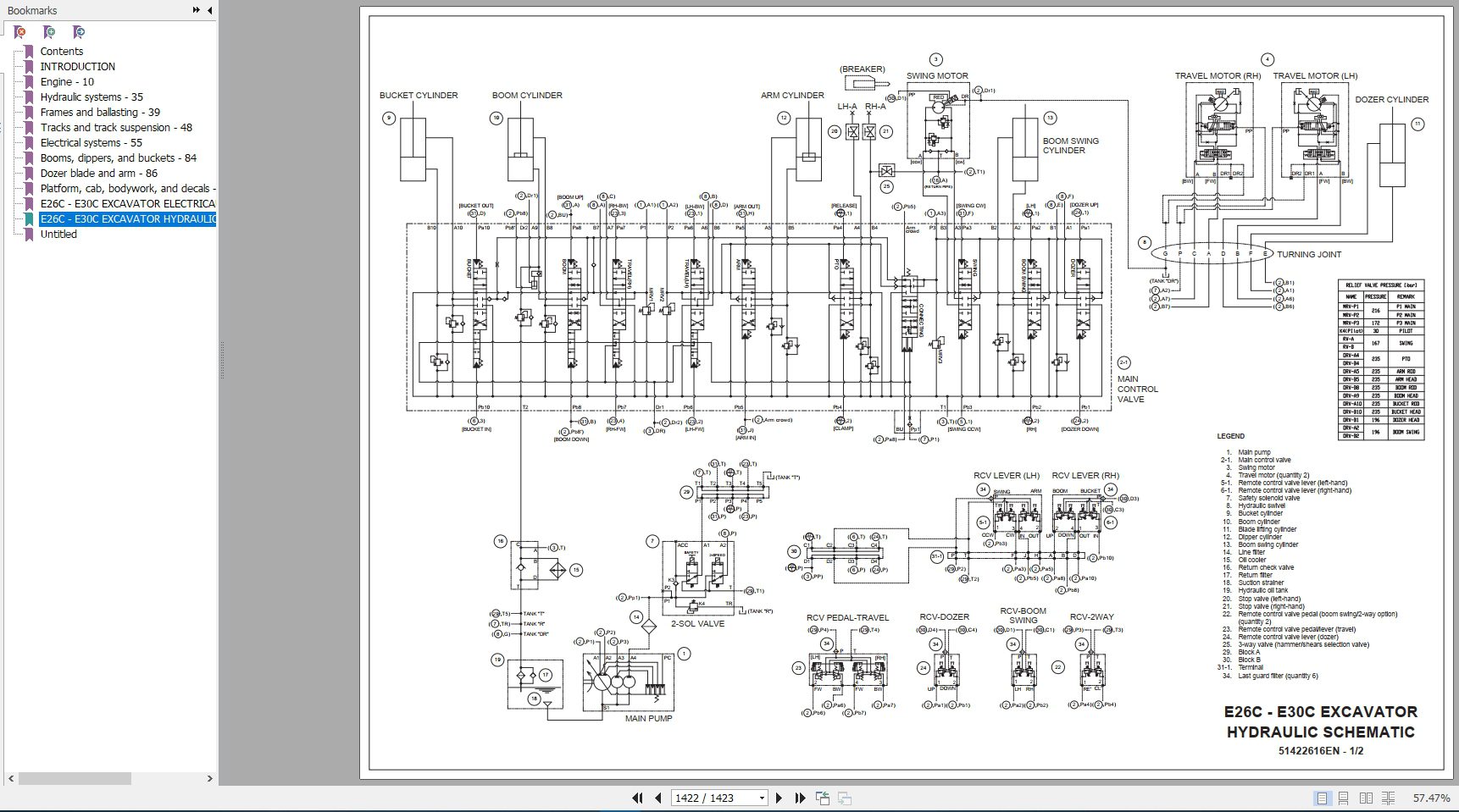
New Holland Mini Excavator E26C Service Manual_51422603
New Holland Mini Excavator E26C Service Manual_51422603
Size: 69.4 MB
Format: PDF
Language: English
Number of Pages: 1423 pages
Brand: New Holland
Type of document: Service Manual
Model: E26C
Part No: 51422603
Original price was: 30.20Current price is: 20. USD
- Description
Description
New Holland Mini Excavator E26C Service Manual_51422603
Size: 69.4 MB
Format: PDF
Language: English
Number of Pages: 1423 pages
Brand: New Holland
Type of document: Service Manual
Model: E26C
Part No: 51422603













