✓
Expert Support
✓
Full Speed
✓
100% Working
New Holland Tractor Loader Backhoe B95C to B110C Tier 4B Service Manual 48082157
Size: 16.39 MB
Format: PDF
Language: English
Brand: New Holland
Type of Machine: Tractor Loader Backhoe
Type of Manual: Service Manual, Hydraulic Schematic
Model: New Holland B95C, B95CLR, B95CTC, B110C Tier 4B Tractor Loader Backhoe
Part Number: 48082157
Number of Pages: 241 Pages
20 USD
- Description
Description
Contents:
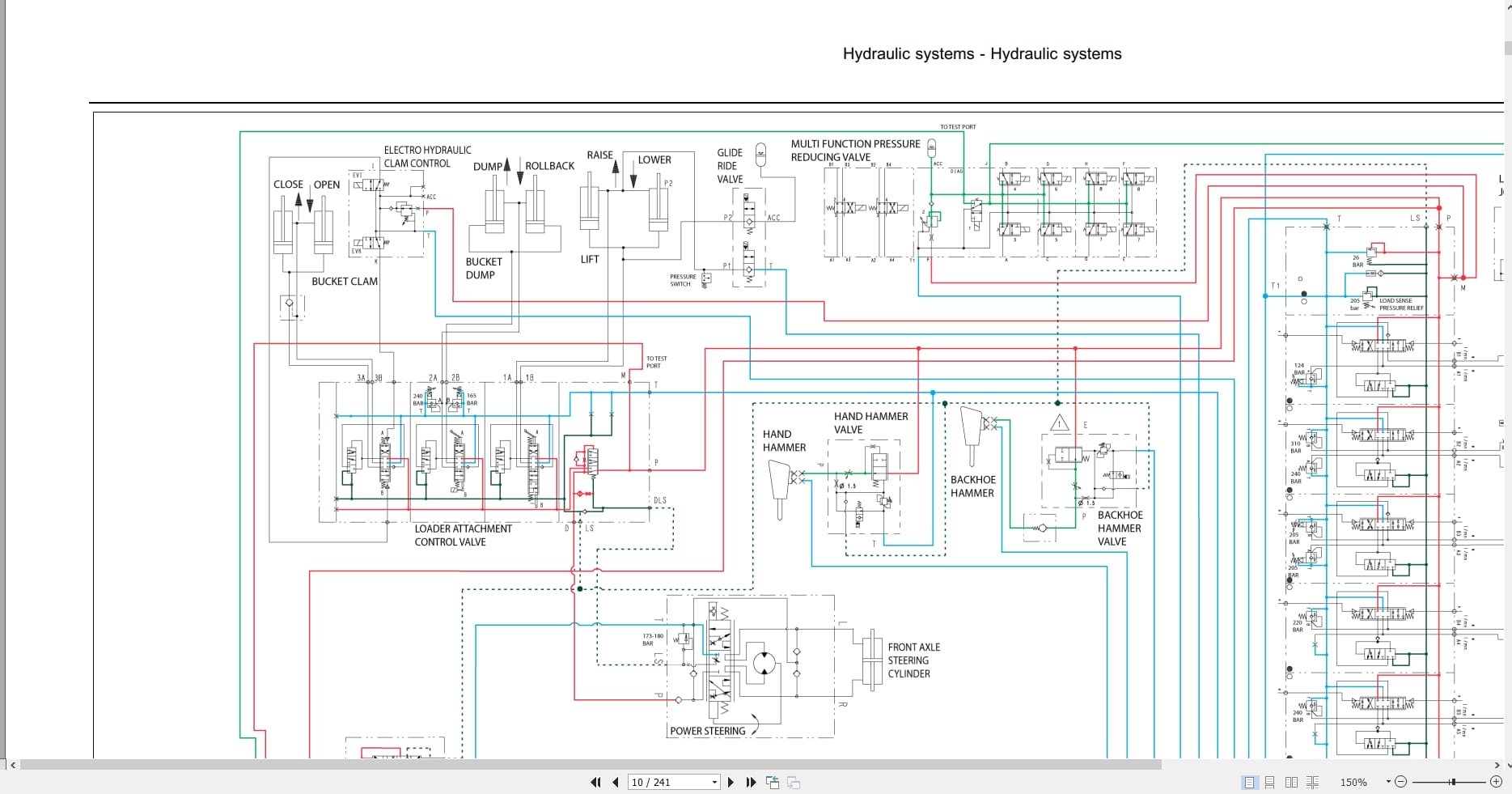
Hydraulic Systems
Hydraulic Systems
Reservoir, Cooler, And Filters
Fixed Displacement Pump
Variable Displacement Pump
Safety And Main Relief Valves
Hydraulic Hand Control
Hydraulic Swing System
Front Loader Hydraulic System Control
Front Loader Arm Hydraulic System
Front Loader Bucket Hydraulic System
Excavator And Backhoe Hydraulic Controls
Boom Hydraulic System
Dipper Hydraulic System
Excavator And Backhoe Bucket Hydraulic System
Swing Arm Hydraulic System
Stabilizer Hydraulic System
Telescopic Arm Hydraulic System












