







✓
Expert Support
✓
Full Speed
✓
100% Working
New Holland Wheel Loader W130C Tier 4 Service Manual 47387716B
Size: 124.92 MB
Format: PDF
Language: English
Brand: New Holland
Type of Machine: Wheel Loader
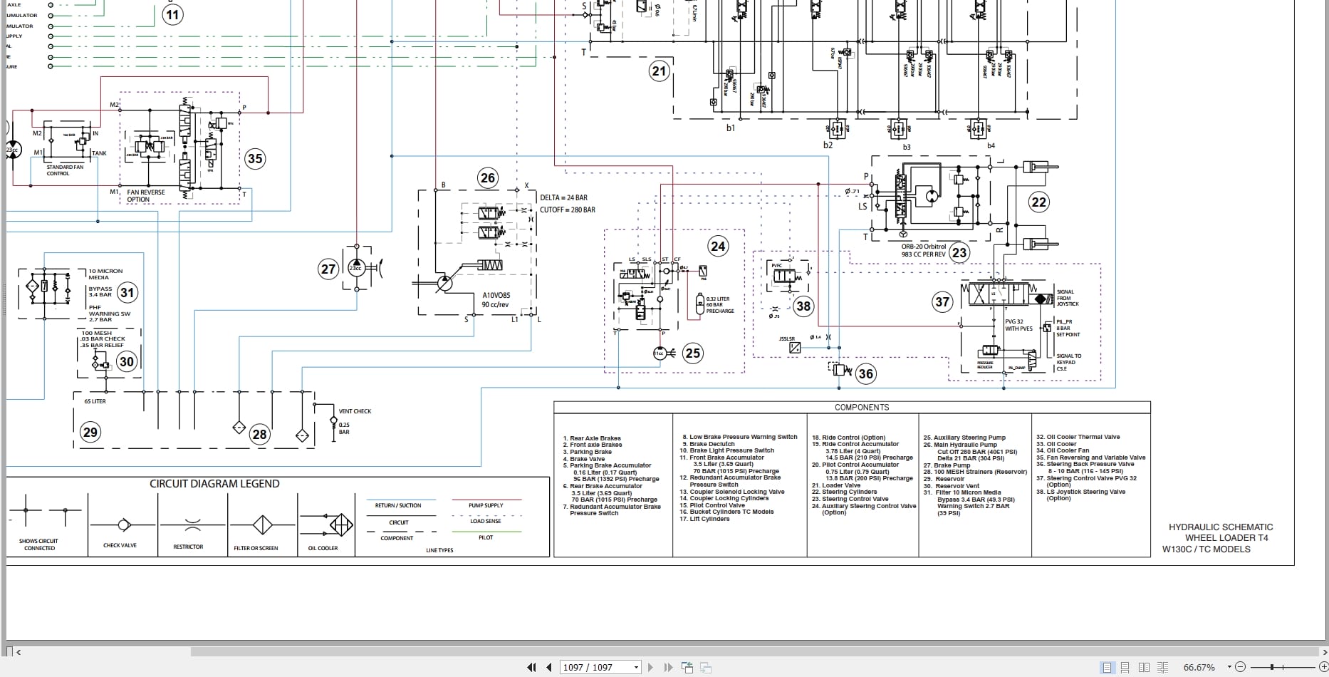
Type of Manual: Service Manual, Hydraulic Schematic, Electrical Schematic
Model: New Holland W130C Tier 4 Wheel Loader
Part Number: 47387716B
Number of Pages: 1097 Pages
30 USD
- Description
Description
Contents:
General
Engines
Electrical
Steering
Power Train
Brakes
Hydraulics
Mounted Equipment
Related Products
-
New Holland Construction Equipment Telehandlers Service Manuals
0 out of 5New Holland Construction Equipment Telehandlers Service ManualsSize: 3.3GbLanguage: EnglishBrand: New HollandType of Machine: Construction Equipment TelehandlersType of Document: Service ManualWindows: All Window 32 & 64bitFormat Document: pdfHigh Speed Link DownloadJust download and use no need installNote: Read clear descryption and contents first122100 USDHot-18%
REALEASE :
08.06.2019
REALEASE :
08.06.2019
-
New Holland CE Construction 2022 PDF Service Manual
0 out of 5USDNew Holland CE Construction 2022 PDF Service ManualLanguage: English, German, Multi-Language…Brand: Kobelco Heavy EquipmentType of machine: Kobelco Heavy Equipment MachineryType of document: Service ManualWindows: All Windows 32 & 64bit, MAC OSFormat document: PDF1. You can see some models clear in this list2. If you need to exchange so contact us3. If you need one model so contact usWrite us detail here: We have full all modelItem Number:…………………….Description:…………………….Language:…………………….Type:…………………….Model:…………………….CONTACT US FOR PAYMENT:Skype: AutoepcserviceWhatsapp: https://wa.me/message/LXJU2U6GMOV4E1Email: admin@autoepcservice.com or autoepcservice@gmail.comWorking Days/Hours: [Mon-Sat]/[8:00AM-20:00PM]WeChat ID: AUTOEPCSERVICEFanpage: https://www.facebook.com/Autoepcsoftware/REALEASE :
13.04.2022
-
New Holland Construction Equipment Excavator Service Manuals DVD
0 out of 5New Holland Construction Equipment Excavator Service Manuals DVDSize: 5.72GbLanguage: EnglishBrand: New HollandType of Machine: Construction Equipment ExcavatorType of Document: Service ManualWindows: All Window 32 & 64bitFormat Document: pdfHigh Speed Link DownloadAmount of DVD: 1 DVDJust download and use no need installNote: Read clear descryption and contents first178120 USDHot-33%
REALEASE :
08.06.2019
REALEASE :
08.06.2019
-
New Holland Construction Equipment Dozer Service Manuals
0 out of 5New Holland Construction Equipment Dozer Service ManualsSize: 1.89GbLanguage: EnglishBrand: New HollandType of Machine: Construction Equipment DozerType of Document: Service ManualWindows: All Window 32 & 64bitFormat Document: pdfHigh Speed Link DownloadJust download and use no need installNote: Read clear descryption and contents first122100 USDHot-18%
REALEASE :
08.06.2019
REALEASE :
08.06.2019
-
New Holland AG AGRICULTURE Updated 04.2020 170GB Service Manual PDF
0 out of 5New Holland AG AGRICULTURE Service Manual PDF Updated 04.2020 170GBSize: 170GbLanguage: EnglishBrand: New Holland AGRICULTUREType of machine: New Holland NAFTA AGRICULTUREType of document: Service ManualNew Model updatedWindows: All Window 32 & 64bitFormat document: pdfAmount of DVD: 1 DVDTotal file: 1750 file pdf only Service ManualUpdated [04.2020]High Speed Link Download1,000400 USDHot-60%
REALEASE :
04.05.2020
REALEASE :
04.05.2020
-
New Holland Construction Service Manual 3.9GB PDF DVD Updated [11.2020]
0 out of 5New Holland Construction Service Manual 3.9GB PDF DVD Updated [11.2020]Size: 3.9 GB PackTotal: 84 ManualsLanguage: EnglishBrand: New HollandType of machine: New Holland ConstructionType of document: Service ManualNew Model updated 01.2019-11.2020Windows: All Window 32 & 64bitFormat Document: pdfAmount of DVD: 1 DVDHigh speed link download300250 USDHot-17%
REALEASE :
17.11.2020
REALEASE :
17.11.2020
-
New Holland AG Agricultural Tractor 2022 PDF Service Manual
0 out of 5USDNew Holland AG Agricultural Tractor 2022 PDF Service ManualLanguage: English, German, Multi-Language…Brand: Kobelco Heavy EquipmentType of machine: Kobelco Heavy Equipment MachineryType of document: Service ManualWindows: All Windows 32 & 64bit, MAC OSFormat document: PDF1. You can see some models clear in this list2. If you need to exchange so contact us3. If you need one model so contact usWrite us detail here: We have full all modelItem Number:…………………….Description:…………………….Language:…………………….Type:…………………….Model:…………………….CONTACT US FOR PAYMENT:Skype: AutoepcserviceWhatsapp: https://wa.me/message/LXJU2U6GMOV4E1Email: admin@autoepcservice.com or autoepcservice@gmail.comWorking Days/Hours: [Mon-Sat]/[8:00AM-20:00PM]WeChat ID: AUTOEPCSERVICEFanpage: https://www.facebook.com/Autoepcsoftware/REALEASE :
13.04.2022
-
New Holland Construction Equipment Backhoe Loader Service Manuals
0 out of 5New Holland Construction Equipment Backhoe Loader Service ManualsSize: 3.04GbLanguage: EnglishBrand: New HollandType of Machine: Construction Equipment Backhoe LoaderType of Document: Service ManualWindows: All Window 32 & 64bitFormat Document: pdfHigh Speed Link DownloadAmount of DVD: 1 DVDJust download and use no need installNote: Read clear descryption and contents first110100 USDHot-9%
REALEASE :
08.06.2019
REALEASE :
08.06.2019



