-33%
✓
Expert Support
✓
Full Speed
✓
100% Working
Nissan Forklift 1W1 1W2 Service Manual 2008
Nissan Forklift 1W1 1W2 Service Manual 2008
Size: 69.1 MB
Format: PDF
Language: English
Brand: Nissan
Type of Machine: Forklift
Type of Manual: Service Manual
Model: Nissan 1W1 1W2 Forklift
Date: 2008
Number Of Pages: 314 Pages
Original price was: 30.20Current price is: 20. USD
- Description
Description
Nissan Forklift 1W1 1W2 Service Manual 2008
Size: 69.1 MB
Format: PDF
Language: English
Brand: Nissan
Type of Machine: Forklift
Type of Manual: Service Manual
Model: Nissan 1W1 1W2 Forklift
Date: 2008
Number Of Pages: 314 Pages
Contents:
Introduction
General Information
Maintenance
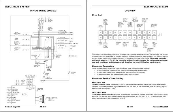
Electrical System
Drive Assembly (Transmission)
Motor (Traction)
Brake System
Steer Assembly
Hydraulic Components
Load Carrying Device
Body & Frame













