Expert Support
Full Speed
100% Working
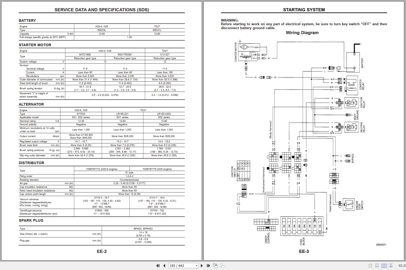
Nissan Forklift D01 D02 Series Service Manual And Technical Bulletin
20 USD
- Description
Description
List of Files:
Forklift D01 D02 Series Service Manual And Technical Bulletin SM99E-D12SE0.pdf
-Bulletins_BE
D01 D02 Series Technical Bulletin FGI 00-D01.pdf
DX Series Minor Change Technical Bulletin TB-DX-BE-0501.pdf
-Bulletins_GI
D01 D02 Series General Information Technical Bulletin FGI 00-D01.pdf
D02 3.2ton Model D01 D02 Series General Information Technical Bulletin FGI 02-D01.pdf
-Bulletins_HD
D01 D02 1D1 1D2 Mast Interchangeability Service Bulletin SB-DX-HD-0801.pdf
-Bulletins_LM
D01 D02 1D1 1D2 Mast Interchangeability Service Bulletin SB-DX-LM-0801.pdf
-Bulletins_MA
All Model Coolant Antifreeze Used For Aluminum Radiators And_Or Other Aluminum Parts Service Bulletin SB 0408.pdf
D02 3.2 Ton Model D01 D02 Series Maintenance Technical Bulletin FMA 02-D01.pdf












