Expert Support
Full Speed
100% Working
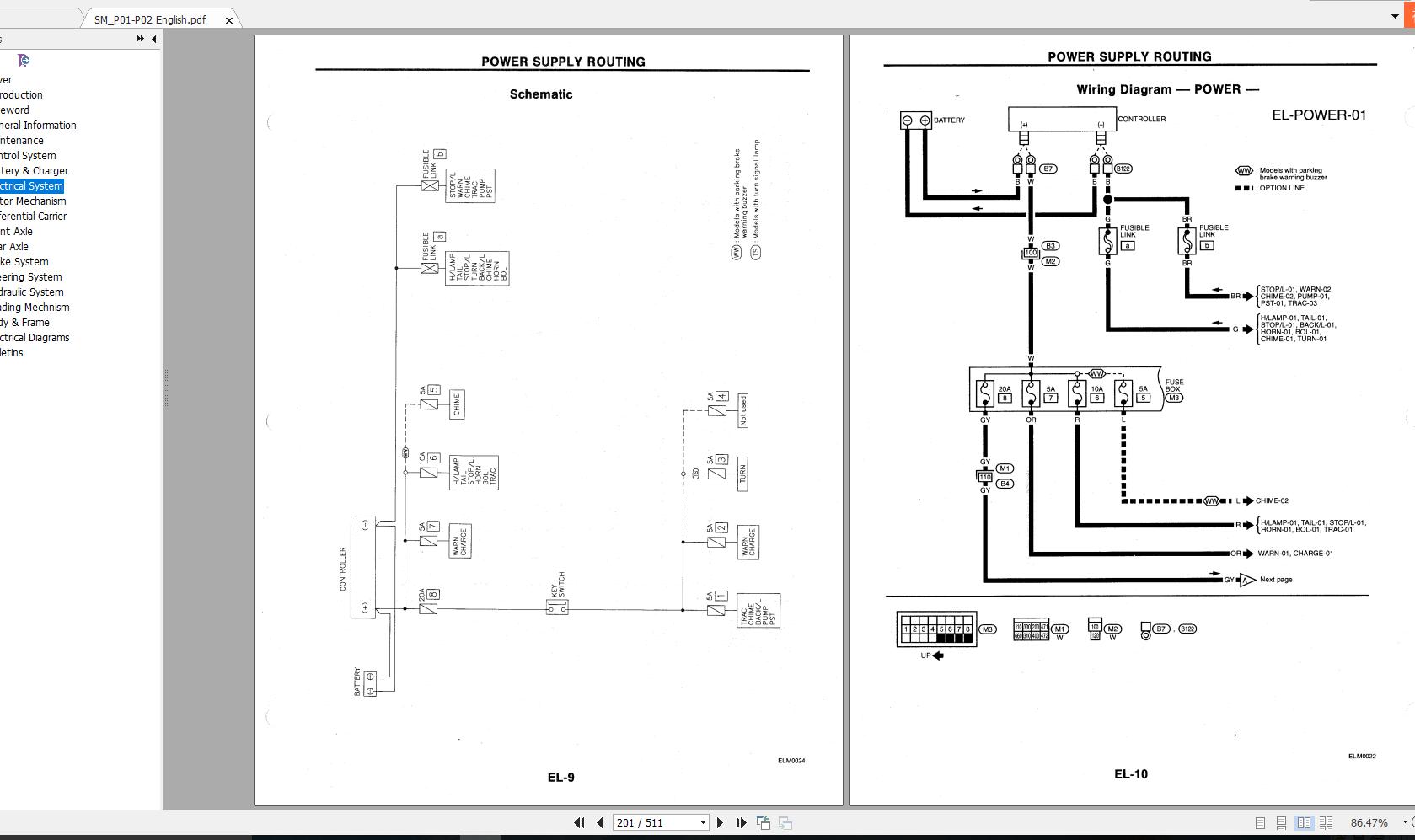
Nissan Forklift Electric P01_P02 Series Service Manual_EN
20 USD
- Description
Description
Nissan Forklift Electric P01_P02 Series Service Manual_EN
Size : 30.1 MB
Format : PDF
Language : English
Brand: Nissan
Type of machine: Forklift Electric
Type of document: Service Manual – Service Bulletin – Diagram
Model: Nissan Forklift P01 Series Service Manual – Nissan Forklift P02 Series Service Manual
– Cover
– Introduction
– Foreword
– General Information
– Maintenance
– COntrol System
– Battery & Charger
– Electrical System
– Motor Mechanism
– Differential Carrier
– Front Axle
– Rear Axle
– Brake System
– Steering System
– Hydraulic System
– Loading Mechnism
– Body & Frame
– Electrical Diagrams
– Bulletins
FBC 01-P01
FCS 00-P01
FCS 01-P01
FCS 96-B01
FCS 97-P01
P02 SB Explanation Controller self check
SB0409-PS P0X current setting
FGI 01-P01
FHD 01-P01
FLM 01-P01
FMA 01-P01
FMA 96-B01
FMM 01-P01














