-29%
✓
Expert Support
✓
Full Speed
✓
100% Working
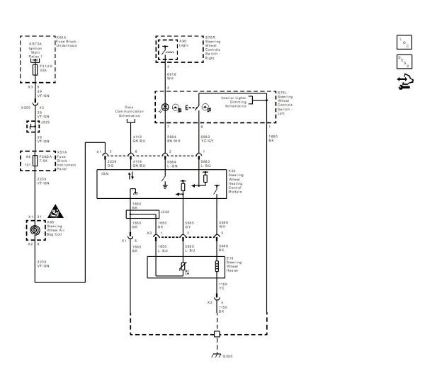
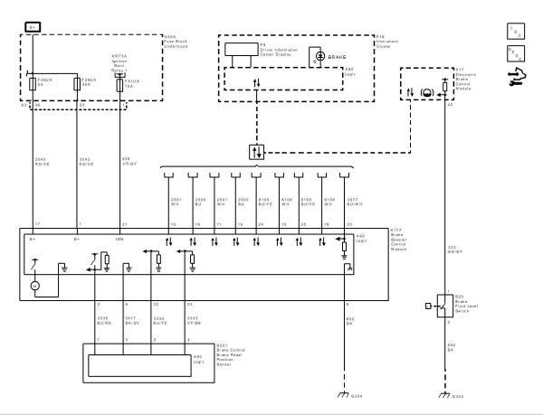
Opel GM Ampera E 2019 Wiring Diagrams
Opel Wiring Diagrams for repair and maintenance vehicle pdf file.
Original price was: 70.50Current price is: 50. USD
- Description
Description
Opel GM Ampera E 2019 Wiring Diagrams
Size: 7.22 MB
Brand: Opel
Format: PDF, CGM
Type of Machine: Automobile
Type of Document: Wiring Diagrams
Model: 2019 Opel GM Ampera E













