-29%
✓
Expert Support
✓
Full Speed
✓
100% Working
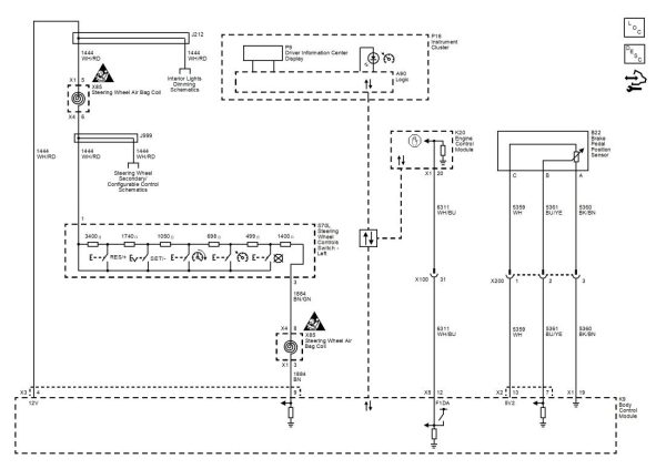
Opel Karl 2018 Electrical Wiring Diagrams & Component Locations
Opel Wiring Diagrams for repair and maintenance vehicle pdf file.
Original price was: 70.50Current price is: 50. USD
- Description
Description
Opel Karl 2018 Electrical Wiring Diagrams & Component Locations
Size: 69.1 MB
Brand: Opel
Format: PDF, CGM, XPS, HTM
Type of Machine: Automobile
Type of Document: Electrical Wiring Diagrams, Component Locations
Model: 2018 Opel Karl













