-40%
✓
Expert Support
✓
Full Speed
✓
100% Working
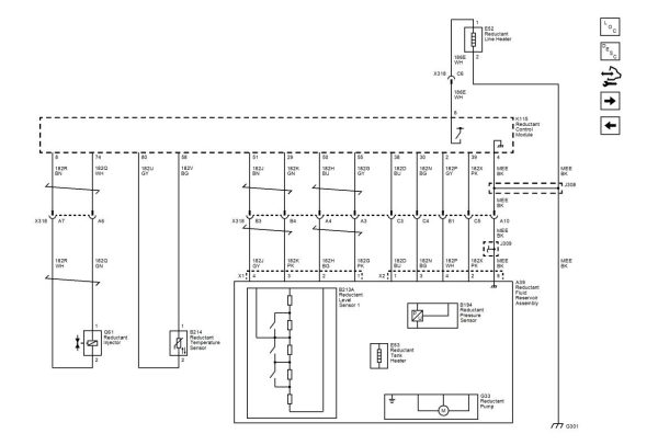
Opel Movano B 2017 Electrical Wiring Diagrams
Opel Wiring Diagrams for repair and maintenance vehicle pdf file.
Original price was: 50.30Current price is: 30. USD
- Description
Description
Opel Movano B 2017 Electrical Wiring Diagrams
Size: 10.2 MB
Brand: Opel
Format: PDF, CGM
Type of Machine: Automobile
Type of Document: Electrical Wiring Diagrams
Model: 2017 Opel Movano B













