✓
Expert Support
✓
Full Speed
✓
100% Working
Raymond Sit-Down Counterbalanced 4700 Maintenance Manual 1160093A 2013
Size: 14.55 MB
Format: PDF
Language: English
Brand: Raymond
Type of Machine: Sit-Down Counterbalanced
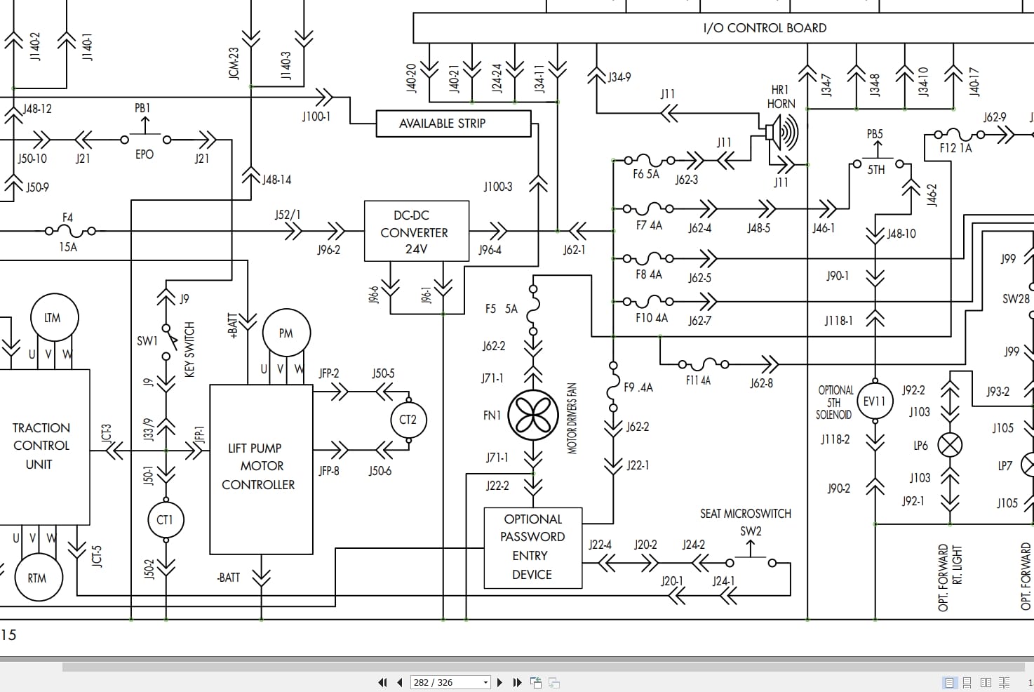
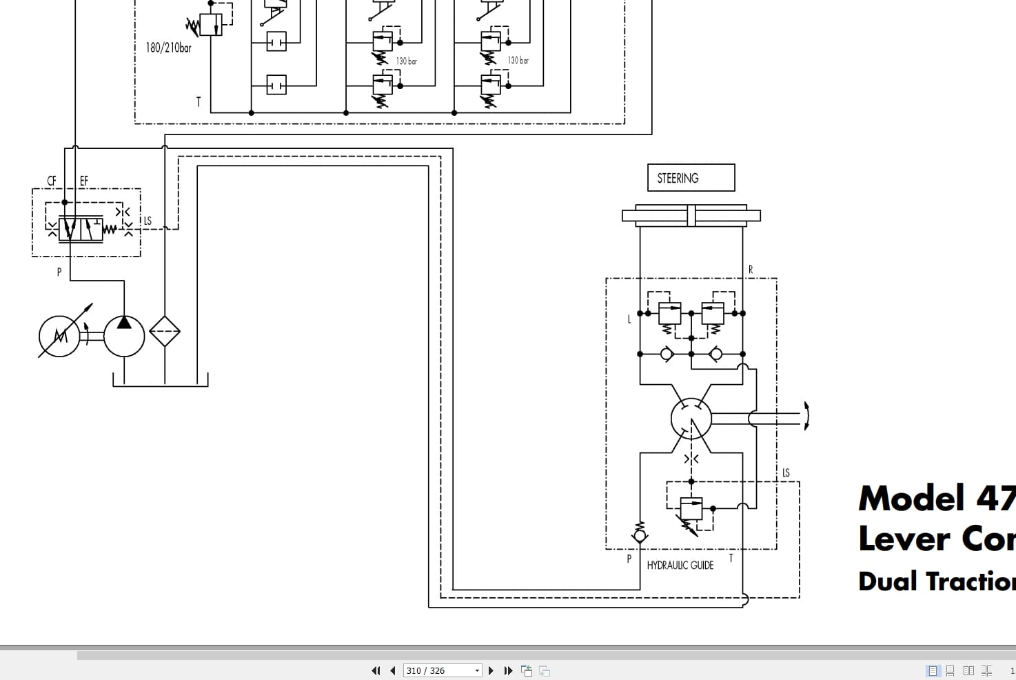
Type of Manual: Maintenance Manual, Electrical Schematic, Hydraulic Schematic
Model: Raymond 4700 Sit-Down Counterbalanced
4700 C30, 4700 C40, 4700 C50, 4700 C50HM, 4700 C50HP, 4700 C50L, 4700 C60
Serial Number: 470-06-XX00001 and up
Part Number: 1160093A
Publication Date: 2013
Number of Pages: 326 Pages
20 USD
- Description
Description
Contents:
Section 1. How to Use This Manual
Section 2. Safety
Section 3. Systems Overview
Section 4. Scheduled Maintenance
Section 5. Troubleshooting
Section 6. Messages and Codes
Section 7. Component Procedures
Section 8. Theory of Operation
Section A. Appendix
Section I. Index
Schematics
RSIs













