✓
Expert Support
✓
Full Speed
✓
100% Working
Sany Excavator SY16C Shop Manual EN
Size: 19.49 MB
Format: PDF
Language: English
Brand: Sany
Type of Machine: Excavator
Type of Manual: Shop Manual
Model: Sany SY16C Excavator
Publication Date: 2014
Number of Page: 454 Pages
30 USD
- Description
Description
Contents:
1 Introduction
2 Shop Safety
3 Specifications
4 Structure And Functions
5 Standard Values
6 Testing And Adjusting
7 Troubleshooting
8 Disassembly And Assembly
9 Maintenance Standard
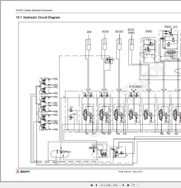
10 System Schematics















