✓
Expert Support
✓
Full Speed
✓
100% Working
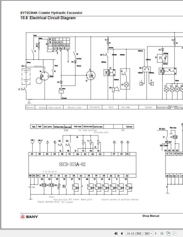
Sany Excavator SY75C Shop Manual EN
Size: 28.09 MB
Format: PDF
Language: English
Brand: Sany
Type of Machine: Excavator
Type of Manual: Shop Manual
Model: Sany SY75C Excavator
Number of Page: 583 Pages
30 USD
- Description
Description
Contents:
1 Introduction
2 Shop Safety
3 Specifications
4 Structure And Function
5 Standard Values
6 Testing And Adjusting
7 Troubleshooting
8 Disassembly And Assembly
9 Maintenance Standard
10 Miscellaneous















