✓
Expert Support
✓
Full Speed
✓
100% Working
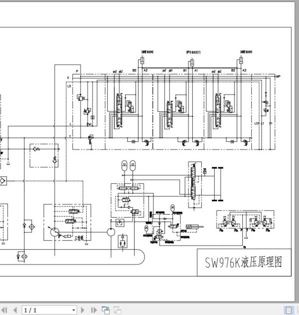
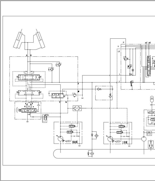
Sany Wheel Loader SW976K Hydraulic Schematic ZH
20 USD
- Description
Description
Format: PDF
Size: 0.10 MB
Language: Chinese
Brand: Sany
Type of Machine: Wheel Loader
Type of Manual: Hydraulic Schematic
Model: Sany SW976K Wheel Loader
Number of Pages: 1 Pages













