-50%
✓
Expert Support
✓
Full Speed
✓
100% Working
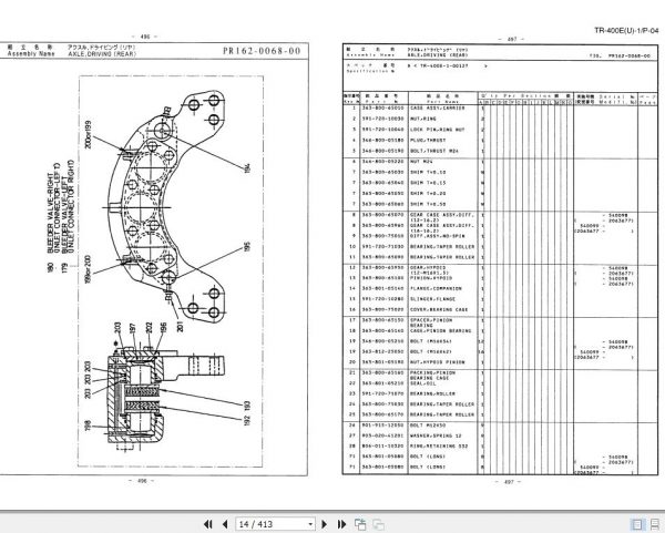
Tadano Rough Terrain Crane TR-400E(U)-1_P-04 Parts Catalog EN+JP
Tadano Rough Terrain Crane TR-400E(U)-1_P-04 Parts Catalog EN+JP
Size : 15.3 MB
Format : PDF
Language : English, Japanese
Brand: Tadano
Type of machine: Rough Terrain Crane
Type of document: Parts Catalog
Model: Tadano TR-400E(U)-1 Rough Terrain Crane
Date: 1996
Number of Pages: 413 Pages
Serial Number: 540025
Information No: TR-400E(U)-1_P-04
10 USD
- Description
Description
Tadano Rough Terrain Crane TR-400E(U)-1_P-04 Parts Catalog EN+JP
Size : 15.3 MB
Format : PDF
Language : English, Japanese
Brand: Tadano
Type of machine: Rough Terrain Crane
Type of document: Parts Catalog
Model: Tadano TR-400E(U)-1 Rough Terrain Crane
Date: 1996
Number of Pages: 413 Pages
Serial Number: 540025
Information No: TR-400E(U)-1_P-04















