









Expert Support
Full Speed
100% Working
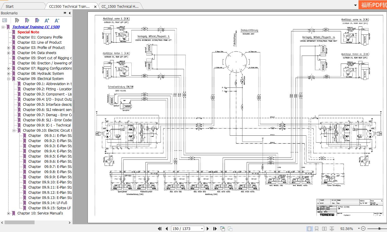
Terex Crane CC1500 Technical Training Manual
60 Original price was: 60.50Current price is: 50. USD
- Description
Description
Terex Crane CC1500 Technical Training Manual
Size: 41 MB
Format: PDF
Language: English-Deutsch
Brand: Terex
Type of document: Technical Training
Model: Terex Demag CC1500 Crawler Crane
Contents:
– CC_1500 Technical Handbook_IC-1
– CC1500 Technical Training Manual_EN
Related Products
-
Terex Mobile Crane AC40 Optimax (X7444086-a) Worskhop Manual, Spare Parts and Diagram Schematic
0 out of 5Terex Mobile Crane AC40 Optimax (X7444086-a) Worskhop Manual, Spare Parts and Diagram SchematicSize: 150 mbLanguage: EN_FRFormat: PDFModel: AC40 Optimax (X7444086-a)Type of machine: Terex Mobile CraneType of document: Worskhop Manual, Spare Parts and Diagram SchematicWindow: All Window 32 & 64 bitDetail Contents: -Spare Parts-Manual of Conduct•Information•Presentation•Safety Rules•Driving control•Maintenance•Fuels- Lubrifiants•Load Moment Indicator :•Diagrams•Maintenance Booklet•Annexes•Special Studies Products-> Engine maintenance booklet -Load of Curbes-Reaction-Contact200Original price was: 200.115Current price is: 115. USDHot-43%
REALEASE :
21.10.2020
REALEASE :
21.10.2020
-
Terex Mobile Crane A600 60 ton Workshop Manual, Spare Parts and Hydraulic Diagram EN IT FR
0 out of 5Terex Mobile Crane A600 60 ton Workshop Manual, Spare Parts and Hydraulic Diagram EN IT FRSize: 93.5 MBLanguage: English, Italian, FrenchFormat: PDFType of Machine: Terex Mobile CraneType of Manual: Workshop Manual, Spare Parts Catalog, Operation and Maintenance, Hydraulic Diagram, Pneumatic Diagram.Model: A600 60 tonWindow: All Window 32 & 64 bit Detail Contents:1/ Operation & Maintenance I. Characteristics II. Instructions III. Safety and operation IV. Control instruments V. Accessories VI. Maintenance Hydraulic diagrams Pneumatic diagrams VIII. Motor Lifting winches Axles 2/ Lifting capacity chart3/ Spare Parts200Original price was: 200.100Current price is: 100. USDHot-50%
REALEASE :
21.10.2020
REALEASE :
21.10.2020
-
Terex Mobile Crane RC45_EN_IT_FR 45 ton Worskhop Manual, Spare Parts and Diagram Schematic
0 out of 5Terex Mobile Crane RC45_EN_IT_FR 45 ton Worskhop Manual, Spare Parts and Diagram SchematicSize: 95 mbLanguage: EN_IT_FRFormat: PDFModel: RC45 45 tonType of machine: Terex Mobile CraneType of document: Worskhop Manual, Spare Parts and Diagram SchematicWindow: All Window 32 & 64 bit Detail Contents:1/ Operation & MaintenanceI. CharacteristicsII. InstructionsIII. Safety and operationIV. Control instrumentsV. AccessoriesVI. MaintenanceVII. Wiring diagramsHydraulic diagramsPneumatic diagramsVIII. MotorLifting winchesAxles 2/ Lifting capacity chart3/ Spare Parts200Original price was: 200.70Current price is: 70. USDHot-65%
REALEASE :
21.10.2020
REALEASE :
21.10.2020
-
Terex Demag Mobile Crane 551186 AC60-3 EN13000 Shop Manual_FR_EN-2016
0 out of 5Terex Demag Mobile Crane 551186 AC60-3 EN13000 Shop Manual_FR_EN-2016Size : 113 MBFormat : PDFLanguage : English, FrenchBrand: Terex DemagType of machine: CraneType of document: Hydraulic & Electrical Schematic,Pneumatic,Spare Parts Catalogue,Maintenance and Operation ManualModel: Terex Demag Mobile Crane 551186 AC60-3 EN13000Date: 2016Content:551186 FC AC40-2L FICHE COMPOSANTS BASE.pdf551186_AC60_3 EN13000_Spare Parts Catalogue.pdfCR107894f_Schematic Pneumatic.pdfCR108136a_Schematic Option.pdfCR108573eGB_Schematic Electrical.pdfCR108680g_Schematic Hydraulic.pdfE7244084j_Maintenance and Operation Manual_EN.pdf200Original price was: 200.120Current price is: 120. USDHot-40%
REALEASE :
09.12.2021
REALEASE :
09.12.2021
-
Terex Mobile Crane A350_EN_IT_FR 35 ton Worskhop Manual, Spare Parts and Diagram Schematic
0 out of 5Terex Mobile Crane A350_EN_IT_FR 35 ton Worskhop Manual, Spare Parts and Diagram SchematicSize: 107 mbLanguage: EN_IT_FRFormat: PDFModel: A350 35 tonType of machine: Terex Mobile CraneType of document: Worskhop Manual, Spare Parts and Diagram SchematicWindow: All Window 32 & 64 bitDetail Contents:1/ Operation & MaintenanceI. CharacteristicsII. InstructionsIII. Safety and operationIV. Control instrumentsV. AccessoriesVI. MaintenanceVII. Wiring diagramsHydraulic diagramsPneumatic diagramsVIII. MotorLifting winchesAxles 2/ Lifting capacity chart3/ Spare Parts200Original price was: 200.100Current price is: 100. USDHot-50%
REALEASE :
21.10.2020
REALEASE :
21.10.2020
-
Terex Demag Crawler Crane CC8800_1250T Part Manual Operator Technical Manual & Schematic Diagram
0 out of 5Terex Demag Crawler Crane CC8800 Part Manual Operator Technical Manual & Schematic Diagram_1250TSize: 365 MBFormat: PDFLanguage: EnglishBrand: TerexType of machine: Crawler CraneModel: CC8800Capacity: 1250T300Original price was: 300.180Current price is: 180. USDHot-40%
REALEASE :
28.10.2020
REALEASE :
28.10.2020
-
Terex Mobile Crane RC35_EN_IT_FR 35 ton Worskhop Manual, Spare Parts and Diagram Schematic
0 out of 5Terex Mobile Crane RC35_EN_IT_FR 35 ton Worskhop Manual, Spare Parts and Diagram SchematicSize: 127 mbLanguage: EN_IT_FRFormat: PDFModel: RC35_35 tonType of machine: Terex Mobile CraneType of document: Worskhop Manual, Spare Parts and Diagram SchematicWindow: All Window 32 & 64 bit Detail Contents:1/ Operation & MaintenanceI. CharacteristicsII. InstructionsIII. Safety and operationIV. Control instrumentsV. AccessoriesVI. MaintenanceVII. Wiring diagramsHydraulic diagramsPneumatic diagramsVIII. MotorLifting winchesAxles 2/ Lifting capacity chart3/ Spare Parts200Original price was: 200.100Current price is: 100. USDHot-50%
REALEASE :
21.10.2020
REALEASE :
21.10.2020
-
Terex Mobile Crane A300_EN_IT_FR 30 ton Worskhop Manual, Spare Parts and Diagram Schematic
0 out of 5Terex Mobile Crane A300_EN_IT_FR 30 ton Worskhop Manual, Spare Parts and Diagram SchematicSize: 117 mbLanguage: EN_IT_FRFormat: PDFModel: Terex Mobile Crane A300 30 tonType of machine: Terex Mobile CraneType of document: Worskhop Manual, Spare Parts and Diagram SchematicWindow: All Window 32 & 64 bitDetail Contents:1/ Operation & MaintenanceI. CharacteristicsII. InstructionsIII. Safety and operationIV. Control instrumentsV. AccessoriesVI. MaintenanceVII. Wiring diagramsHydraulic diagramsPneumatic diagramsVIII. MotorLifting winchesAxles2/ Lifting capacity chart3/ Spare Parts200Original price was: 200.100Current price is: 100. USDHot-50%
REALEASE :
21.10.2020
REALEASE :
21.10.2020

