Expert Support
Full Speed
100% Working
Tesla Model Y LHD and RHD Circuit Diagram 01.2022-05.2023
30 USD
- Description
Description
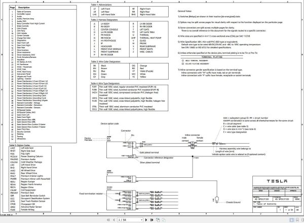
Contents:
Table of Contents
Controller Layout
Audio
Audio, Premium Amp
Audio, RHD
Body Controller Front High Current
Brake Controls
CAN Chassis
CAN Party
CAN Vehicle
Center Console
Charge Port Inlet
Diagnostics
Door Front Left
Door Front Right
Door Rear
Drive Inverters
Driver Assistance
Driver Assistance, RHD
Frunk Actuators/Sensors
Headliner
HV Battery & HVIL
HV Penthouse
HVAC – Powertrain
HVAC Case
HVAC Heat Pump
Instrument Panel
Liftgate and Trunk
Lighting – Exterior
Power Distribution, E-Fuse VCFront 1/2
Power Distribution, E-Fuse VCFront 2/2
Power Distribution, E-Fuse VCLeft 1/2
Power Distribution, E-Fuse VCLeft 2/2
Power Distribution, E-Fuse VCRight 1/2
Power Distribution, E-Fuse VCRight 2/2
Power Distribution, Grounding Cabin
Power Distribution, Grounding Frunk
Power Distribution, Grounding Liftgate
Restraint Controller – Airbags
Restraint Controller – Retractors
Restraint Controller – Sensors
RF/Special Cables
RF/Special Cables, RHD
Seats Front Left
Seats Front Right
Seats Second Row 40%
Seats Second Row 60%
Seats Second Row Cushion 5-Seater
Seats Second Row Cushion 7-Seater
Seats Third Row
Security Controls
Steering
Towing
Ultrasonics













