Expert Support
Full Speed
100% Working
Volvo Drum Compactor DD100HF Service Repair Manual
50 USD
- Description
Description
Contents:
1 Volvo DD100HF
A few simple safety rules
Air cleaner primary filter, cleaning
Air cleaner system, checking
Air cleaner vacuum indicator, replacing
Air cleaner, installing
Air cleaner, primary filter replacing
Air cleaner, removing
Air cleaner, secondary filter replacing
Alternator, description
Auto vibration control relay, replacing
Back up alarm, replacing
Back-up alarm, specifications
Ball valve, replacing
Batteries, replacing
Battery cable +, replacing
Battery cable negative, replacing
Battery condition, check
Battery description
Battery storage
Battery, charging
Battery, check
Battery, maintenance
Battery, specifications 1
Battery, specifications 2
Before operating
Before service, read
Brake solenoid valve, replacing
Brake, description
Brake, specifications
Breather for the pump gearbox
Carrier bearings, replacing
Carrier breather, cleaning
Carrier V-ring seal, replacing
Carrier, installing
Carrier, removing
Charge air cooler pipe, installing
Charge air cooler pipe, removing
Charge air cooler, installing
Charge air cooler, removing
Check the fuse for failure.
Check the relay for failure.
Check-engine indicator, replacing
Checklist after a fire or heat exposure
Circuit backer, replacing
Cleaning engine compartment
Cleaning prior to repair
Cleanliness
Control group assembly, replacing
Controls, mechanical
Conversion tables
Coolant level, check
Coolant, changing
Cooling fan, replacing
Cooling package, installing
Cooling package, removing
Critical mounting torques
Decals Plates and reflectors
Deck plate, installing
Deck plate, removing
Decontamination
Description, complete machine
Diode, replacing
Drum amplitude, setting
Drum and scraper, checking
Drum assembly (front), installing
Drum assembly (front), removing
Drum assembly (rear), installing
Drum assembly (rear), removing
Drum carrier, changing oil
Drum carrier, checking oil level
Drum dimensions
Drum drive motor speed sensor, replacing
Drum drive motor, replacing
Drum drive, installing
Drum drive, removing
Drum eccentric oil, changing
Drum eccentric, checking oil level
Drum selection switch, replacing
Drum, description
Dual function alarm, replacing
Eccentric weight, installing
Eccentric weight, overhaul
Eccentric weight, removing
Electric welding
Electrical symbols and designations
Electrical system, description
Electrical system, specifications
Electrical system
Electronic vibration control box
Emergency stop switch, replacing
Engine belts, checking
Engine hood hinge, replacing
Engine hood, changing gas spring
Engine hood, installing
Engine hood, opening and closing
Engine hood, removing
Engine mounts, replacing
Engine oil filter, replacing
Engine oil level, check
Engine oil pressure gauge, replacing
Engine oil, change
Engine trouble shooting
Engine water temperature gauge, replacing
Engine, description
Engine, identification
Engine, installing
Engine, removing 1
Engine, removing
Engine, specifications
Engine-stop indicator, replacing
Environment
Environmental handling for the future
Environmentally safe handling 1
Environmentally safe handling
Exhaust pipe, flexible tube, replacing
Expansion tank, replacing
Explosion hazard
Fan belt and or alternator belt, replacing
Fan shroud, replacing
Fire prevention measures
Frame, description
Frame, specifications
FSR wiring harness, replacing
Fuel filter, description
Fuel filter, replacing
Fuel level, checking
Fuel lines, replacing
Fuel sampling, method
Fuel tank lid, replacing
Fuel tank lid,cover plate gasket, replacing
Fuel tank sight gauge, replacing
Fuel water separator, replacing
Fuel, lubricant and filling capacities
Fuse (general), replacing 1
Fuse (general), replacing 2
Fuses
Gearbox, installing
Gearbox, removing
General
Glossary of Abbreviations
GRD G700B LabourTimeGuide Old version
G700B Labour Time Guide Foreword.pdf
Hand rail, installing 2
Hand rail, removing 1
Hazard light switch, replacing
Health hazards with paint, plastics and rubber
Horn switch, replacing
Horn, replacing
Horn, specification
Hour meter, replacing
Hydraulic connections, tightening torques
Hydraulic diagram, schematic
Hydraulic motor, specifications
Hydraulic oil cooler, installing
Hydraulic oil cooler, removing
Hydraulic oil dye
Hydraulic oil level gauge, replacing
Hydraulic oil level, checking
Hydraulic oil suction strainer, changing
Hydraulic oil tank, installing
Hydraulic oil tank, oil, change
Hydraulic oil tank, removing
Hydraulic oil tank, return oil filter change
Hydraulic oil, storing and handling
Hydraulic pump, specifications
Hydraulic suction filter, changing
Hydraulic system troubleshooting
Hydraulic system, description
Hydraulic tank breather cap, replacing
Hydraulic tank lid, cover plate gasket, replacing
Ignition switch, replacing
Ignition switch
Impact meter gauge, replacing
Inside scrapers, installing new
Instructions for shimming the equipment joints
Instrument console bearing, replacing
Instrument panel
Instrument wire harness, replacing
Latching relay, replacing
Lights, specifications
Location of components
Loop flushing valve, replacing
Lubricant recommendation
Lubricant specifications and service interval changes
Lubrication and oil system, general specifications
Lubrication and service chart
Lubrication and service schedules
Machine dimensions
Machine identification
Machine weights
Main wire harness, replacing
Maintenance service, daily
Maintenance service, every 50 hours
Maintenance service, every 250 hours
Maintenance service, every 500 hours
Maintenance service, every 1000 hours
Maintenance service, every 2000 hours
Maintenance service, general
Mat temperature sensor, installing new
Neutral safety switch, replacing
New TechTool VCADS Pro interface
Operator console, greasing
Operator’s platform mounts, replacing
Operator’s protective structure, component locations
Operator’s protective structure, description
Operator’s seat, installing
Operator’s seat, removing
Paint and Finish
Parking brake performance
Parking brake pressure switch, replacing
Portable refillable O-ring kits
Precaution when working on the electrical system
Precautions
Pre-cleaner, replacing
Preservation
Propulsion control cable, replacing
Propulsion pump coupling, installing
Propulsion pump, installing
Propulsion pump, removing
Pump gearbox coupling assembly, replacing
Pump gearbox oil, changing
Pump gearbox oil, checking
Radiator and coolers, cleaning
Radiator hose upper, replacing
Radiator hoses lower, replacing
Radiator, installing
Radiator, removing
Recommended lubricants, specifications
Relay (general), replacing 1
Relay (general), replacing 2
Relay (general), replacing 3
Relay (general), replacing 4
Reports
Reverse alarm switch, replacing
RM Compaction ABG Time Guide Old 2009-01-26
Foreword
Drum
Hydraulic
Electrical
Engine
Structural
Drive system
Water
RM Compaction Time guide old version 2008-10-27
Drum
Hydraulic
Electrical
Engine
Structural
Drive system
Water
RM Paving Systems ABG Time Guide Old 2009-01-26
Foreword
Screeds
Hydraulics
Structural
Engine
Drive system
Electrical
ROPS (Roll Over Protection), installing
ROPS (Roll Over Protection), removing
Rotating beacon, replacing
Safety concerns everybody!
Safety when handling oil and fuel
Safety when handling the machine
Safety when lifting and supporting the machine
Safety when working on hydraulic systems
Safety when working with batteries
Seat belt indicator, replacing
Seat safety belt, replacing
Seat switch wiring harness, replacing
Sensor wire harness, replacing
Service position
Silencer, replacing
Special instructions for working on the electrical system
Special tools recommendations
Specifications, general
Speedometer, replacing
Spray bar, cleaning
Starter motor, description
Starting engine
Starting with booster batteries
Steering column, installing
Steering column, removing
Steering cylinder pins, greasing
Steering cylinder, installing
Steering cylinder, removing
Steering cylinder, replacing bearings
Steering pump, installing
Steering pump, removing
Steering system, description
Steering system, specifications
Steering valve, installation
Steering valve, removal
Steering wheel, replacing
Stopping
Strobe light, installing new
Switch, check
Switch, replacing
Swivel joint (horizontal and vertical) pins, greasing
Tail lamp harness, replacing
Tail lamp, replacing
Temperature gauge, hydraulic oil, installing new
Thermal bypass valve, replacing
Thread locking compound, application specifications
Tightening torque, specifications
Time Guide Current generation 2014-12_12
Time Guide Old generation 2014-12-12
Time Guide Previous generation 2014-12_12
Towing a disabled machine
Towing procedures
Transporting and lifting the machine
Travelling on public road
Turn signal switch, replacing
Valves, adjusting
Vibration controller, replacing
Vibration controller, setting
Vibration pump coupling, installing
Vibration pump coupling, removing
Vibration pump, installing
Vibration pump, removing
Volt meter gauge, replacing
Volvo Product incident accident report & Interview Form
VPM meter gauge, replacing
Waste handling
Water filter, cleaning
Water flow control, replacing
Water level indicator, replacing
Water pump, installing
Water pump, removing
Water separator, drain
Water spray system components, replacing
Water strainer, cleaning
Water strainer, replacing
Water system assembly, installing 1
Water system assembly, installing 2
Water system assembly, removing 1
Water system assembly, removing 2
Water system
Water tank level, checking
Water tank mounting straps, replacing
Water tank wiring harness, replacing
Water tank, cleaning
Water tank, installing
Water tank, removing
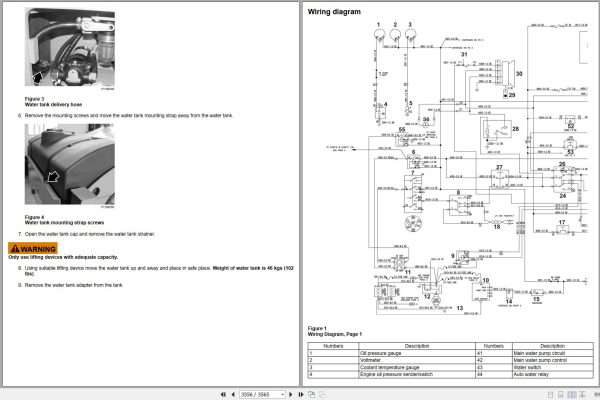
Wiring diagram
Work lamp, replacing
Working in environmentally contaminated areas











