Expert Support
Full Speed
100% Working
Volvo Wheel Loader L180G Service and Repair Manual
50 USD
- Description
Description
Contents:
1 Volvo L180G
Description L180G
3rd, or 3rd 4th hydraulic function, component location
3rd, or 3rd 4th hydraulic function, description
ACM, IO list
Air conditioning, tightening torques
Alarm, description1
Alarm, description2
Alternator 80 A, description
Automatic brake valve, description
Automatic differential brake, Limited Slip, description
Auxiliary brake (engine braking), description
Axle oil cooler, component location
Axle oil cooler, description
Battery disconnector switch, description
Battery, charging
Battery, description
Boom Suspension System, component description
Boom suspension system, component location
Boom Suspension System, description
Booting sequence
Brake accumulator, description
Brake system, component location
Braking system, description
Cab and air conditioning
Cab, description1
Cab, description2
Cable and component designations
Cable and component marking explanations
CareTrack W-ECU, description
CDC valve, lever steering, description
Central lubrication system, description
Central valve, description
Central warning
Change of lubrication interval
Chassis connection
Climate control system, description
Comfort Drive Control (CDC), component location
Comfort Drive Control (CDC), description
Communication with data buses
Component locations1
Component locations2
Components list
Connectors, overview
Connectors, position
Control valve, description
Cooling fan motor, description
Cooling fan, component location
Cooling fan, description
Cooling system, component location
Cooling system, description
Crankcase ventilation, description1
Crankcase ventilation, description2
Diagnostic tools, description
Differential lock, description
Dosage valves, description
Drive axles, description
Drivetrain, component location
ECC, IO list
ECO – accelerator pedal
E-ECU, IO list
EGR actuator, specification
Electric door opener, description
Electric welding
Electric welding1
Electrical symbols and designations
Electrical system, description
Electrical system, work instructions
Electronic control system, description
Engine, description1
Engine, description2
Exhaust Aftertreatment System, component location
Exhaust Aftertreatment System, description
Exhaust gas recirculation (EGR), component location
Exhaust Gas Recirculation (EGR), description
Filling lubricant
Fire suppression system, component description
Fire suppression system, functional description
Foot brake valve, description
Frame joint, description
Frame, description
Front axle, component description
Fuel system, component location
Fuel system, description
Hood opening
Hydraulic attachment bracket, description
Hydraulic oil tank, description
Hydraulic pump flow regulation, description
Hydraulic pumps, description
Hydraulic transmission, description
I-ECU, IO list
Information display, axles brakes
Information display, check
Information display, electrical system
Information display, engine
Information display, general
Information display, hydraulics
Information display, operating display
Information display, service mode
Information display, service
Information display, settings
Information display, start lockout
Information display, transmission
Information display, vehicle info
Information display, vehicle messages
Inlet and exhaust system, component location1
Inlet and exhaust system, component location2
Inlet and exhaust system, description1
Inlet and exhaust system, description2
Instrument panels
Intermittent wiper and washer
Key feed
Leak detector 951 1207, new model
Lighting, description
Lubrication system, component locations1
Lubrication system, component locations2
Lubrication system, description
Middle instrument panel with warning lights
Oil cooler, component description
Parameter settings
Parking brake, component location
Parking brake, function description
Pause heater, description
Preheating, description
Pressure monitor, description
Pressure monitor, description1
Propeller shaft, component description
Pump unit, description
Rear axle mounting, component description
Rear axle, component description
Regeneration process, description
Reversible cooling fan, description
Secondary steering, component location
Secondary steering, description
Service
Shift valve, description
Shift valve, description1
Software parameters, description
Software, description
Software, parameter settings and read-outs
Steering cylinder, description
Steering system, component location
Steering system, description
Steering valve, description
System voltage
Tech Tool, operations
TP-Linkage’s bearing points
Transmission, component position
Turbocharger, description1
Turbocharger, description2
V2-ECU, IO list
VCADS Pro, Operations
VCADS Pro, Operations1
V-ECU, IO list
Vehicle control unit V2-ECU, description
Viscous cab suspension, description
W-ECU, IO list
Windows, general, gluing
Windows, general
Working hydraulic system, component location
Working hydraulic system, description
Diagrams L180G
Explanations to hydraulic diagram
Hydraulic diagram transmission
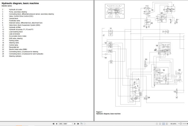
Hydraulic diagram, basic machine
Hydraulic diagram, complete
Table of contents, wiring diagrams
Wiring diagram – Aftertreatment
Wiring diagram – Brake
Wiring diagram – BSS
Wiring diagram – Electrically controlled battery disconnector
Wiring diagram – Gear
Wiring diagram – Start
Wiring diagram WD201
Wiring diagram WD202
Wiring diagram WD210
Wiring diagram WD211
Wiring diagram WD212
Wiring diagram WD214 Update G
Wiring diagram WD214
Wiring diagram WD220
Wiring diagram WD221
Wiring diagram WD222
Wiring diagram WD240
Wiring diagram WD270
Wiring diagram WD301 Update G
Wiring diagram WD301
Wiring diagram WD302 Update G
Wiring diagram WD302
Wiring diagram WD303
Wiring diagram WD304
Wiring diagram WD307 Update G
Wiring diagram WD307
Wiring diagram WD308 Update G
Wiring diagram WD308
Wiring diagram WD320
Wiring diagram WD321
Wiring diagram WD322
Wiring diagram WD323
Wiring diagram WD324
Wiring diagram WD325
Wiring diagram WD326
Wiring diagram WD330
Wiring diagram WD331
Wiring diagram WD333 Update G
Wiring diagram WD333
Wiring diagram WD334
Wiring diagram WD335 Update G
Wiring diagram WD335
Wiring diagram WD337 Update G
Wiring diagram WD350 Update G
Wiring diagram WD350
Wiring diagram WD351 Update G
Wiring diagram WD351
Wiring diagram WD352 Update G
Wiring diagram WD352
Wiring diagram WD360
Wiring diagram WD361 Update G
Wiring diagram WD361
Wiring diagram WD362
Wiring diagram WD363 Update G
Wiring diagram WD363
Wiring diagram WD364 Update G
Wiring diagram WD371 Update G
Wiring diagram WD371
Wiring diagram WD372 Update G
Wiring diagram WD372
Wiring diagram WD373
Wiring diagram WD374 Update G
Wiring diagram WD374
Wiring diagram WD375 Update G
Wiring diagram WD375
Wiring diagram WD376
Wiring diagram WD401
Wiring diagram WD402 Update G
Wiring diagram WD402
Wiring diagram WD403
Wiring diagram WD404
Wiring diagram WD405
Wiring diagram WD406
Wiring diagram WD407 Update G
Wiring diagram WD501 Update G
Wiring diagram WD501
Wiring diagram WD601
Wiring diagram WD602
Wiring diagram WD604
Wiring diagram WD801
Wiring diagram WD802
Wiring diagram WD804
Wiring diagram WD805
Wiring diagram WD806
Wiring diagram WD807
Wiring diagram WD808
Wiring diagram WD831 Update G
Wiring diagram WD903
Wiring diagram WD904
Wiring diagram WD905
Wiring diagram WD909 Update G
Wiring diagram WD909
Wiring diagram WD910
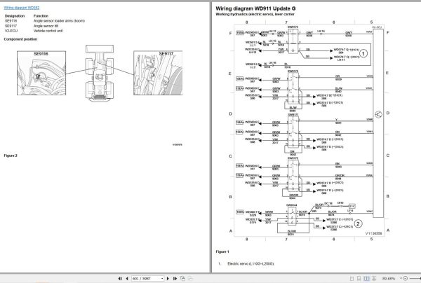
Wiring diagram WD911 Update G
Wiring diagram WD911
Wiring diagram WD913
Wiring diagram WD914 Update G
Wiring diagram WD915 Update G
Wiring diagram WD915
Installation Instruction L180G1
3rd 4th hydraulic function, installing new
3rd hydraulic function, installing new
After market engine, transfer of components
After market engine, transfer of components1
Air nozzle, installing new
Anti theft device, installing new
Attachment locking, installing new
Attachment worklight, installing new
Axle oil cooler and reversilble fan, installing new
Back up alarm, installing new
Battery disconnector switch, installing new
Boom suspension system, installing new
Cab front work light LED, installing new
Cab illuminated entrance LED, installing new
Cab rear work light LED, installing new
Cab side work light LED, installing new
Cab, air pre cleaner, installing new
Care track
CareTrack, installing new
Engine heater, installing new
Engine heater, installing new1
Filtered alternator, installing new
Forward view camera, installing new
Front work light LED, installing new
Fuel filter extra, installing new
Grill work light LED, installing new
Hand throttle, instaling new
High Sulphur Fuel Conversion kit, installing new
Lever steering (CDC), electric, installing new
Pre-cleaner oil bath type, installing new
Pre-cleaner turbo type, installing new
Radio, installing new1
Radio, installing new2
Radio, installing new3
Rapid oil exchange (ROX), installing new
Rear view camera, installing new
Rear view mirror, installing new
Reflecting stickers, installing new
Reversible fan, installing new
Rotating beacon, installing new
Single lever control, 2nd hydraulic function, installing new
Single lever control, 3rd hydraulic function, installing new
Single lever control, 4th hydraulic function, installing new
Warning beacon flashing strobe light, installing new
Wind shield guard, installing new
Work light extra front, installing new
Work light front, installing new
Work light rear, installing new
Work light rear, installing new1
Repair L180G
3rd 4th hydraulic function, checking and adjusting pressure
3rd 4th hydraulic function, shock valve, checking
3rd 4th hydraulic function, solenoid valve, replacing
3rd 4th hydraulic, functional check
Accumulator removed, checking charging pressure
Accumulator removed, checking
Accumulator, boom suspension system, discarding
Accumulator, discarding
Accumulator, discarding1
Accumulator, discarding2
Accumulator, installation
Accumulator, removal
Accumulators, checking in machine
ACM (After treatment control module), replacing, non-programmed
ACM (After treatment control module), replacing, pre-programmed
Actuator, replacing
Actuator, variable turbocharger, replacing
Aftertreatment support unit (ASU), replacing
Air conditioning, checking performance
Air drier, drier cartridge, replace
Air in fuel system, checking
Air mix door actuator, replacing
Air pump flow, checking
Air pump, oil level, checking
Air pump, oil, changing
Air pump, replacing
Air purge tank, replacing
Alternator, filter, replace
Atomization unit, replacing
Attachment locking, functional check
Automatic brake, function check
Automatic central lubrication, filter, cleaning replacing
Automatic lubrication pump unit, reconditioning
Axle oil cooler, front axle, filter, replacing
Axle oil cooler, rear axle, filter, replacing
Axle suspension, replacing bushes and seals
Axle, installing
Axle, removing
Back-up valve, checking and adjusting
Back-up valve, replacing
Batteries, replacing
Battery condition, check
Battery, cables and connections, check
Bleeding air
Boom suspension accumulator, check and adjusting
Boom suspension accumulator, check and adjusting1
Boom suspension accumulator, reconditioning
Boom suspension system, functional check
Boom suspension system, hydraulic oil pressure in accumulators, depressurizing
Boom suspension system, left accumulator, installation
Boom suspension system, left accumulator, removal
Boom suspension system, pressure reduction, safety valve, checking and adjusting
Boom suspension system, right accumulator, installation
Boom suspension system, right accumulator, removal
Brake disc, replacing
Brake disc, replacing1
Brake discs, measuring wear
Brake discs, measuring wear1
Brake piston, replacing seals
Brake piston, replacing seals1
Brake system charging, checking
Brake system charging, checking1
Brake system, bleeding
Brake system, check and adjusting pressure in circuit
Brake system, checking function, retardation
Burner, replacing
Cab, extra prefilter, replacing
Cab, installing
Cab, main filter, replacing
Cab, position 1, restoring
Cab, position 1
Cab, position 2, restoring
Cab, position 2
Cab, prefilter, replace when required
Cab, removing
Camshaft and flywheel signals, checking with VCADS Pro and oscilloscope
Camshaft setting, checking
Camshaft, replacing
Carbon dioxide in coolant system, checking
Carbon dioxide in fuel system, check
CareTrack battery, replacing
Climate unit, installing
Climate unit, removing
Comfort drive control (CDC), angle sensor, changing
Comfort Drive Control (CDC), joystick, changing
Comfort drive control (CDC), solenoid valve, changing
Comfort Drive Control, servo pressure, checking
Compression test
Compressor, replacing
Compressor, replacing1
Condenser, replacing
Coolant level, checking
Coolant, change
Coolant’s freezing point, check
Cooling system, pressure control
Counterweight, fitting
Counterweight, removing
Crankcase ventilation separator, replacing
Diesel particulate filter, checking and cleaning
Diesel particulate filter, checking and cleaning1
Differential lock, adjusting
Differential lock, function check
Door lock cylinder, replacing
Drive axles, oil, draining
Drive axles, oil, filling
Drive belts, check
Drive belts, check1
Drive belts, check2
Drying filter, replacing
Drying filter, replacing1
E 1708, Checking point
E1711
E-2000
E-2001
E-2005
E-2007
E-2015
E-2017
ECC, MID 146, changing non-programmed ECU
ECC, MID 146, changing pre-programmed ECU
E-ECU, MID 128, changing non-programmed ECU
E-ECU, MID 128, changing pre-programmed ECU
EGR cooler, cleaning
EGR cooler, pressure test1
EGR cooler, pressure test2
EGR cooler, replacing
EGR pressure sensor, replacing
EGR temperature sensor, replacing
EGR valve, replacing
EGR Venturi tube, checking
EGR Venturi tube, checking1
Electric door opener, control unit, replacing
Electric door opener, locking motor, replacing
Electric door opener, opening support motor, replacing
Electric door opener, rotor switch, replacing
Engine air cleaner, replacing
Engine hood, installing
Engine hood, manually operating
Engine hood, removing
Engine oil filter, installing
Engine oil filter, removing
Engine oil level, checking
Engine oil, changing
Engine oil, draining
Engine oil, filling
Engine radiator, oil cooler and condensor (if installed), clean
Engine rotation speed sensor (camshaft), replacing
Engine rotation speed sensor, replacing
Engine, installing
Engine, removing
Error codes when calibrating
Error codes when calibrating1
Error codes when calibrating2
Evaporator, replacing incl draining and filling
Exhaust aftertreatment fuel injector, replacing
Exhaust aftertreatment system fuel flow, checking
Exhaust aftertreatment system, fuel pump, replacing
Exhaust pipe, flexible tube, replacing
Expansion valve, replacing
Fan control valve, seal replacement
Fan motor, replacing
Feed pump, checking feed pressure
Feed pump, replacing
Fire suppression system, actions after activation
Fire suppression system, actions after manual activation
Fire suppression system, component location
Frame joint, replacing bearings
Front axle, breather filter, replacing
Front wheel, installation
Front wheel, removal
Fuel filters, primary and secondary filter, replace
Fuel system, bleeding1
Fuel system, bleeding2
Fuel tank breather filter, replacing
Grease Locations
Heat control valve, replacing
Heater core, replacing
High pressure air system, pressure, checking
Hinge, lubricating
Hub reduction, installing
Hub reduction, installing1
Hub reduction, removing
Hub reduction, removing1
Hub, replacing seal
Hub, replacing seal1
Hydraulic couplings
Hydraulic oil level, checking
Hydraulic oil tank, draining
Hydraulic oil tank, return oil filter, replace, and magnetic rod, clean
Hydraulic oil tank, sediment drain
Hydraulic oil tank, vacuum-pumping, connecting and disconnecting pump
Hydraulic oil, filling
Hydraulic pump P1, installation
Hydraulic pump P1, removal
Hydraulic pump P2, installation
Hydraulic pump P2, removal
Hydraulic pump P3, checking function
Hydraulic pump P3, installation
Hydraulic pump P3, removal
Hydraulic pump, checking and adjusting standby pressure and working pressure
Hydraulic pump, checking and adjusting standby pressure and working pressure1
Hydraulic pump, checking and adjusting standby pressure and working pressure2
Hydraulic system, bleeding
Hydraulic system, warming up
Hydraulic tank breather filter, changing
I-ECU, MID 140, changing non-programmed ECU
I-ECU, MID 140, changing pre-programmed ECU
Injector sleeves, replacing
Left steering cylinder, installation
Left steering cylinder, removal
Lever steering (CDC), functional check
Lift lower function, checking
Lift lower, angle sensor, changing
Lift, solenoid valve, changing
Lifting time, checking
Lock up valve, replacing
Lower, solenoid valve, changing
LS (load sense) pressure, checking
Lubrication oil consumption, checking
Lubrication oil pressure, checking with pressure gauge
Lubrication, 50 hours maintenance interval
Lubrication, 250 hours maintenance interval
Lubrication, 500 hours maintenance interval
Lubrication, 1000 hours maintenance interval
Lubrication, 2000 hours maintenance interval
Lubrication, 4000 hours maintenance interval
Maintenance service, every 50 hours
Maintenance service, every 250 hours
Maintenance service, every 500 hours
Maintenance service, every 1000 hours
Maintenance service, every 2000 hours1
Maintenance service, every 2000 hours2
Maintenance service, every 4000 hours1
Maintenance service, every 4000 hours2
Maintenance service, every 4500 hours
Maintenance service, every 6000 hours
Maintenance service, every 8000 hours
Maintenance service, every 12000 hours
Maintenance service, fire suppression system
Maintenance service, first 1000 hours
Mechanical release of parking brake
Oil bath air cleaner oil, changing
Oil plugs, installing
Oil-bath air cleaner’s reservoir (optional equipment), clean, and oil, change
Oil-bath air cleaner’s reservoir (optional equipment), oil, check
Operator’s seat, securing
Overflow valve, replacing
Parking brake, function checking
Parking brake, replacing discs and seals
Pause heater, replacing
Perform a service regeneration
Plastic hood, repairing
Rear axle bearing, oil, draining
Rear axle bearing, oil, filling
Rear axle, breather filter, replace
Refrigerant, draining
Refrigerant, filling incl vacuum pumping
Restore operating condition after all test and adjustment work
Restore the machine to original condition
Right steering cylinder, installation
Right steering cylinder, removal
Rocker arms, replacing
Seal for front output shaft, replacing
Seal for rear output shaft, replacing
Secondary steering pump, checking and adjusting working pressure
Servo accumulator, installation
Servo accumulator, removal
Servo pressure, checking and adjusting
Servo pressure, checking at the spool in control valve
Shift valve, checking
Shock valve lift function, checking
Shock valve, tilt function, checking
Single lever control electric servo, replacing
Spark plug cable, replacing
Spark plug cable, replacing1
Spark plug, checking
Spark plug, replacing
Spark plug, replacing1
Stall speed, checking
Starter motor, replacing
Steering cylinder, repacking in machine
Steering system, checking and adjusting working pressure
Steering system, checking and adjusting working pressure1
Steering system, function check
System test
Take the hose away from the draining point of engine oil and replace the cap
Tilt in out, angle sensor, changing
Tilt in, solenoid valve, changing
Tilt out, solenoid valve, changing
Tilt, functional check
Towing
Transmission breather filter, replacing
Transmission oil filter, replacing
Transmission oil pressure, checking
Transmission oil, checking level
Transmission oil, draining
Transmission oil, filling
Transmission suction strainer, cleaning
Transmission, calibration
Transmission, function check
Transmission, installing1
Transmission, installing2
Transmission, removing1
Transmission, removing2
Turbocharger, inspection1
Turbocharger, inspection2
Turbocharger, replacing1
Tyres, wear and air pressure, checking
Unit injector, replacing
Unit injectors, adjusting pretension
V2-ECU, MID 249, changing non-programmed ECU
V2-ECU, MID 249, changing pre-programmed ECU
Valves, adjusting1
Valves, adjusting2
Valves, adjusting3
Valves, adjusting4
VCADS Pro, connecting problems
VCADS Pro, MID 128, programming E-ECU1
VCADS Pro, MID 128, programming E-ECU2
VCADS Pro, Operations
VCADS Pro, Operations1
V-ECU, MID 187, changing non-programmed ECU
V-ECU, MID 187, changing pre-programmed ECU
Warming up machine
Water separator, draining
Wheel brakes, functional check
Wheel brakes, functional check1
Window pane, installation
Windscreen, replacing
Safety L180G
CE-marking, EMC-directive
Checking function
Checklist after a fire or heat exposure
Decontamination
Environmental handling for the future
Environmentally hazardous fluids
Environmentally safe handling
Fire prevention measures
Health hazards with paint, plastics and rubber
Safety concerns everybody!
Safety rules when servicing
Safety when handling accumulators
Safety when handling oils and fuel
Safety when handling the machine
Safety when lifting and supporting complete machine
Safety when working on hydraulic systems
Safety when working with air conditioning refrigerant
Safety when working with batteries
Service position 1
Service position 1-1
Service position 2
Service position 2-2
Some simple rules regarding tyre handling
Starting with booster batteries
Waste handling
Working in environmentally contaminated areas
Working under raised boom
Service Bulletins L180G
AC compressor, fill with oil
AC hoses
Action to be taken in case of abnormal lubricating oil consumption
Air bleeding of the central lubrication system
Air cleaner
Alternative lubricants for axles with wet brakes
AM injector available as separate spare part
Anti-theft time delay conversion kit
Application of sealant paste on injectors
Automatic greasing systems of foreign manufacture
Automatic transmission lubricants
Battery and alternator test procedure
Broken belt pulley
Cab suspension
Cab suspension1
Cables cut under operator seat
Camshaft and rocker arms wear
CDC function, disengaging
CDC-system, product improvements
Central lubrication, oxide on pins
Central lubrication
Central lubrication1
Changed operation
Cleaning of the machine
Comfort Drive Control (CDC)
Connector protection for axle oil temperature sensor
Control measurement for electric servo lever and tilt lift angle sensor
Cracks in cross tube
Cranking problems
D- arm cracks
D13 Cylinder head valve cover leakage
DEF AdBlue AUS32 sampling, method
Differences in CDC armrest wiring connector (ST)
Discontinued recommendation for usage of anti-corrosion agent in cooling system
DPF, plastic hose melting on inlet temperature sensor
EATS burner, Ignition cables
EATS fuel line with non-return valve
EATS functional check
ECU improvements
ECU, functional check
Engine bracket
External oil leakage from the EGR control valve drain hose
Fork arms, information warranty matters, altered procedures
Fuel sampling, method
Fuel tank, filler cap
Function Reduction of Low Idle
Fuse box decal with wrong information
Greasing of hydraulic pump drive shaft
Heater element
Heater unit, external leakage
HIJ link
Hose improvement1
Hose improvement2
Idler gear nut comes off, D13 & D16
Improved EATS fuel pump
Improved hour recorder
Improved wiper motor
Improved wiper motor1
Instructions for crack in lifting frame
Instructions for drilling in ROPS structure
Instructions for shielded metal arc welding
Limitation, TP-linkage
Loose seat base
Maintenance service, every 2000 hours
Missing VCADS Pro operation
New AC compressor
New air hose and air inlet introduced, reducing engine compartment temperature and dust build-up
New angle sensor kit introduced
New battery box
New battery cable
New brake pressure sensor
New BSS valve
New cab heater element
New CareTrack W-ECU2
New condenser
New control lever
New counterweights
New DPF cable harness
New drive gear set
New EATS burner
New EATS fuel pump
New E-ECU introduced
New engine rubber cushion
New fan guard
New fuel filter housing
New fuel tank gasket
New gear lever combi-switch
New hose clamp
New hydraulic transmission
New I-ECU introduction
New inlet pipe for air compressor
New inlet pipes
New method for fuel system bleeding
New method for installing injectors
New rear fastening for fuel tank
New reverse alarm
New routing for detector cable
New software for full-automatic regeneration (option)
New software release V2013.2.1
New software release V2013.4.0
New software release V2013.6.0
New software update 2011.3.0 for CareTrack
New software V2014.3.0
New software version V2013.6.1
New software, V2014.3.1
New switch for attachment lock
New TechTool VCADS Pro interface
New torque converter
New VCADS Pro operation introduced
New wheel loaders L150G, L180G and L220G
New wiper arm and wiper motor
Oil analyses
Oil sampling, method
Operator adaptation of electric servo lever functions with VCADS Pro
Parking brake solenoid valve
Portable refillable O-ring kits
Protection cover
Protection of the cab’s main wire harness
Protective hose on power cable connection
Quality of illustrations in technical reports
Radio band setting
Rear vision system – activation of operator menu
Recommendations for Oil Sampling Intervals
Reinforcement of hood support
Repair instructions for attachments
Repair report for central lubrication pumps
Reporting of product misuse & near-miss report
Reports
Reversible fan causing error codes
Seals
Semi-automatic regeneration
Shaking or vibration in the working hydraulics
Software release summary WLO G-models
Tool box
Tyres, various types
Vacuum switch for pre-cleaner, optional equipment 85156
Ventilation hose
Volvo Product incident accident report & Interview Form
Water intrusion in cab
Windshield guard interferes with nipple
Special Tools, Misc L180G
35 GRD G700B LabourTimeGuide
Recommendations special tools
RM Compaction ABG Time Guide Old
RM Compaction Time guide old version
RM Paving Systems ABG Time Guide Old
Special tool catalog
Time Guide Currrent generation
Time Guide Old generation
Time Guide Previous generation
Specifications L180G
3rd 4th hydraulic function, specifications
3rd 4th hydraulic function, tightening torques
Air conditioning, specifications
Alternator 80 A, specification
Automatic lubrication system, specifications
Axle suspension, tightening torque
Battery, specifications
Battery, weight
Belt pulley vibration damper, tightening torques
Boom Suspension System, specifications
Boom Suspension System, tightening torques
Brake accumulator, specifications
Brake system, specifications
Cabin, tightening torques1
Cabin, tightening torques2
Compressed-air system, specifications
Compressed-air system, specifications1
Control valve, lever steering (CDC), specifications
Control valve, specifications
Control valve, torque value
Conversion tables
Coolant1
Coolant2
Cooling fan rpm, specifications
Cooling fan rpm, specifications1
Counterweight, tightening torques
Counterweight, weight
Crank mechanism, specifications
Crankshaft, tightening torques
Cylinder block, specifications
Cylinder block, tightening torques
EGR system, tightening torques
EGR system, tightening torques1
Electrical system, specifications
Engine oil
Engine transmission, specification1
Engine transmission, specification2
Engine transmission, tightening torque
Engine, capacities
Engine, specification
Engine, specification1
Exhaust aftertreatment system, specifications
Exhaust aftertreatment system, specifications1
Exhaust aftertreatment system, tightening torques
Exhaust manifold, tightening torques1
Exhaust manifold, tightening torques2
Exhaust manifold, tightening torques3
Exhaust manifold, tightening torques4
Fire suppression system, specification
Flywheel, tightening torques
Frame joint, tightening torques
Front and rear axles, specifications
Front and rear axles, tightening torque
Front and rear axles, volume
Front and rear axles, volume1
Fuel system, specifications
Fuel system, specifications1
Function times, specifications
Hydraulic connections, tightening torques
Hydraulic pump (P1), specifications
Hydraulic pump (P2), specifications
Hydraulic pump (P3), specifications
Hydraulic pumps, tightening torques
Hydraulic system, volume
Hydraulic transmission, capacity
Inlet and exhaust system, tightening torques
Lever steering (CDC), specifications
Lever steering CDC, tightening torques
Lift cylinder, tightening torques
Lighting, specifications
Lubrication system, specifications
Lubrication system, specifications1
Oil cooler, tightening torques
Oil cooler, tightening torques1
Oil sump, tightening torque
Oil sump, tightening torque1
Oil sump, tightening torque2
Parking brake, specifications
Preheating, specifications
Preheating, specifications1
Propeller shaft, tightening torque
Rear axle mounting, volume
Recommended lubricants
Recommended lubricants1
Rocker arm shaft, tightening torques
Rocker arm shaft, tightening torques1
Secondary steering pump, specifications
Servo system, specifications
Standard tightening torques
Starter motor, specifications
Starter motor, tightening torques
Steering cylinder, tightening torque
Steering, specifications
Temperature limits for cooling fan speed, specifications
Thermostat, specifications
Thermostat, specifications1
Tightening torque, cylinder head
Tightening torque, cylinder head1
Tightening torque, fuel system
Tightening torque, fuel system1
Tightening torques, cooling fan
Tightening torques, unit injector1
Tightening torques, unit injector2
Tightening torques, unit injector3
Tightening torques, unit injector4
Tightening torques, valve cover
Tightening torques, valve cover1
Tilt cylinder, tightening torques1
Tilt cylinder, tightening torques2
Transmission, specifications
Transmission, specifications1
Transmission, tightening torques
Turbocharger, specifications1
Turbocharger, specifications2
Turbocharger, specifications3
Turbocharger, specifications4
Turbocharger, tightening torques1
Turbocharger, tightening torques2
Turbocharger, tightening torques3
Turbocharger, tightening torques4
Turbocharger, tightening torques5
Turbocharger, tightening torques6
Valve mechanism, specifications
Valve mechanism, tightening torques
Wheel brake, specification
Wheel brake, specification1
Wheels, tightening torques













