Expert Support
Full Speed
100% Working
Volvo Wheel Loader L220E Service and Repair Manual
50 USD
- Description
Description
Contents:
1 Volvo L220E
Description
3rd, or 3rd 4th hydraulic function, description
AC relay-controlled, description Figure 1
AC relay-controlled, description Figure 2
AC relay-controlled, description
AC safety, relay-controlled, description
AC software-controlled, description
Accelerator Pedal
Adapter cable 951 1355
Adapter cable 981 3194
Adapter cable 999 0014
Adapter cable 999 0020
Adapter cable 999 0020-1
Adapter cable 999 0191
Adapter cable 999 0216
Adapter cable 999 8505
Adapter cable 999 8533
Adapter cable 999 8534
Adapter cable 999 8563
Air cleaner, description Figure 1
Air cleaner, description
Air conditioning, description
Air filter pressure
Alternator, description
APS II
APS
ATC, description
Attachment locking
ATTENTION! Reduced Computer Function (J1708 J1587)
ATTENTION! Reduced Computer Function (J1939)
Automatic engine shut-off
Automatic lift arm lowering (Return to dig)
Automatic lift arm lowering (Return-To-Dig), description
Axle oil temperature
Back-up alarm
Barometric pressure
Battery, changing
Battery, charging
Battery, description
Boom Suspension System (BSS)1
Boom Suspension System (BSS)2
Boom Suspension System, description of function
Boom Suspension System, description
Boost pressure
Brake cooling system, description Figure 1
Brake cooling system, description
Brake pressure charging
Brake pressure
Brake test
Cab suspension, description
Cab, description
Cable and component designations
Cable and component marking explanations
Cable and component marking explanations1
Camshaft speed
Camshaft, description
Central lubrication system, description
Central lubrication, status indication
Central lubrication
Central valve, description
Charge-air temperature1
Charge-air temperature2
Charging batteries
Cleanliness, brake and hydraulic systems
Climate control system, description Figure 1
Climate control system, description Figure 2
Climate control system, description Figure 3
Climate control system, description
Collection of basic data1
Collection of basic data2
Comfort Drive Control, description
Communication cable explanation
Communication with data buses Figure 1
Communication with data buses
Compensator block, description
Component fault diagnosis, description
Component fault diagnosis, general
Component list 1 Alternator, batteries, capacitors, electronic units
Component list 2 Diodes
Component list 3 Fuses
Component list 4 Heating coils, instruments, service connections
Component list 5 Lights
Component list 6 Control lights warning lights
Component list 7 Solenoid valves
Component list 9 Relays
Component list 10 Signals, shift solenoids
Component list 11 Sensors
Component list 12 Switches
Component list Motors, resistors, monitoring system
Components
Conditions when checking
Connecting rods, description
Connecting special tools
Connectors, overview
Connectors, position
Control unit, description Figure 1
Control unit, description
Control valve, description
Control valve, description1
Coolant circulation in engine, description
Coolant Level
Coolant pump, description
Coolant temperature, engine1
Coolant temperature, engine2
Coolant temperature, outlet radiator
Cooling fan adjustment
Cooling fan motor, description
Cooling system, description Figure 1
Cooling system, description
Cooling system, description1 Figure 1
Cooling system, description1
Crankshaft, description
Cylinder block, description
Cylinder head, description
Cylinder liner, description1
Cylinder liner, description2
Description Figure 1
Description Figure 2
Description Figure 3
Description Figure 4
Description of table for software functions
Description
Description1
Description2
Description3
Differential lock
Display panel and keypad, general
Display panel, information displays
Display panel, initial display
Display panel, operating display
Downshifting signal
Electric welding
Electrical distribution box, description
Electrical symbols and designations
Electrical system, description
Electrical system, description1
Electrical system, description2 Figure 1
Electrical system, description2
Electrical system, work instructions
Electronic control system, description
Engine control unit E-ECU, changing1
Engine control unit E-ECU, changing2
Engine control unit E-ECU, description
Engine control unit E-ECU, error symptom
Engine crankcase pressure
Engine Oil Level
Engine oil pressure1
Engine oil pressure2
Engine oil temperature1
Engine oil temperature2
Engine On Off
Engine Protection
Engine Shutdown
Engine speed for E-ECU1
Engine speed for E-ECU2
Engine speed for V-ECU
Engine timing gears, description
Er ambient temperature (MID 187 PID 171)
ERROR Accelerator Pedal No Back-up Function
ERROR Accelerator Pedal Reduced Function Activated
ERROR AC-system See operators manual
ERROR APS switch ERROR APS II-switch
ERROR Central Lubrication System
Error codes, showing
ERROR Differential lock
ERROR E-ECU PID 094-1
ERROR E-ECU PID 094-2
ERROR E-ECU PID 102-1
ERROR E-ECU PID 102-2
ERROR E-ECU PID 102-3
ERROR E-ECU PID 108
ERROR E-ECU PID 172-1
ERROR E-ECU PID 172-2
ERROR Gear Selector CDC
ERROR Gear Selector F R
ERROR Gear Selector
ERROR Gear shifting solenoids
ERROR Hand throttle
ERROR Lever Steering CDC
Error messages by function group
ERROR Monitoring Axle Oil Temp. (Front axle) (MID 187 PPID 1154)
ERROR Monitoring Axle Oil Temp. (Rear axle) (MID 187 PPID 1153)
ERROR Monitoring Charge Air Temp. (MID 128 PID 105)1
ERROR Monitoring Charge Air Temp. (MID 128 PID 105)2
ERROR Monitoring Coolant Level (MID 128 PID 111)
ERROR Monitoring Coolant Outlet Temp. (MID 187 PPID 1157)
ERROR Monitoring Crankcase Pr (MID 128 PID 153)
ERROR Monitoring EGR (MID 128 PPID 19)
ERROR Monitoring Engine Air Filter (MID 128 PID 107)1
ERROR Monitoring Engine Air Filter (MID 128 PID 107)2
ERROR Monitoring Engine Coolant Temp. (MID 128 PID 110)1
ERROR Monitoring Engine Coolant Temp. (MID 128 PID 110)2
ERROR Monitoring Engine Oil Level (MID 128 PID 098)
ERROR Monitoring Engine Oil Level (MID 187 PID 098)
ERROR Monitoring Engine Oil Pressure (MID 128 PID 100)1
ERROR Monitoring Engine Oil Pressure (MID 128 PID 100)2
ERROR Monitoring Engine Oil Temp. (MID 128 PID 175)1
ERROR Monitoring Engine Oil Temp. (MID 128 PID 175)2
ERROR Monitoring Engine Revolutions (MID 187 PID 190)
ERROR Monitoring Fuel Level (MID 187 PID 096)
ERROR Monitoring Hydraulic Oil Temp. (MID 187 PPID 1041)
ERROR Monitoring Output Brake Pressure (MID 187 PPID 1155)
ERROR Monitoring Radiator Fan Revolutions (MID 187 PPID 1161)
ERROR Monitoring Steering System Oil Pressure (SE601) (MID 187 PPID 1046)
ERROR Monitoring Steering System Oil Pressure (SE602) (MID 187 PSID 1303)
ERROR Monitoring Transmission Oil Filter (MID 187 PPID 1029)
ERROR Monitoring Transmission Oil Level (MID 187 PID 124)
ERROR Monitoring Transmission Oil Pressure (MID 187 PID 127)
ERROR Monitoring Transmission Oil Temp. (MID 187 PID 177)
ERROR Monitoring Travel Speed (MID 187 PID 84)
ERROR Monitoring Turbine Revolutions (MID 187 PPID 1160)
ERROR Parking Brake Circuit
ERROR Parking Brake
ERROR Preheating Relay (MID 128 PID 45)1
ERROR Preheating Relay (MID 128 PID 45)2
ERROR Pressure regulator RTD
ERROR Radiator Fan Control
ERROR Relay BSS
ERROR Relay Hold position
ERROR Relay Interval Wiper
ERROR Secondary Steering Relay
ERROR Sol. valve Attachment lock
ERROR Solenoid valve Brake pressure charging
ERROR Solenoid valve Hydraulic power limitation
ERROR Solenoid valve Reversible fan
Error texts and troubleshooting information, general
Exhaust Gas Recirculation (EGR)
Extension cable 11 668 006
Extension cable 999 0062
Foot brake valve, description
Frame ground connections and signal ground
Frame joint, description
Frame, description
Front axle, description
Fuel consumption
Fuel feed pressure
Fuel filter, description1
Fuel filter, description2
Fuel Level1
Fuel Level2
Fuel system, description1
Fully automatic
Gear selector valve, measuring resistance of solenoids
Gear Selector
Gearshifting solenoids
Gearshifting, description
General description Figure 1
General description
General description1
General description2
General fault diagnosis information
Hand Throttle
Hydraulic attachment lock (software-controlled), description
Hydraulic attachment lock with raised servo pressure, description
Hydraulic brake system, description
Hydraulic cooling fan, description
Hydraulic Oil Level
Hydraulic oil temperature
Hydraulic power limitation
Hydraulic pumps, description
Hydraulic pumps, description1
Hydraulic system, description
Hydraulic system, description1
Hydraulic transmission, description
In a lift or other confined space
Increased fan speed for AC
Indication of serious engine fault
Information display unit, general
Information display unit, setting1
Information display unit, setting2
Injectors
Instructions for working with electronic fuel injection
Instrument control unit I-ECU, changing
Instrument control unit I-ECU, description
Instrument control unit I-ECU, error symptom
Instruments
Intake and exhaust system, description
Intercooler, description
Internal Exhaust Gas Recirculation (IEGR), description
Interruption in computer communication
Interval Wiper
Key feed
Lead and connector checks
Lift
Lifting cylinder
Lighting, description
Limitation of engine speed on first gear
Lubrication cycle, description
Lubrication system, description1
Lubrication system, description2
Lubrication system, principle1
Lubrication system, principle2
Mechanical release of parking brake
Middle instrument panel with warning lights
Multimeter 981 2519
Multi-pin breaker box 999 8699
Oil cooler, description Figure 1
Oil cooler, description
Oil pump, description Figure 1
Oil pump, description
On another vehicle’s platform
Outdoor temperature
Output brake pressure
Over ramp
Overflow valve, description
Overspeed, transmission
Parking brake, description Figure 1
Parking brake, description Figure 2
Parking brake, description Figure 3
Parking brake, description Figure 4
Parking brake, description
Parking brake
Pistons, description
Preheating coil, description
Preheating coil, description1
Preheating coil, description2
Preheating of inlet air
Preheating, description
Pressure monitor, description
Pump 1 (P1) and Pump 2 (P2), principle diagram Figure 1
Pump 1 (P1) and Pump 2 (P2), principle diagram
Pump 3 (P3) Cooling fan pump Brake pumpFlow and pressure control, description Figure 1
Pump 3 (P3) Cooling fan pump Brake pumpFlow and pressure control, description
RE Relay, general check
Rear axle, description
Recommended lubricants, oils
Reduced computer communication
Reversible cooling fan, electric description
Reversible cooling fan, hydraulic diagram description Figure 1
Reversible cooling fan, hydraulic diagram description Figure 2
Reversible cooling fan, hydraulic diagram description Figure 3
Reversible cooling fan, hydraulic diagram description
Reversible cooling fan1
Reversible cooling fan2
SAE error codes MID 128 Engine control unit (E-ECU)
SAE error codes MID 187 Vehicle control unit (V-ECU)
SAE error codes, translation to error messages, general
SE504 Monitor brake pressure charging
SE901 SE902 Sensor, automatic boom kick-out and bucket positioner
Secondary steering, description
Secondary steering
Secondary steering1
Service display unit 999 3721
Service display unit, axles and brakes
Service display unit, electrical control input signals 1
Service display unit, electrical control input signals 2
Service display unit, electrical control input signals 3
Service display unit, electrical control output signals 1
Service display unit, electrical control output signals 2
Service display unit, electrical system battery voltage
Service display unit, engine
Service display unit, general
Service display unit, hydraulics
Service display unit, settings
Service display unit, transmission
Service interval
Service panel, electrical feed sensor
Servo system, description
Setting software parameters
Shift valve, description
Shift valve, function description Figure 1
Shift valve, function description Figure 2
Shift valve, function description Figure 3
Shift valve, function description
Soft start and safety for AC
Software functions per function group
Software, description
Special tools for troubleshooting
Speed limitation for lever steering (CDC)
Speed limitation
Starter motor engagement
Starting system, description
Steering cylinder, sectional view
Steering valve, description
Steering, description
Steering, function description
STOP! COMPUTER FAILURE STOP THE VEHICLE
STOP! Turn Off Engine SID 240
STOP! Turn Off Engine SID 253
STOP! Turn Off Engine SID 254
Symbol diagram, pump control Figure 1
Symbol diagram, pump control
System voltage
Tech Tool, operations
Temperature induction air
Template 999 0130
Template 999 0133
Test methods, description
Test pins 999 0008
Theft protection
Thermostat housing, description
Tilting cylinder
Time-controlled high idle
Tire radius
TP linkage bearing points
Transmission disengagement
Transmission oil filter
Transmission oil level
Transmission oil pressure
Transmission oil temperature1
Transmission oil temperature2
Transmission protection
Transmission slipping1
Transmission slipping2
Travelling speed
Troubleshooting strategy
Troubleshooting tools
Turbine speed
Turbocharger, description1
Turbocharger, description2
Unit injector working phases
Unit injector, Delphi, description
Unit injector, Delphi, description1
Unit injector, Delphi, description2
Unit injectors, description
Valve block for Return To Dig, description
Valve mechanism, description1
Valve mechanism, description2
VCADS Pro service tool
Vehicle control unit V-ECU, changing
Vehicle control unit V-ECU, description
Vehicle control unit V-ECU, error symptom
Voltage feed E-ECU, I-ECU, V-ECU
Voltage feed for sensors
Warming of hydraulic oil
WARNING Brake Charging Failure
WARNING! Low Brake Pressure
Washer fluid level
Water in fuel
Wiping during and after washing
Working on the electrical system of the machine
Diagrams
Alternator, 120 amp HD
Circuit list
Explanations to hydraulic diagram
Hydraulic diagram, complete 1 FIG 1
Hydraulic diagram, complete 1
Hydraulic diagram, complete FIG 1
Hydraulic diagram, complete FIG 2
Hydraulic diagram, complete FIG 3
Hydraulic diagram, complete FIG 4
Hydraulic diagram, complete
Hydraulic diagram, fan, axle oil cooling FIG 1
Hydraulic diagram, fan, axle oil cooling
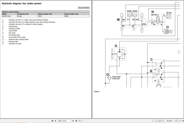
Hydraulic diagram, fan, brake system FIG 1
Hydraulic diagram, fan, brake system
Hydraulic diagram, reversible fan, brake system FIG 1
Hydraulic diagram, reversible fan, brake system
Hydraulic diagram, steering FIG 1
Hydraulic diagram, steering
Hydraulic diagram, working hydraulics, differential lock FIG 1
Hydraulic diagram, working hydraulics, differential lock
Wiring diagram 1 fig 1
Wiring diagram 1
Wiring diagram 2
Wiring diagram 3
Wiring diagram 4′
Wiring diagram 5
Wiring diagram 6
Wiring diagram 7
Wiring diagram 8
Wiring diagram 9
Wiring diagram 9B
Wiring diagram 10
Wiring diagram 11
Wiring diagram 12
Wiring diagram 13
Wiring diagram 15B
Wiring diagram 16
Wiring diagram 17 Updateted CDC
Wiring diagram 17
Wiring diagram 18
Wiring diagram 19
Wiring diagram 20
Wiring diagram 21
Wiring diagram 21B
Wiring diagram 21C
Wiring diagram 23
Wiring diagram 24
Wiring diagram 25
Wiring diagram 26
Wiring diagram 27
Wiring diagram 28
Wiring diagram 29
Wiring diagram 30
Wiring diagram 31
Wiring diagram 33
Wiring diagram 34
Wiring diagram 35
Wiring diagram 100
Wiring diagram 101
Wiring diagram 102
Wiring diagram 103
Wiring diagram 107
Installation Instruction
3rd hydraulic function
4th hydralic function
Air conditioning
Air conditioning1
Arbetsbelysning, främre
Attachment lock
Attachment lock1
Axle oil cooler
Axle oil cooler1
Boom suspension system
Boom suspension system1
Cab rubber pad
Care track installing new
Care track
Cyclon precleaner, turbo II
Electrically heated rear-view mirrors
Engine heater (120 V)
Engine heater, (110 V 1500 W)
Engine heater, (220 V)
Engine heater, (230 V)
Extra fender rear Extra skärmbreddar bak
Extra hydraulic oil cooler for machines
Extra hydraulic oil cooler
Extra workelihgts Extra arbetsbelysning
Extra working light
Hand throttle control
Lever steering
Mounting kit, wide seat
Oil-bath air cleaner
Protecting grating
Protective grille, headlamp
Radio installation kit
Radio kit, right left
Replacing Brakes
Return-to-dig
Reversible fan
Rotating warning beacon
Seat for the instructor
Servo valve, 3rd hydraulic function
Single lever control
Sun blind
Tail lamp guard
Working light, rear
Working light
Repair
3rd-4th hydraulic function, checking and adjusting pressure
Air conditioning, checking performance
Air conditioning, troubleshooting, relay-controlled ATC
Air conditioning, troubleshooting, software-controlled ATC
Alternator, replacing incl function check
Back-up valve, checking and adjusting
Boom Suspension System, component description
Boom suspension system, hydraulic oil pressure in accumulators, depressurizing
Boom Suspension System, pressure limiting valve, setting
Boom suspension system, reconditioning accumulator
Boom suspension system, test drive with load
Boom Suspension System, troubleshooting
Boom Suspension System, valve block V1, removing 1
Boom Suspension System, valve block V1, removing
Boom Suspension System, valve block V2, installing
Boom Suspension System, valve block V2, removing
Brake disc, replacing
Brake discs, checking wear
Brake system, bleeding
Brake system, check and adjusting pressure in circuit
Brake system, checking function, hydraulic
Brake system, retardation, checking function
Cab, installing
Cab, removing
Camshaft and flywheel signals, checking with VCADS Pro and oscilloscope
Central valve, reconditioning (removed)
Central valve, replacing 1
Central valve, replacing
Charge air system, inspection
Compression test 1
Compression test
Control valve, replacing
Coolant pump, replacing
Cooling fan hydraulics, funktion check
Cooling fan motor, replacing
Cylinder compression, VCADS Pro
Discarded accumulators
E1711
Engine hood, installing 1
Engine hood, installing
Engine hood, removing 1
Engine hood, removing
Engine rotation speed sensor (camshaft), replacing 1
Engine rotation speed sensor (camshaft), replacing
Engine rotation speed sensor, replacing
Engine, installing 1
Engine, installing
Engine, removing 1
Engine, removing
Evaporator in air conditioning system, cleaning
Fan motor, changing
Fan motor, checking working pressure
Feed pump, checking feed pressure
Foot brake pedal, adjusting angle and pedal clearance
Foot brake valve removed, reconditioning
Frame joint, changing bearings and pins 1
Frame joint, changing bearings and pins
Frame joint, checking clearance
Front wheel brake, brake discs, checking wear
Front wheel brake, brake discs, replacing
Front wheel brake, brake piston, replacing seals
Fuel filter, checking
Fuel pump (valves), inspection
Fuel pump, inspection
Fuel system, bleeding 1
Fuel system, bleeding
Fuel system, bleeding2
Function test, secondary steering
Gear selector valve, removing and installing 1
Gear selector valve, removing and installing
Heat control valve, changing
Heater core, changing
Hub, replacing seal, AWB41
Hub, replacing seal, AWB50
Hydraulic couplings, installation instructions
Hydraulic cylinder, installing piston’s lock brace
Hydraulic diagram, fan, axle oil cooling FIG 1
Hydraulic diagram, fan, axle oil cooling
Hydraulic diagram, fan, brake system FIG 1
Hydraulic diagram, fan, brake system
Hydraulic diagram, reversible fan, axle oil cooling FIG 1
Hydraulic diagram, reversible fan, axle oil cooling
Hydraulic diagram, reversible fan, brake system, axle oil cooling FIG 1
Hydraulic diagram, reversible fan, brake system, axle oil cooling
Hydraulic diagram, steering with CDC FIG 1
Hydraulic diagram, steering with CDC
Hydraulic diagram, working hydraulics, differential lock FIG 1
Hydraulic diagram, working hydraulics, differential lock, BSS 1
Hydraulic diagram, working hydraulics, differential lock, BSS, attachment lock, 3rd, 4th function FIG 1
Hydraulic diagram, working hydraulics, differential lock, BSS, attachment lock, 3rd, 4th function
Hydraulic diagram, working hydraulics, differential lock, BSS
Hydraulic diagram, working hydraulics, differential lock
Hydraulic oil tank, installing
Hydraulic oil tank, removing
Hydraulic oil tank, vacuum-pumping, connecting and disconnecting pump
Hydraulic pump P1, replacing 1
Hydraulic pump P1, replacing
Hydraulic pump P3, replacing 1
Hydraulic pump P3, replacing
Hydraulic pump, checking and adjusting max working pressure
Hydraulic pump, checking and adjusting standby pressure
Hydraulic pumps P2 and P3, replacing
Hydraulic system, bleeding
Idle, VCADS Pro
Implemental attachment hydraulic cylinder, replacing
Intercooler, replacing
Intercooler, replacing1
Lever steering CDC, checking steering signals
Lever steering, adjusting steering speed
Lever steering, checking and adjusting control valve
Lift cylinder removed, replacing bearings C-P
Lift cylinder, repacking in machine
Lift cylinder, replacing
Lift frame, replacing bearing in lower bucket- or implement attachment
Lifting time, checking
Lubrication oil pressure, checking with pressure gauge
Maintenance service, daily
Maintenance service, every 50 hours
Maintenance service, every 250 hours
Maintenance service, every 500 hours
Maintenance service, every 1000 hours
Maintenance service, every 2000 hours
Maintenance service, every 4000 hours
Maintenance service, every 6000 hours
Oil cooler, replacing
Parking brake, mechanical release
Precharge pressure in accumulators, checking and adjusting
Pump 3 (P3) Radiator fan Brake pump Max. fan speed, checking the setting
Pump 3 (P3) standby pressure, checking and adjusting (LS-line removed) 1
Pump 3 (P3) standby pressure, checking and adjusting (LS-line removed)
Radiator, replacing
Rear axle, removing, installing
Rear wheel brake, brake piston, replacing seals
Return To Dig, component position
Reversible cooling fan, funktion check
Rubber cushion, changing
Sensor for differential lock, adjusting
Servo pressure, checking and adjusting 1
Servo pressure, checking and adjusting
Servo valve, operating controls, adjusting
Servo valve, reconditioning (removed)
Servo valve, replacing
Shift valve, reconditioning (removed)
Shock valve lift function, checking
Shock valve, tilt function, checking
Stall speed, VCADS Pro
Steering cylinder, link bearing, changing
Steering cylinder, reconditioning
Steering cylinder, replacement
Steering system, checking and adjusting working pressure 1
Steering system, checking and adjusting working pressure
Steering valve, reconditioning (removed) 1
Steering valve, reconditioning (removed)
Steering valve, replacing
Thermostat, replacing
Tilt cylinder removed, replacing bearings E-F
Tilt cylinder, repacking in machine’
Tilt cylinder, replacing
Tilting cylinder, replacing bearing ‘E’ in machine
Timing gear case, fitting new gasket in machine
Torque converter, removing, installing
Towing
Transmission oil cooler, changing
Transmission oil pressure, checking 1
Transmission oil pressure, checking
Transmission, fault diagnosis
Transmission, installing (from above)
Transmission, removing (upwards)
Turbocharger, changing
Turbocharger, inspection
Unit injector, replacing
Unit injectors, checking
Valve cover, changing gasket
Valve cover, changing the gasket (in field)
Valves, adjusting 1
Valves, adjusting
Viscous cab suspension, changing one unit
Warranty inspection 100 hours
Warranty inspection 1000 hours
Wheel, removing and installing
Working hydraulics and servo system, trouble-shooting
Safety
CE-marking, EMC-directive
Checklist after a fire or heat exposure
Decontamination
Environment
Environmental handling for the future
Environmentally hazardous fluids
Environmentally safe handling
Fire prevention measures
Health hazards with paint, plastics and rubber
Safety concerns everybody!
Safety rules when servicing
Safety when handling accumulators
Safety when handling oils and fuel
Safety when handling the machine
Safety when lifting and supporting complete machine
Safety when using lifting equipment
Safety when working on hydraulic systems
Safety when working with air conditioning refrigerant
Safety when working with batteries
Service position 1
Some simple rules regarding tyre handling
Starting with booster batteries
Waste handling
Working in environmentally contaminated areas
Working under raised boom
Service Bulletins
AC compressor, fill with oil
Air intake cover
Alternative lubricants for axles with wet brakes
Amendments in Service Manual Engine, D10B Drive Axle, AWB 40B and Drive Axle, AWB 41AWB 50
Automatic greasing systems of foreign manufacture
Automatic shifting (APS)
Automatic transmission lubricants
Battery and alternator test procedure
Brake return spring moved
Broken exhaust valve stem
Camshaft, checking wear
CareTrack Telematics system
Change of tightening torque for engine lubricating oil filters
Check method on engine oil consumption
Coolant leakage between cylinder head and thermostat housing
Cracks in cross tube
D- arm cracks
D9B and D12D Stage 3, valve adjustment, camshaft marking
Decoding of radio
DEF AdBlue AUS32 sampling, method
Detecting leaks with inspection lamp
Diesel fuels – quality and function
Discontinued recommendation for usage of anti-corrosion agent in cooling system
ECU, functional check
Engine D12C, Valve guides
Engine labelling
Engine oil diluted by fuel
Engine oil requirements
Engine radiator
Engine software W0713
Exhaust leakage at manifold
Final software version 2004 W35 for hardware 11184401 V-ECU
Fork arms, information warranty matters, altered procedures
Fuel sampling, method
Gear shifting, HTE-series transmissions
Greasing of hydraulic pump drive shaft
Guide pins D12D
Hydraulic power control
Improved function of AC system
Improved hour recorder
Instructions for crack in lifting frame
Instructions for drilling in ROPS structure
Instructions for shielded metal arc welding
Limitation, TP-linkage
Loose seat base
Malfunction in fan brake systems
Mixed up hoses on checking panel
New BSS valve
New CareTrack W-ECU2
New connecting block for P1
New coolant
New cooling fan
New engine rubber cushion
New exhaust flexible tube between turbocharger and silencer
New fuel filter housing
New hardware for V-ECU and software version R 2004 w 51
New hydraulic hoses for tilting cylinder
New hydraulic hoses
New hydraulic motor and non-return valve
New hydraulic motor for engine’s cooling system
New hydraulic oil filter
New hydraulic tank
New I-ECU introduction
New main fuel filter, D9, D12 and D16
New oil dipstick
New sensor for accelerator pedal
New silencer mounting
New software for E-models
New starter switch
New TechTool VCADS Pro interface
New turbocharger for the D12 engine
Non – VCE buckets and attachments
Oil leakage from the engine cable harness grommet
Oil sampling, method
Oil sampling, sampling points
Oils for Volvos wheel loaders equipped with AWB axles (Axle Wet Brakes)
O-rings with improved heat resistance
Parking brake solenoid valve
Pin lock for tilting cylinder
Portable refillable O-ring kits
Quality measures for V-ECU
Quality of illustrations in technical reports
Raising and supporting machines (up to and including the E models)
Recommendations for Oil Sampling Intervals
Reinforcement of seat with air suspension
Reinforcing the general purpose and rock buckets
Repair instructions for attachments
Repair Report for Volvo transmissions
Replacement of throttle pedal pivot pin
Replacing brake pressure sensor
Replacing operator seat shock absorber
Replacing parking brake seal
Reporting of product misuse & near-miss report
Reports
Seals
Secondary steering Introduction of non-return valve
Serial number location on machine components
Service solution, separate belts
Software in E-ECU for engines supplied as spare part
Soot on silencer
Tyres, various types
Valve spring update, D9, D12 and D16
Ventilation servo casing
Volvo Product incident accident report & Interview Form
Water separator improvement
Work instruction for campaign WLO0403 – Clamping of fuel hose as well as check of electric cabling
Special Tools, Misc
01 Time Guide Currrent generation
11 Time Guide Previous generation
21 Time Guide Old generation
35 GRD G700B LabourTimeGuide Old version
40 RM Compaction Time guide old version
41 RM Compaction ABG Time Guide Old
42 RM Paving Systems ABG Time Guide Old
Special tool catalog
Special Tools Recommendations
Specifications
3rd 4th hydraulic function, specifications
Air conditioning, specifications
Air conditioning, tightening torques
Air distribution, specifications
Alternator, specifications
Battery, specifications
Battery, weight
Boom Suspension System, specifications
Cab, tightening torques
Cab, weight
Central lubrication system, specifications
Control cylinders, weight
Conversion tables
Cooling fan max. speed, specifications
Cooling fan motor, specifications
Cooling system specifications
Cooling system, volume
Electrical system, specifications
Engine suspension, tightening torques
Engine, specification 1
Engine, specification
Engine, volume
Engine, weight 1
Engine, weight
Flow compensator, basic setting, specifications
Foot brake valve, specifications
Frame joint, tightening torques
Frame, specifications
Frame, tightening torque
Frame, weight
Front axle, specification
Front axle, tightening torque
Front axle, volume
Front axle, weight
Front wheel brake, specifications
Front wheel brake, weight
Front wheel brakes, tightening torques
Fuel feed pump, specifications
Fuel tank, volume
Gas valve, tightening torque
Hydraulic connections, tightening torques
Hydraulic cylinders, specifications
Hydraulic cylinders, tightening torques
Hydraulic system, volume
Hydraulic transmission, specifications
Hydraulic transmission, tightening torques
Hydraulic transmission, volume
Hydraulic transmission, weight
Injectors, tightening torques
Intercooler specifications
Lighting, specifications
Lubrication system, specifications
Oil-bath air cleaner, volume
Operator’s seat, weight
Parking brake, specifications 1
Parking brake, specifications
Preheating, specifications
Propeller shaft, tightening torque
Pump 1 (P1) Working hydraulics, brake and servo system, specifications 1
Pump 1 (P1) Working hydraulics, brake and servo system, specifications
Pump 2 (P2) Steering and other hydraulics, specifications
Pump 3 (P3) Cooling fan pump Brake pump, specifications 1
Pump 3 (P3) Cooling fan pump Brake pump, specifications
Rear axle, capacity
Rear axle, specification
Rear axle, tightening torques
Rear axle, weight
Rear wheel brake, specifications
Rear wheel brake, tightening torque
Rear wheel brake, weights
Rocker arm shaft, tightening torques
Servo system, specifications
Starter motor, specifications
Steering cylinder, specifications
Steering cylinder, tightening torque
Steering, specification
Steering, specifications, general
Thermostat, specifications
Tightening torques, control valve
Tightening torques, cooling fan
Torque converter, specifications
Torque converter, tightening torque
Torque converter, weight
Transmission oil pressure, specifications
Turbocharger, specifications
Unit injectors, specifications
Valve cover, tightening torque 1
Valve cover, tightening torque
Valve mechanism, double rocker arm
Valve system specifications
Valves, working hydraulics, specifications
Volvo standard tightening torques
Wheel brake, specification
Wheel, weight
Wheels, tightening torques
Working and servo system, specifications

 
							 
							 
							 
							 
							 
							 
							 
							 
							













