Expert Support
Full Speed
100% Working
Volvo Wheel Loader L50D Parts and Service Manual
50 USD
- Description
Description
Contents:
1.L50D-L70D
Descriptions
3rd hydraulic function, flow control
AC operational reliability, functional description
Air filter pressure
Air-conditioning, weight
Alternator, description
Attachment hydraulics GP, description
Back-up alarm
Battery, charging
Battery, description
Boom Suspension System (BSS)
Boom Suspension System, description
Boom Suspension System, electrical system, description
Boom Suspension System, hydraulic system, description
Boom, description
Brake and engine cooling fan, hydraulic diagram
Brake pressure charging
Brake pressure
Brake test
Brake, description of function 1
Brake, description of function
Brake, description
Cab suspension, description
Cable and component designations
Cable and component marking explanations
Central lubrication
Central valve, description
Charge pressure hydrostatic system
Cleanliness in hydraulic system
Climate control system, description 1
Climate control system, description
Communication cable explanation
Communication with data Bus
Control units, software functions
Conversion tables
Coolant temperature, engine
Coolant temperature, outlet radiator
Cooling fan control
Cooling fan speed control, description
Cooling fan, specification
Description of table for software functions’
Description
Description’
Differential lock
Display panel and keypad, general
Display panel, general
Display panel, information displays
Display panel, initial display
Display panel, operating display
Display panel, setting
Downshifting signal
Drive axles, description
Drive axles, specification
Electric welding
Electrical components
Electrical distribution box, description
Electrical symbols and designations
Electrical system, description
Electrical system, functional description
Electrical system, work instructions
Electronic control system, description
Engine oil pressure’
Engine speed for V-ECU
Engine, tightening torques
Frame joint bearing
Fuel level
Fuel tank, tightening torques
Gear selector
Gear-shifting solenoids
Ground connections
Hydraulic attachment bracket, description
Hydraulic cooling fan, description
Hydraulic oil level
Hydraulic oil temperature
Hydrostatic system, neutral position
Instrument control unit I-ECU, functional description
Instruments
Interruption in computer communication
Interval wiper
Lever steering (CDC), electrical system, description
Lever steering (CDC), general description
Lever steering (CDC), hydraulic system, description
Lighting, description
Limp-Home, by-passed V-ECU
Middle instrument panel with warning lights
MS.Internal.Documents
Overspeed transmission
Parking brake, electrical system, description
Parking brake, mechanical
Parking brake
Planetary gear
Positive feed
Preheating of inlet air
Preheating, description
Product identification plates
Propeller shaft, tightening torques 1
Propeller shaft, tightening torques
Recommended lubricants
Reduced computer communication
Repairing hydraulic system
Secondary steering
Sensor fault
Service display unit, brakes
Service display unit, electrical control input signals 1
Service display unit, electrical control input signals 2
Service display unit, electrical control input signals 3
Service display unit, electrical control output signals 1
Service display unit, electrical control output signals 2
Service display unit, electrical feed sensor
Service display unit, electrical system battery voltage
Service display unit, engine
Service display unit, general
Service display unit, settings
Service display unit, transmission
Service interval
Servo valve, description
Signal ground
Starter lock-out
Starter motor engagement
Starting system, description
Steering, description
System voltage
Transmission disengagement
Transmission oil filter
Transmission oil pressure
Transmission oil temperature
Transporting the machine
Travel speed
Tyre radius
Vehicle control unit V-ECU, functional description
Working hydraulics, components
Working hydraulics, description
Working on the electrical system of the machine
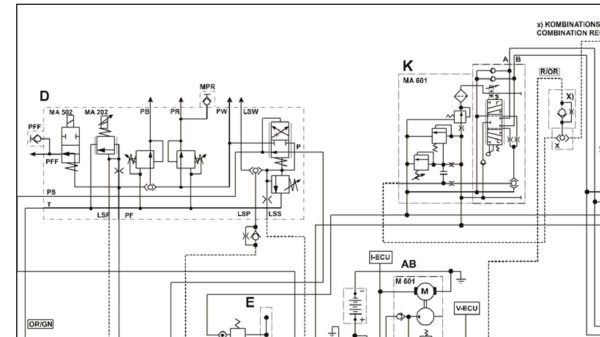
Diagrams
Hydraulic diagram, 5th, 6th and 7th hydraulic functions
Hydraulic diagram, Boom Suspension System, single-acting lifting function, differential lock
Hydraulic diagram, control valve
Hydraulic diagram, GP hydraulics
Hydraulic diagram, lifting, tilting and floating position
Hydraulic diagram, steering system, incl. CDC and secondary steering
Hydraulic diagram, working hydraulics, 3rd and 4th functions, attachment lock
Secondary steering, description
Wiring diagram 1
Wiring diagram 2
Wiring diagram 3
Wiring diagram 4
Wiring diagram 5
Wiring diagram 5-1
Wiring diagram 6
Wiring diagram 7
Wiring diagram 8
Wiring diagram 9
Wiring diagram 10
Wiring diagram 11
Wiring diagram 12
Wiring diagram 14
Wiring diagram 15
Wiring diagram 15B
Wiring diagram 15B-1
Wiring diagram 16
Wiring diagram 16-1
Wiring diagram 17
Wiring diagram 17-1
Wiring diagram 18
Wiring diagram 19
Wiring diagram 19-1
Wiring diagram 20
Wiring diagram 21
Wiring diagram 21B
Wiring diagram 21C
Wiring diagram 23
Wiring diagram 24
Wiring diagram 25
Wiring diagram 26
Wiring diagram 32
Wiring diagram 32B
Wiring diagram 140
Wiring diagram 150
Wiring diagram 170
Wiring diagram 175
Working hydraulics, components
Installation Instructions
3rd and 4th hydraulic function
3rd hydraulic function retaining function
3rd hydraulic function (single lever control)
3rd hydraulic function
Air conditioning
Air conditioning-1
Attachment lock
Boom suspension system
Care Track
Comfort drive control (CDC)
Electrically heated rear-view mirrors
Electrically heated rear-view mirrors1
Fenders
Hip Belt
Radio kit, rightleft
Rotating warning beacon
Seat for the instructor
Single lever control
Sun blind
Tail lamp guard
Tool box
Working light, rear
Parts Catalog
50 kmh Sign 92670
Adjustable steering wheel 80322
Air compressor 80258, 80708
Air distribution
Air ducts
Air filter with fitting parts SER NO – 13712, SER NO – 70224 BRASIL
Air filter with fitting parts SER NO 13713 -, SER NO 70225 – BRASIL
Air filter
Alternator with assembling details
Alternator
Arm rest. 80384
Armrest
Assemble attachment bracket
Assembly of hose evaparator, receiver drier and condenser. 80258, 80708
Attachment bracket 93642
Attachment locking 80209
Automatic temperature control. 80502
Auxiliary steering system 80257
Back-up warning unit 93782
Battery box, assembly SER NO – 13494, SER NO – 70186 BRASIL
Battery box, assembly SER NO 13495 -, SER NO 70187 – BRASIL
Battery cable and main switch
Boom suspension system 80214
Boom suspension system, valves and nipples 80214
Brake system
Bucket positioner and boom kickout
Cab body, roof- and floor panel
Cab mounting block
Cable harness Adjustableflow from hydraulic function 3. 80211
Cable harness Double Work light 82344
Cable harness for 5th and6th function 80210
Cable harness for central lubrication 80579 1
Cable harness for central lubrication 80579 2
Cable harness for central lubrication 80579
Cable harness, 4th function. lock valve. 80215
Cable harness, air conditioning. Cab. 80258
Cable harness, air-suspension seat 80506, 80572
Cable harness, automatic back-up light 82307
Cable harness, automatic temperature control. 80502
Cable harness, CDC – steering. 80384
Cable harness, ceiling
Cable harness, compressor 80258
Cable harness, detent, 3rd hydraulic function 80098
Cable harness, electr. heated rear-view mirror 80830
Cable harness, front
Cable harness, panel
Cable harness, secondary steering system. 80257
Cable harnesses, cab 1
Cable harnesses, cab
Cable harnesses, control panel
Cable harnesses, rear 33737
Cable harnesses, servo valve.
Cable harnesses, single acting lifting system 80212, 80214
Cable harnesses, single lever control. 80357, 80358
Camshaft
CDC – steering, sheet metal parts. 80384
Central lubrication 80579
Central lubrication with fitting parts. B2 80579
Central lubrication with fitting parts. B3 80579
Central lubrication, tool bar 80579
Circuit board
Comfort drive control 80384
Compressor for cooling agent R134a with fitting parts. 80258, 80708
Compressor horn
Condenser for cooling agent R134a with fitting parts. 80258, 80708
Control valve, assembly 80210
Control valve, assembly
Coolant filter. 80419
Cooling system
Cooling system1
Coupling 1
Coupling
Cover for servo valves 80215
Cover for servo valves
Crankcase ventilation 80425
Crankshaft and related parts
Cylinder block
Cylinder head
Cylinder liner and piston
Differential carrier 23868, 80379
Differential carrier STD, 23820 1
Differential carrier STD, 23820
Differential lock 23836, 80378, 80379 1
Differential lock 23836, 80378, 80379
Distribution block, B1 80579
Distribution block, B2 80579
Distribution block, B3 80579
Door 33738, 94638, 33754
Door with fitting parts
Double brake pedals. 93773
Draining line – control valve
Draining line, central block. Leak-off line, pump
Driver’s seat. 80572
Electrical distribution box
Electrical distribution unit and cable harness
Electrical distribution unit and cable harness1
Electrical system, electro hydraulic parkingbrake 80380
Electrical system, parking brake alarm 80348
Engine cover
Engine heater, 120v, 750wusa 80585
Engine heater, 220v 750w 80564
Engine mounting
Engine speed control 1
Engine speed control
Engine TD40GJE
Evaporator for cooling agent R134a with fitting parts. 80258, 80708
Exhaust system
Expansion tank with fitting parts
Fan and fan shroud
Fan drive
Fan
Feed- and return lines – control valve
Feed and Return lines, 5th and 6th function 80210
Feed line 80123
Feed line, pump – central block
Feed lines,5th and 6th function 80210
Feed pump
Fenders 80407
Fenders 92361
Filter cover
Final drive STD, 80378, 80379
Flywheel housing
Foot step
Footbrake valve Mounting
Footbrake valve
Forward links with assembly parts
Frame link
Frame
Fresh air inlet, filter and fan housing
Front cable harness with assembly parts
Fuel filter
Fuel injection pump with fitting parts
Fuel lines, injectors
Fuel pipes, fuel pump – injection pump
Fuel pipes, fuel tank – fuel pump
Fuel tank with fitting parts
Gear box housing with fitting parts
Glass panes 33738, 33754
Hand brake
Hand throttle 93568
Heating system
Hose and manifold
Hoses, Pump – hydraulic motor
Hydraulic cylinder, lifting
Hydraulic cylinder, tilting
Hydraulic cylinder
Hydraulic fluid filter
Hydraulic motor 1
Hydraulic motor
Hydraulic oil tank
Hydraulic pump 11147258
Hydraulic pump
Hydraulic pump1
Hydraulic system, 3rd and 4th function 80215
Hydraulic system, 3rd and 4th function 802151
Hydraulic system, 3rd function, pressure draining 80358
Hydraulic system, return line 80123 1
Hydraulic system, return line 80123
Hydraulic transmission, Clutch, Oil distributor, Filtre cartridge
Hydraulic transmission, output shaft
Inlet manifold and exhaust manifold
Instructor’s seat 80556
Instrument panel 33738
Instrument panel
Insulating matting
Interior components, sun blinds 80307, 80308
Interior components
Lamp retainer
LGF – sign, Slow moving vehicle 99592
License plate lamp 80402
Lift function
Lifting- and tilt cylinder with assembly parts
Lifting framework with assembly parts
Lifting unit
Lighting, cab 1
Lighting, cab
Lighting, front
Lighting, rear
Load sensing line
Lubricating oil system
Lubricating system, hydraulic transmission
Lunch box holder 80270
Manometer with fitting parts 80123
Multi-disc brake 23819, 23820
Noise reduction. 80490
Oil bath air filter with fitting parts
Oil cooler 33737
Oil cooler
Oil sump
Operator seat with fitting parts
Operator’s seat. 80503
Parking brake 80428
Parking brake, electro -hydraulic 80380
Parking brake
Planetary axle, Front AWB 10 STD, 80378, 80379
Planetary axle, front AWB 10, STD, 80378, 80379
Planetary axle, mounting AWB 10
Planetary axle, rear AWB 10 STD, 80379
Planetary axle, rear AWB 10, STD, 80379
Pre-heater with fitting parts
Product identification plate
Propeller shaft, mounting
Propeller shaft
Protecting plates 80403, 80405
Protecting plates
Protection for lighting 91585, 80406, 80076
Pump 93988
Pump 11144038 SERNO-13455, 11145112 SERNO13456-
Pump central lubrication 80579
Pump unit. 80257
Pump with fitting parts
Radiator and control
Radiator casing
Radiator with fitting parts
Radio bracket. 80518, 80390, 82331, 82332
Rear cable harness with assembly parts
Rear hitch and counterweight
Rear links with assembly parts
Rear view mirror
Revolving warning light. 93799 1
Revolving warning light. 93799
Rotating beacon. 93799
Sensor 80257
Sensors, reference list
Servo – hydraulic, control lines, lift
Servo – hydraulic, control lines, tilt
Servo – hydraulic, feed and return lines
Servo hydraulic Control and valves 80211
Servo hydraulic hydraulic lines 80211
Servo valve 80360
Servo valve with fitting parts 80357, 80358
Servo valve with fitting parts
Servo valve, single levercontrol 80357
Servo valve
Side hatches 80405
Side hatches
Side marking lamp. 80352
Side panel
Sign plates and decals 92443, 80421, 80428
Single acting lifting function 80212
Sliding window 93786, 93787
Slurry separator
Solenoid valves, reference list
Speed limiter 80422
Starter motor with assembling details
Starter motor
Steering column with fitting parts STD, 80309
Steering system
Steering unit
Suction hose and filter
Suction line tank – pump
Switch
Thermostathousing with fitting parts
Tilt function
Timing gear casing and gears
Turbocharger with fitting parts
Valve Accumulators
Valve body Central block
Valve body with fitting parts
Valve cover
Valve housing
Valve mechanism
Valve section Lift
Valve section Tilt
Valve, circuit body and return valve 80214
Valve, circuit body and return valve 802141
Valve, circuit body and return valve
Ventilation for transmission
Ventilation, Planet shafts
Voltage converter and cable harness for radio. 80518
Water pump with fitting parts
Water separator 80254
Wheel 15,5-25-12, 15,5-R25, 91523, 91526, 91606, 92356,92499
Wheel 15,5R25, 80476
Wheel 17,5R25, 82448 1
Wheel 17,5R25, 82448
Wheel 17,5-R25, 91536, 91605, 92247, 92500, 92736
Wheel 17,5R25
Wheel 17,5R251
Window guards, side and rear windows. 80144
Windows 33738, 33754
Windshield washer
Windshield wiper, front
Windshield wiper, rear
Windshild guard for windshield. 80561
Windshild guard for windshield. 82493
Work lights, front.
Work lights, rear
Repair
Accumulator, checking (removed)
Air cleaner, description
Air conditioning, performance test
Axle suspension, checking axial and radial clearance
Axles, oil change
Boom Suspension System, checking when operating with a load
Boom Suspension System, hydraulic pressure in accumulator(s), releasing
Boom suspension system, reconditioning accumulator
Boom Suspension System, troubleshooting
Brake disc, rear wheel brakes, replacing
Brake discs, front wheel brakes, changing
Brake discs, front wheel brakes, checking wear
Brake discs, rear wheel brakes, checking wear
Brake pedal, adjusting angle
Brake system, bleeding
Cab, installing
Cab, removing
Checking and adjusting pressure in circuit
Checking function
Coolant, changing
Cooling fan speed control, description
Cooling fan, specification
Cylinder for attachment locking, replacing
Discarded accumulators
Engine, changing oil and replacing filter
Engine, description
Engine, installing
Engine, removing
Evaporator, cleaning
Fan motor, removing
Foot brake valve removed, reconditioning
Frame joint, replacing bearings
Fuel feed pump, checking feed pressure.
Fuel system, bleeding
Fuel tank and combined tank unit, replacing
Hydraulic cooling fan, description
Hydraulic cooling fan, speed sensor, replacing and adjusting clearance
Hydraulic oil tank, creating vacuum
Hydraulic pump, description
Hydraulic pump, replacing
Hydraulic system, bleeding
Hydraulic system, oil change
Hydrostatic pump, installing
Hydrostatic pump, removing and installing
Idle speed, checking and adjusting
Injection pump, installing
Injection pump, removing
Injection timing adjustment at low engine temperature, description
Lever steering, adjusting steering speed
Lever steering, checking and adjusting control valve
Lifting cylinder, replacing
Lifting frame, replacing bearings A
Lifting frame, replacing bearings B
Obligatory measures to be taken when repairing the hydrostatic system
Parking brake, adjusting
Precharge pressure in accumulators, checking and adjusting
Pressure drop indicator, checking
Pressure-reducing valve for
Pump 3 (P3) Cooling fan pump Brake pump, cooling fan maximum pressure, checking
Pump 3 (P3) Cooling fan pump Brake pump Stand-by pressure, checking and adjusting
Pump 3 (P3) Cooling fan pump Brake pump
Rear axle, installing
Retardation, checking function
Service interval
Servo pressure, checking and adjusting
Servo valve, operating control, adjusting
Shock valve, lifting function, checking and adjusting
Shock valve, tilting function, checking and adjusting
Stand-by pressure, checking and adjusting
Starting with booster batteries
Steering cylinder, reconditioning
Steering cylinder, replacing
Steering lever SE603, checking input output voltage
Steering pressure and stand-by pressure, checking and adjusting
Steering valve, description
Steering valve, reconditioning
T link, lower removed, replacing GH bearings
Thermostat, specification
Tilting arm, replacing bearings GDF
Tilting cylinder, replacing
Time Guide
T-link, upper, removed, replacing bearings HIJ
Towing procedures
Valves, checking and adjusting
Working pressure, checking and adjusting
Service Bulletins
AC compressor, fill with oil
Action for reducing risk of fire
Action to be taken in case of abnormal lubricating oil consumption
Alternative lubricants for axles with wet brakes
Amendments in Service Manual Engine, D10B; Drive Axle, AWB 40B and Drive Axle, AWB 41-AWB 50
Approved silencers
Attachment bracket, cylinder
Automatic greasing systems of foreign manufacture
Automatic transmission lubricants
Battery and alternator test procedure
Biodegradable hydraulic fluids
Brake return spring moved
Cleaning of the machine
DEFAdBlue AUS32 sampling, method
Detecting leaks with inspection lamp
Diesel test standards
Discontinued recommendation for usage of anti-corrosion agent in cooling system
ECU, functional check
Fluid levels
Fork arms, information warranty matters, altered procedures
Fuel sampling, method
Greasing of hydraulic pump drive shaft
Improved hour recorder
Instructions for crack in lifting frame
Instructions for drilling in ROPS structure
Instructions for shielded metal arc welding
Modification of non-return valve for hydraulic oil tank
New alternator
New differential housing
New differential lock
New relays
New starter switch
New warranty routines for Bosch diesel equipment
Non – VCE buckets and attachments
Oil analyses
Oil sampling, method
Oils for Volvos wheel loaders equipped with AWB axles (Axle Wet Brakes)
Oscillation in the hydraulic system
Production development list for Volvo BM transmissions
Quality of illustrations in technical reports
Raising and supporting machines (up to and including the E models)
Recommendations for Oil Sampling Intervals
Recovering reclaiming refrigerant R134a using recovery unit FRS-10 GS
Reinforcement of seat with air suspension
Repair instructions for attachments
Replaced fuel level sensor
Replacing brake pressure sensor
Replacing operator seat shock absorber
Reporting of product misuse & near-miss report
Reports
Seals
Secondary steering Introduction of non-return valve
Service solution, bracket for hose by oil cooler
Service solutions Control valve
Software in E-ECU for engines supplied as spare part
Transporting a wheel loader on another vehicle
Tyres, various types
Ventilation servo casing
Volvo Product incident accident report & Interview Form
Washers for bolts on compressor bracket
Water separator improvement
Special tool catalog
General
Index
Hooks
1. Enviroment and Safety equipment
2. Measuring equipment
3. Tightening and Loosening tools
4. Lifting equipment
5. Pullers and Pressing equipment
6. Drifts
7. Guide pins and Guide sleeves
8. Pliers
9. Fixtures
10. Tech Tool
11. Spare parts
Special tool recomendations
Time Guide Currrent generation
Time Guide Old generation
Time Guide Previous generation















