- NEWS UPDATE 10.2025 - [HOT] How To Discount - How To Pay By Visa Through Paypal - [HOT] Remote Service Support Program - How to Payment and Delivery - Exchange Manual & Software -

Volvo Wheel Loader L50G Service and Repair Manual

Expert Support

Full Speed

100% Working

Volvo Wheel Loader L50G Service and Repair Manual

Size: 62.85 MB
Format: PDF
Language: English
Brand: Volvo
Type of Machine: Wheel Loader
Type of Manual: Electrical and Hydraulic Diagram, Service and Repair Manual
Model: Volvo L50G Wheel Loader
Number of Pages: 911 Pages

30 USD

  • Description

Description

Contents:
1 Volvo L50G
Accumulator removed, checking charging pressure
Accumulator, check
Accumulator, discarding
ACM (After treatment control module), replacing, non-programmed
ACM (After treatment control module), replacing, pre-programmed
Air cleaner primary filter, change
Air cleaner secondary filter, change
Air conditioning, capacity
Attachment bracket cylinder, reconditioning
Attachment locking hydraulic cylinder (vision-optimised bracket), replacing
Automatic engine shut-down
Axle suspension, replacing bushes and seals
Axle, installing
Axle, removing
Axles, changing oil
Axles, tightening torques
Battery disconnect switch, description
Battery, cables and connections, check
Battery, charging
Battery, description
Battery, specifications
Belts and belt tension, check, replace when needed.
Bolted joints, check tightening torque
Boom suspension system, functional check
Boom Suspension System, general description
Booting sequence
Brake calliper removed, reconditioning
Brake disc, replacing one
Brake linings, checking wear
Brake system, adjusting unloading pressure
Brake system, bleeding
Brake system, checking function, hydraulic
Brakes, specifications
Burner, checking
Burner, replacing
Bus communication supervision
Cab description
Cab filter, replace (clean when necessary)
Cab mounts, tightening torques
Cab, installing
Cab, removing
Cable and component designations
Cable and component marking explanations
Camshaft and flywheel signals, checking with VCADS Pro and oscilloscope
Carbon dioxide in fuel system, check
CareTrack W-ECU, description
CE-marking, EMC-directive
Central warning
Charging batteries
Check coolant level
Checklist after a fire or heat exposure
Cleanliness when working on hydraulic components
Cleanliness, braking and hydraulic system
Collection of basic data
Comfort drive control (CDC), angle sensor, changing
Comfort drive control (CDC), control valve, installation
Comfort Drive Control (CDC), control valve, removal
Comfort Drive Control (CDC), description
Comfort drive control (CDC), solenoid valve, changing
Comfort Drive Control, servo pressure, checking
Communication with data Bus 1
Communication with data Bus
Component descriptions
Component list Alternator, batteries, capacitors, electronic units, voltage outlet
Component list Fuses
Component list Heating coils, instruments, service socket
Component list Lights
Component list Relays
Component list Solenoid valves
Component list Switches
Component list, Motors
Component list, PWM valves
Component list, Sensors
Component list, Sounders
Component locations
Conditions when checking
Connectors, overview
Control units, changing
Conversion tables
Coolant pump, replacing
Coolant, changing
Coolant
Cooling system, capacity
Cooling system, description
Counterweight, fitting
Counterweight, removing
Counterweight, tightening torques
Crankcase ventilation, description
CU2501, description and measuring
CU2503, description and measuring
CU6601, description and measuring
Decontamination
Description brake system
Description
Diesel particulate filter, check and clean 1
Diesel particulate filter, check and clean
DPF regeneration control
Drive axles, description
Electric welding
Electrical symbols and designations
Electrical system, description
Electrical system, specifications
Electrical system, work instructions
Electronic control system, description
Engine control unit E-ECU, description
Engine hood, installing
Engine hood, removing
Engine oil pressure sensor, replacing
Engine radiator and hydraulic oil cooler, check (clean when necessary)
Engine suspension, tightening torques
Engine, capacity
Engine, description
Engine, installing
Engine, oil and filter, change.
Engine, oil level, check
Engine, removing
Engine, specification
Engine, weights
Environmental handling for the future
Environmentally hazardous fluids
Environmentally safe handling
Error codes when calibrating
Error codes, build-up
E-tool Cab support
E-Tool copy
Exhaust Aftertreatment System, description
Exhaust Gas Recirculation (EGR), description
Fire prevention measures
Frame and track unit, description
Frame joint, assembly of separated machine
Frame joint, replacing bearings
Frame joint, separating machine
Frame, weight
Front axle, capacity
Front axle, specification
Front axle, weight
Fuel control valve (FCV), replacing
Fuel feed pump, description
Fuel filters, primary and secondary filter, replace
Fuel pump, replacing
Fuel rail pressure sensor, replacing
Fuel system, bleeding
Fuel system, description
Fuel system, specifications
Fuel tank breather filter, replacing
FX1005, description and measuring
FX1007, description and measuring
FX1008, description and measuring
FX1031, description and measuring
General fault diagnosis information
General information to note when working on the hydraulic system
Glow plug, replacing
HE2501, description and measuring
Health hazards with paint, plastics and rubber
Heating system, description
High pressure fuel pump, replacing
Hydraulic attachment bracket (quickfit), description
Hydraulic components, storage and transport
Hydraulic diagram transmission
Hydraulic diagram with option components
Hydraulic diagram with option components1
Hydraulic diagram with option components2
Hydraulic diagram with option components3
Hydraulic diagram with option components4
Hydraulic diagram, Boom Suspension System
Hydraulic diagram, brake system
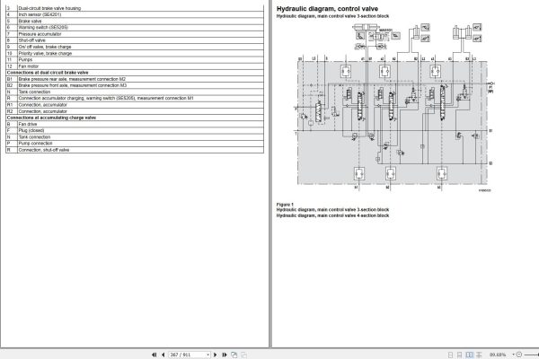
Hydraulic diagram, control valve
Hydraulic diagram, cooling fan
Hydraulic diagram, steering incl. lever steering (CDC)
Hydraulic diagram, steering
Hydraulic diagram, working hydraulic system1
Hydraulic diagram, working hydraulic system2
Hydraulic diagram, working hydraulics, 3rd and 4th functions, attachment lock
Hydraulic motor, replacing
Hydraulic oil filter, changing
Hydraulic oil level, check
Hydraulic oil tank, description
Hydraulic oil tank, sediment drain
Hydraulic oil, storage and handling
Hydraulic pressure, check
Hydraulic pump, checking and adjusting max working pressure
Hydraulic pump, checking and adjusting standby pressure
Hydraulic pump, description
Hydraulic pump, replacing 1
Hydraulic pump, replacing
Hydraulic system, changing oil.
Hydraulic system, description
Hydraulic system, repair of hydraulic components in workshop
Hydraulic system, specification
Hydraulic system, volume
Hydrostatic pump charge pressure, check and adjust
Hydrostatic pump cut off valve, check and adjust
Hydrostatic pump high pressure valve, check and adjust
Hydrostatic pump mechanical zero position, check and adjust
Hydrostatic pump, description
Hydrostatic transmission, description
I-ECU, MID 140, changing non-programmed ECU
I-ECU, MID 140, changing pre-programmed ECU
Implemental attachment hydraulic cylinder, replacing
Induction sensor for output shaft, changing
Information display, axles brakes
Information display, check 1
Information display, check
Information display, electrical system
Information display, engine
Information display, general
Information display, hydraulics
Information display, operating display
Information display, service mode
Information display, service
Information display, settings
Information display, start lockout
Information display, transmission
Information display, vehicle info
Information display, vehicle messages
Injector sleeves, replacing
Injectors, replacing all
Inlet and exhaust system, description
Inlet and exhaust system, tightening torques
Instrument panels
Lead and connector checks
Lever steering (CDC), functional check
Lever steering (CDC), specifications
Lighting, description
Lights, specifications
Limp home
Loader boom, safety strut
Lubricating system, description
Lubrication oil pressure, checking
Lubrication system, specifications
Lubrication
MA2301-MA2304, description and measuring
MA2508, description and measuring
MA2509, descripton and measuring
MA2510, description and measuring
MA2512, description and measuring
MA2602, description and measuring
MA4220, description and measuring
MA4221, description and measuring
MA4228, description and measuring
MA4603, description and measuring
MA4710, description and measuring
MA4720, description and measuring
MA9172, description and measuring
MA9173, description and measuring
MA9174, description and measuring
Machine dimensions
Machine, Calibration
Main control valve, description
Main control valve, installation
Main control valve, removal
Maintenance service, daily
Maintenance service, every 50 hours
Maintenance service, every 250 hours
Maintenance service, every 500 hours
Maintenance service, every 1000 hours
Maintenance service, every 1500 hours
Maintenance service, every 2000 hours
Maintenance service, every 3000 hours
Maintenance service, every 4500 hours
Maintenance service, every 6000 hours
Maintenance service, general
Marking connector pin description
MATRIS and Tech Tool, reading
Middle instrument panel with warning lights
MO2505, description and measuring
MO3301, description and measuring
MO6401, description and measuring
MS.Internal.Documents
Parking brake pads, check
Pause heater, description
Perform a service regeneration
Port relief valve pressure, checking and adjusting
Power supply I-ECU, description and measuring
Power supply T-ECU, description and measuring
Power supply V2-ECU, description and measuring
Power supply V-ECU, description and measuring
Power supply, ACM (Aftertreatment Control Module), description and measuring
Power transmission, description
Power transmission, specifications
PPID 437 explanation
Preheating, description
Pressure settings steering system
PWM2303, description and measuring
PWM2602, description and measuring
PWM4225, description and measuring
PWM4226, description and measuring
PWM4227, description and measuring
PWM6601, description and measuring
PWM6602, description and measuring
R2701, description and measuring
R4201, description and measuring
RE02, description and measuring
RE06, description and measuring
RE09, description and measuring
RE10, description and measuring
RE15, description and measuring
RE2501, description and measuring
RE6401, description and measuring
RE8712, description and measuring
Rear axle, capacity
Rear axle, specification
Rear axle, weight
Recommended lubricants
Reduced computer communication
Regeneration process, description
SAE error codes, translation to error messages, general
SAE J1708 1587 Information link, description and measuring
SAE J1939 CAN1 Control link, description and measuring
SAE J1939 CAN2 control link, description and measuring
SAEJ1939 CAN7 Control link, descripton and measuring
Safety concerns everybody!
Safety rules when servicing
Safety when handling accumulators
Safety when handling oils and fuel
Safety when handling the machine
Safety when using lifting equipment
Safety when working on hydraulic systems
Safety when working with air conditioning refrigerant
Safety when working with batteries
SE2203, description and measuring
SE2301, description and measuring
SE2303, description and measuring
SE2309, description and measuring
SE2512, description and measuring
SE2519, description and measuring
SE2520, description and measuring
SE2521, description and measuring
SE2522, description and measuring
SE2523, description and measuring
SE2524, description and measuring
SE2525, description and measuring
SE2526, description and measuring
SE2603, description and measuring
SE2606, description and measuring
SE2701, description and measuring
SE2702, description and measuring
SE2703, description and measuring
SE4201, description and measuring
SE4405, description and measuring
SE4406, description and measuring
SE4407, description and measuring
SE5205, description and measuring
SE6401, description and measuring
SE6403, description and measuring
SE6404, description and measuring
SE6601, description and measuring
SE8702, description and measuring
SE8705, description and measuring
SE8706, description and measuring
SE8708, description and measuring
SE8709, description and measuring
SE9105, description and measuring
SE9109, description and measuring
Secondary steering, description
Semi-auto DPF regeneration
Service brake pressure, checking
Service brake, brake disc wear, check
Service brake, checking pressure
Service position 1
Service position 2
Service position 11
Servo valve, description
Side window, replacing2
Software parameters, description
Some simple rules regarding tyre handling
Spark plug, replacing 1
Spark plug, replacing
Special tools for troubleshooting
Start hydraulic motor control, check and adjust
Start hydraulic pump control, check and adjust
Starter motor, replacing
Starting with booster batteries
Steering cylinders, locking of pivot pins, check
Steering system, checking and adjusting working pressure
Steering system, description
Steering system, specifications
Steering system, troubleshooting and elimination
SW2506, description and measuring
SW4205 SW4206, description and measuring
SW4208, description and measuring
SW4217, description and measuring
SW8701, description and measuring
Table of contents, wiring diagrams
Test-run and check
The machine, check for external damages, cracks and wear damages
Thermostat, replacing
Tightening torque, fuel system
Tire size
Towing
Transmission circuit hydraulic schematic
Transmission oil filter
Transmission sensor, replacing
Transmission shutdown
Transmission solenoid, replacing
Transmission, function check
Transmission, installing
Transmission, removing
Travel motor, description
Troubleshooting chart
Troubleshooting strategy
Troubleshooting tools
Turbocharger, description
Tyres, wear and air pressure, checking
Vacuum pump, connection
Valve clearance, checking and adjusting
Valve cover, installing
Valve cover, removing
Valves, adjusting
VCADS Pro service tool
VCADS Pro, Operations
Viscous cab suspension, description
VOLVO standard tightening torques
Waste handling
Water separator, drain
Wheel nuts, check torque
Wheel, tightening torque
Windows, general
Windscreen, replacing1
Wiring diagram WD201
Wiring diagram WD202
Wiring diagram WD203
Wiring diagram WD204
Wiring diagram WD205
Wiring diagram WD206
Wiring diagram WD301
Wiring diagram WD302
Wiring diagram WD303
Wiring diagram WD304
Wiring diagram WD305
Wiring diagram WD306
Wiring diagram WD307
Wiring diagram WD308
Wiring diagram WD309
Wiring diagram WD310 1
Wiring diagram WD310 2
Wiring diagram WD311
Wiring diagram WD312
Wiring diagram WD313
Wiring diagram WD314
Wiring diagram WD315
Wiring diagram WD316
Wiring diagram WD317
Wiring diagram WD318
Wiring diagram WD401
Wiring diagram WD402
Wiring diagram WD403
Wiring diagram WD404
Wiring diagram WD501
Wiring diagram WD601
Wiring diagram WD602
Wiring diagram WD603
Wiring diagram WD801
Wiring diagram WD802
Wiring diagram WD803
Wiring diagram WD804
Wiring diagram WD901
Wiring diagram WD902
Wiring diagram WD903
Wiring diagram WD904
Wiring diagram WD905
Wiring diagram WD906
Work on the machine’s electrical system
Working in environmentally contaminated areas
Working under raised boom