Expert Support
Full Speed
100% Working
Volvo Wheel Loader L70H Service and Repair Manual
50 USD
- Description
Description
Contents:
1 Volvo L90H
Description
3rd 4th hydraulic function, valve, description
3rd, or 3rd 4th hydraulic function, component location
3rd, or 3rd 4th hydraulic function, description
ACM, I-O list
Air conditioning, function description
Air conditioning, tightening torques
Air conditioning, tightening torques1
Alternator 80 A, description
Automatic differential brake, Limited Slip, description
Auxiliary brake (engine braking), description
Battery, charging
Battery, description
Boom Suspension System, component description
Boom suspension system, component location
Boom Suspension System, description
Booting sequence
Brake accumulator, description
Brake system, component location
Braking system, description
Cab and air conditioning
Cab, description
Cable and component designations
Cable and component marking explanations
Calibration of Comfort Drive Control (CDC), function description
CareTrack W-ECU, description
CCM, I-O list
CDC valve, lever steering, description
Central lubrication system, description
Central valve, description
Change of lubrication interval
Chassis connection
Climate control system, description
Comfort Drive Control (CDC), component location
Comfort Drive Control (CDC), description
Components list
Connectors, position
Control valve, description
Coolant with anti-freeze and corrosion protection, recommendation
Cooling fan motor, description
Cooling fan, component location
Cooling fan, description
Cooling system, component location
Cooling system, description
Crankcase ventilation, description
Diagnostic tools, description
Differential lock, description
Dosage valves, description
Drive axles, description
Driver seat, component description1
Driver seat, component description2
Drivetrain, component location
ECM, I-O list
ECO – accelerator pedal
Electric door opener, description
Electrical symbols and designations
Electrical system, description
Electrical system, work instructions
Electronic control system, description
Engine, description
Exhaust Aftertreatment System, component location
Exhaust Aftertreatment System, description
Exhaust gas recirculation (EGR), component location
Exhaust Gas Recirculation (EGR), description
Filling lubricant
Fire suppression system, component description
Fire suppression system, functional description
Foot brake valve, description
Frame joint, description
Frame, description
Front axle, component description
Fuel system, component location
Fuel system, description
GPMECU1, I-O list
GPMECU2, I-O list
GPMECU3, I-O list
HMICU, I-O list
Hood opening
Hydraulic attachment locking, description
Hydraulic components, cleanliness when handling
Hydraulic oil tank, description
Hydraulic pump flow regulation, description
Hydraulic pumps, description
Hydraulic transmission calibration, description
Hydraulic transmission, description
Information display, general
Information display, service mode
Inlet and exhaust system, component location
Inlet and exhaust system, description
Intermittent wiper and washer
Key feed
Leak detector 951 1207, new model
Lever control, hydraulic servo, description
Lifting cylinder, description
Lighting, description
Lubricating system, description
Lubrication points, central lubrication
Lubrication system, component locations
Parameter settings
Parking brake, component location
Parking brake, function description
Pause heater, description
Preheating, description
Pressure monitor, description
Pressure monitor, description1
Propeller shaft, component description
Pump unit, description
Rear axle, component description
Reversible cooling fan, description
Secondary steering, component location
Secondary steering, description
Service
Servo system, description
Servo valve, description
Shift valve, description
Software parameters, description
Software, parameter settings and read-outs
Steering cylinder, description
Steering system, component location
Steering system, description
Steering valve, description
System voltage
Tech Tool, operations
Tech Tool, operations1
Tech Tool, operations2
Tech Tool, operations3
Tech Tool, operations4
Tech Tool, operations5
Tightening torque parking brake
Tilt cylinder, description
TP-Linkage’s bearing points
Transmission, component position
Viscous cab suspension, description
W-ECU, I-O list
Windows, general, gluing
Windows, general
Working hydraulic system, component location
Working hydraulic system, description
Diagrams
Explanations to hydraulic diagram
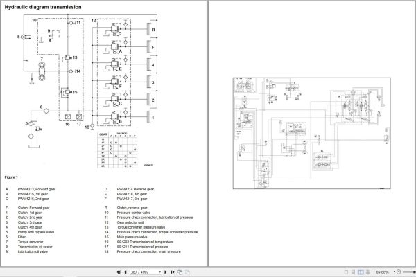
Hydraulic diagram transmission
Hydraulic diagram, basic machine Figure 1
Hydraulic diagram, basic machine
Hydraulic diagram, complete Figure 1
Hydraulic diagram, complete
Table of contents, wiring diagrams
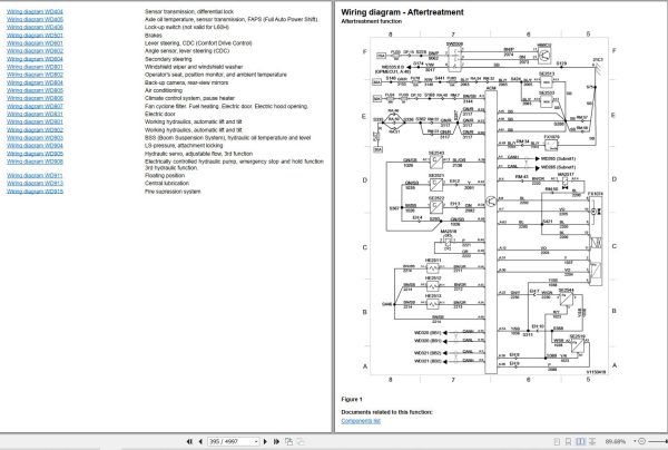
Wiring diagram – Aftertreatment
Wiring diagram – Brake
Wiring diagram – BSS
Wiring diagram – CDC
Wiring diagram – Electrically controlled battery disconnector – Key operated, with emergency stop
Wiring diagram – Electrically controlled battery disconnector – Manual, with emergency stop
Wiring diagram – Electrically controlled battery disconnector – Manual, without emergency stop
Wiring diagram – Gear
Wiring diagram – Start
Wiring diagram WD201
Wiring diagram WD202
Wiring diagram WD260
Wiring diagram WD261
Wiring diagram WD262
Wiring diagram WD263
Wiring diagram WD264
Wiring diagram WD265
Wiring diagram WD266
Wiring diagram WD268
Wiring diagram WD269
Wiring diagram WD270
Wiring diagram WD301
Wiring diagram WD302
Wiring diagram WD303
Wiring diagram WD304
Wiring diagram WD305
Wiring diagram WD306
Wiring diagram WD320
Wiring diagram WD321
Wiring diagram WD322
Wiring diagram WD324
Wiring diagram WD325
Wiring diagram WD326
Wiring diagram WD330
Wiring diagram WD331
Wiring diagram WD333
Wiring diagram WD334
Wiring diagram WD335
Wiring diagram WD337
Wiring diagram WD350
Wiring diagram WD351
Wiring diagram WD352
Wiring diagram WD360
Wiring diagram WD361
Wiring diagram WD362
Wiring diagram WD363
Wiring diagram WD371
Wiring diagram WD372
Wiring diagram WD373
Wiring diagram WD374
Wiring diagram WD375
Wiring diagram WD376
Wiring diagram WD401
Wiring diagram WD402
Wiring diagram WD403
Wiring diagram WD404
Wiring diagram WD405
Wiring diagram WD501
Wiring diagram WD601
Wiring diagram WD602
Wiring diagram WD604
Wiring diagram WD801
Wiring diagram WD802
Wiring diagram WD804
Wiring diagram WD805
Wiring diagram WD806
Wiring diagram WD807
Wiring diagram WD831
Wiring diagram WD901
Wiring diagram WD902
Wiring diagram WD903
Wiring diagram WD904
Wiring diagram WD905
Wiring diagram WD908
Wiring diagram WD911
Wiring diagram WD913
Wiring diagram WD915
Installation Instruction
Alternator 120 Amp, installing new
Attachment worklight, installing new
Back up alarm, installing new
Cab front work light LED, installing new
Cab illuminated entrance LED, installing new
Cab rear work light LED, installing new
Cab side work light LED, installing new
Care track
CareTrack, installing new
Forward view camera, installing new
Front work light LED, installing new
Grill work light LED, installing new
Hand throttle, instaling new
Pre-cleaner cyclone type, installing new
Pre-cleaner oil bath type, installing new
Pre-cleaner turbo type, installing new
Radiator grill guard, installaing new
Radio, installing new1
Radio, installing new2
Rear view mirror, installing new
Rotating beacon, installing new
Warning beacon flashing strobe light, installing new
Wind shield guard, installing new
Repair
3rd 4th hydraulic function, shock valve, checking
3rd 4th hydraulic, functional check
Accumulator removed, checking charging pressure
Accumulator, boom suspension system, discarding
Accumulator, discarding
Accumulator, discarding1
Accumulator, discarding2
Accumulator, installation
Accumulator, removal
Accumulators, checking in machine
ACM (After treatment control module), replacing, non-programmed
Actuator, replacing
AdBlue�� DEF dosing injector, replacing
AdBlue�� DEF mixing tube, replacing
AdBlue�� DEF pump unit filter, replacing
AdBlue�� DEF pump unit, filter, replacing
AdBlue�� DEF pump unit, flushing
AdBlue�� DEF pump unit, replacing
AdBlue�� DEF quality, checking
AdBlue�� DEF tank, breather filter, replacing
AdBlue�� DEF tank, replacing
AdBlue�� DEF tank, tank armature, replacing
AdBlue�� DEF, draining
Air conditioning, checking performance
Air mix door actuator, replacing
Attachment locking, functional check
Automatic central lubrication filter, replacing
Automatic lubrication pump unit, reconditioning
Axle breather filters, replacing
Back-up valve, checking and adjusting
Back-up valve, replacing
Basic service
Batteries, replacing
Battery condition, check
Battery, checking
Bleeding air
Boom suspension accumulator, check and adjusting
Boom suspension accumulator, checking
Boom suspension accumulator, reconditioning
Boom suspension system, functional check
Boom suspension system, hydraulic oil pressure in accumulators, depressurizing
Boom suspension system, pressure reduction, safety valve, checking and adjusting
Brake disc, replacing
Brake disc, replacing1
Brake discs, measuring wear
Brake piston, replacing seals
Brake piston, replacing seals1
Brake pressure and function, checking
Brake system charging, checking
Brake system, bleeding
Brake system, check and adjusting pressure in circuit
Brake system, checking function, retardation
Cab extra prefilter cyclone type, replacing
Cab main filter, replacing
Cab prefilter, replacing
Carbon dioxide in coolant system, checking
Carbon dioxide in fuel system, check
CCM, replacing
Climate unit, installing
Climate unit, removing
Comfort drive control (CDC), angle sensor, changing
Comfort drive control (CDC), solenoid valve, changing
Comfort Drive Control, servo pressure, checking
Compression test
Coolant freezing point, checking
Coolant level, checking
Coolant pump, replacing
Coolant valve, replacing
Coolant, changing
Coolers, cleaning
Cooling system, pressure control
Cooling unit, leak detection
Counterweight, fitting
Counterweight, removing
Diesel oxidation catalyst, replacing
Diesel particulate filter, check and clean
Diesel particulate filter, checking and cleaning
Diesel particulate filter, regenerating
Differential lock, adjusting
Differential lock, function check
Door lock cylinder, replacing
Drive axle oil, changing
E1706
E1711
E-2001
E-2005
E-2014
E-2015
E-2017
ECM (Engine control module), replacing non-programmed
ECM (Engine control module), replacing non-programmed1
ECM (Engine control module), replacing pre-programmed
EGR cooler, replacing
EGR reed valve, replacing
EGR valve, replacing
EGR venturi tube, cleaning
EGR Venturi tube, replacing
Electric door opener, control unit, replacing
Electric door opener, locking motor, replacing
Electric door opener, opening support motor, replacing
Electric door opener, rotor switch, replacing
Engine air cleaner primary filter, replacing
Engine air cleaner secondary filter, replacing
Engine belt condition, checking
Engine belts, replacing
Engine hood, installing
Engine hood, removing
Engine oil and filter, changing
Engine oil level, checking
Engine pre cleaner cyclone type, cleaning
Error codes when calibrating
Error codes when calibrating1
Evaporator, replacing
Exhaust pipe, flexible tube, replacing
Expansion valve, replacing
Fan motor, replacing
Feed pump, checking feed pressure
Fire suppression system, actions after activation
Fire suppression system, actions after manual activation
Fire suppression system, checking
Fire suppression system, component location
Front wheel, installation
Front wheel, removal
Fuel control valve (FCV), replacing
Fuel filters, replacing
Fuel rail pressure sensor, replacing
Fuel rail, replacing
Fuel system, bleeding
Fuel tank breather filter, replacing
GPMECU1, changing non-programmed ECU
GPMECU1, changing pre-programmed ECU
GPMECU2, changing non-programmed ECU
GPMECU2, changing pre-programmed ECU
GPMECU3, changing non-programmed ECU
GPMECU3, changing pre-programmed ECU
Grease Locations
Heat control valve, replacing
Heater core, replacing
High pressure fuel pipes, replacing
High pressure fuel pump, replacing
Hinge, lubricating
HMICU, changing non-programmed ECU
HMICU, changing pre-programmed ECU
Hub reduction, installing
Hub reduction, installing1
Hub reduction, removing
Hub reduction, removing1
Hub, replacing seal
Hub, replacing seal1
Hydraulic couplings
Hydraulic oil level, checking
Hydraulic oil tank breather filter, replacing
Hydraulic oil tank, vacuum-pumping, connecting and disconnecting pump
Hydraulic oil, changing
Hydraulic pressure, checking
Hydraulic pump P3, checking function
Hydraulic pump, checking and adjusting standby pressure and working pressure
Hydraulic system, bleeding
Hydraulic system, warming up
Hydraulic tank return oil filter and magnetic rod, cleaning and replacing
Hydraulic tank sediment, draining
Inductive sensor, lift, adjusting
Inductive sensor, tilt, adjusting
Injector sleeves, replacing
Injectors, replacing all
Inlet throttle, replacing
Lever steering (CDC), functional check
Lift lower function, checking
Lubrication oil pressure, checking with pressure gauge
Lubrication, every 50 hours
Lubrication, every 250 hours
Lubrication, every 500 hours
Lubrication, every 1000 hours
Maintenance service, every 50 hours
Maintenance service, every 250 hours
Maintenance service, every 500 hours
Maintenance service, every 1000 hours
Maintenance service, every 2000 hours
Maintenance service, every 4000 hours
Maintenance service, every 4500 hours
Maintenance service, every 6000 hours
Maintenance service, first 1000 hours
MATRIS and Tech Tool, reading
Mechanical release of parking brake
Oil cooler, component location
Oil-bath air cleaner reservoir filter insert, cleaning
Oil-bath air cleaner reservoir oil, changing
Oil-bath air cleaner reservoir oil, checking
Operator’s seat, securing
Parking Brake – Assembly
Parking Brake – Disassembly
Parking Brake – Installation
Parking brake assembly, removing
Parking brake function, checking
Parking brake pads, checking
Parking brake, adjusting
Parking brake, function checking
Parking brake, replacing brake pads
Pressure relief valve (PRV), replacing
Refrigerant, draining
Refrigerant, filling incl vacuum pumping
Restoring of the machine
SCR muffler, replacing
SCR system, dosing test
Seal for front output shaft, replacing
Seal for rear output shaft, replacing
Secondary steering pump, checking and adjusting working pressure
Service brake disc wear, checking
Service brake, testing
Servo pressure, checking and adjusting
Servo pressure, checking at the spool in control valve
Shift valve, checking
Shock valve lift function, checking
Shock valve, tilt function, checking
Stall speed, checking
Starter motor, replacing
Steering accumulator removed, checking
Steering accumulator, installing
Steering accumulator, removing
Steering system, checking and adjusting working pressure
Steering system, function check
System test
Tech Tool, operations
Tilt, functional check
Transmission oil level, checking
Transmission oil, filter and suction strainer, changing and cleaning
Transmission, calibration
Transmission, function check
Troubleshooting, air conditioning unit (AC)
Turbocharger, replacing
Tyre wear and air pressure, checking
Update of automatic lubrication system
Valve cover, installing
Valve cover, removing
Valves, adjusting
Valves, adjusting1
W-ECU, replacing, non-programmed
W-ECU, replacing, pre-programmed
Window pane, installation
Windscreen, replacing
Safety
CE-marking, EMC-directive
Checking function
Checklist after a fire or heat exposure
Decontamination
Environmental handling for the future
Environmentally hazardous fluids
Environmentally safe handling
Fire prevention measures
Health hazards with paint, plastics and rubber
Safety concerns everybody!
Safety rules when servicing
Safety when handling accumulators
Safety when handling oils and fuel
Safety when handling the machine
Safety when lifting and supporting complete machine
Safety when working on hydraulic systems
Safety when working with air conditioning refrigerant
Safety when working with batteries
Service position 1
Service position 2
Some simple rules regarding tyre handling
Starting with booster batteries
Waste handling
Working in environmentally contaminated areas
Working under raised boom
Service Bulletins
AC compressor, fill with oil
Action to be taken in case of abnormal lubricating oil consumption
Alternative lubricants for axles with wet brakes
Automatic greasing systems of foreign manufacture
Automatic transmission lubricants
Battery and alternator test procedure
Cleaning of the machine
DEF AdBlue AUS32 sampling, method
Discontinued recommendation for usage of anti-corrosion agent in cooling system
ECU, functional check
Fork arms, information warranty matters, altered procedures
Fuel sampling, method
Greasing of hydraulic pump drive shaft
Instructions for crack in lifting frame
Instructions for drilling in ROPS structure
Instructions for shielded metal arc welding
New TechTool VCADS Pro interface
New wheel loaders, L60H, L70H and L90H
Oil sampling, method
Portable refillable O-ring kits
Quality of illustrations in technical reports
Recommendations for Oil Sampling Intervals
Repair instructions for attachments
Reporting of product misuse & near-miss report
Reports
Seals
Tyres, various types
Volvo Product incident accident report & Interview Form
Special Tools, Misc
01 Time Guide Currrent generation
11 Time Guide Previous generation
21 Time Guide Old generation
GRD G700B LabourTimeGuide
RM Compaction ABG Time
RM Compaction Time guide
RM Paving Systems ABG Time Guide
Special tool catalog
Special Tools Recommendations
Specifications
3rd 4th hydraulic function, specifications
3rd 4th hydraulic function, tightening torques
AdBlue�� DEF
AdBlue�� DEF1
Air conditioning, specifications
Alternator 80 A, specification
Automatic lubrication system, specifications
Battery, specifications
Battery, weight
Boom Suspension System, specifications
Boom Suspension System, tightening torques
Brake accumulator, specifications
Brake system, specifications
Cabin, tightening torques
Calibration of Comfort Drive Control (CDC), specification
Control valve, specifications
Control valve, torque value
Coolant
Cooling fan rpm, specifications
Cooling system, specifications
Cooling system, tightening torques
Counterweight, tightening torques
Counterweight, weight
EGR system, tightening torques
Electrical system, specifications
Engine, capacities
Engine, specification
Engine, tightening torques
Fire suppression system, specification
Frame joint, tightening torques
Front and rear axles, specifications
Front and rear axles, tightening torque
Front and rear axles, volume
Fuel system, tightening torques
Function times, specifications
Hydraulic connections, tightening torques
Hydraulic pump (P2), specifications
Hydraulic pump (P3), specifications
Hydraulic pumps, tightening torques
Hydraulic system, volume
Hydraulic transmission, capacity
Inlet and exhaust system, tightening torques
Lever steering (CDC), specifications
Lift cylinder, tightening torques
Lighting, specifications
Lubrication system, specifications
Lubrication system, tightening torques
Parking brake, specifications
Preheating, specifications
Propeller shaft, tightening torque
Recommended lubricants
Recommended lubricants1
Secondary steering pump, specifications
Servo system, specifications
Standard tightening torques
Starter motor, specifications
Starter motor, tightening torques
Steering cylinder, tightening torque
Steering, specifications
Temperature limits for cooling fan speed, specifications
Tightening torques, cooling fan
Tilt cylinder, tightening torques
Transmission, specifications
Transmission, specifications1
Transmission, tightening torques
Valve mechanism, specifications
Wheel brake, specification
Wheel, tightening torque













