Expert Support
Full Speed
100% Working
Wacker Neuson Excavators 28Z3 Service Manual and Diagram 1000178347
30 USD
- Description
Description
Contents:
1 Operation
1.1 Notices on this service manual
1.2 Identification of warnings and dangers
1.3 Designated use and exemption from liability
1.4 Type labels and component numbers
1.5 Machine overview
1.6 Cab overview
1.7 Cab (legend)
1.8 Instrument panel overview
1.9 Instrument panel legend
1.10 Overview of open engine and valve compartment
1.11 Engine compartment: overview
1.12 Chassis overview
1.13 Valve compartment
1.14 Stop and park the machine
2 Specifications
2.1 Chassis
2.2 Engine
2.3 Hydraulic system
2.4 Undercarriage and swivel unit
2.5 Stabiliser blade
2.6 Electrical system
2.7 Noise levels
2.8 Vibration
2.9 Coolant compound table
2.10 Powertilt
2.11 Model-specific tightening torques
2.12 General tightening torques
2.13 Dimensions model 28Z3
2.14 Dimensions model 28Z3 VDS
2.15 Lift capacity table 28Z3 (short stick)
2.16 Lift capacity table 28Z3 long stick (option)
2.17 Lift capacity table 28Z3 short stick and extra weight (option)
2.18 Lift capacity table 28Z3 long stick (option) and extra weight (option)
2.19 Lift capacity table 28Z3 VDS (short stick)
2.20 Lift capacity table 28Z3 long stick VDS (option)
2.21 Kinematics
3 Maintenance
3.1 Fluids and lubricants
3.2 Maintenance label
3.3 Maintenance plan (overview)
3.4 Service package
3.5 Introduction
3.6 Safety-relevant parts
3.7 Fuel system
3.8 Engine lubrication system
3.9 Engine and hydraulics cooling system
3.10 Air filter
3.11 Change cab air filter
3.12 V-belt
3.13 Pressure check
3.14 Test report
3.15 Hydraulic system
3.16 Pilot valve
3.17 Travelling drive
3.18 Tracks
3.19 Maintenance of attachments
3.20 Lubrication points
3.21 Overview of lubrication points
3.22 Cab
3.23 Electrical system
3.24 General maintenance work
3.25 Preparatory work before taking out of service
3.26 Maintenance if the machine is out of service for a longer period of time
3.27 Fire extinguisher
4 Engine
4.1 3TNV76-NNS engine overview
4.2 Fuel system
4.3 Cooling system
4.4 Checking and adjusting valve clearance
4.5 Tightening order for cylinder head bolts
4.6 Checking the injection nozzles
4.7 Checking the nozzle jet
4.8 Injection time
4.9 Removing and installing the injection pump
4.10 Measuring and adjusting the engine speed
4.11 Compression
4.12 Checking the coolant thermostat
4.13 Checking the thermal switch
4.14 Oil pressure switch
4.15 Checking the coolant circuit
4.16 Cleaning the cooling water channels
4.17 Coolant and fuel hoses
4.18 Crankcase vent
4.19 Replacing the glow plugs
4.20 Engine trouble
5 Hydraulic system
5.1 Hydraulic pump PVD-0B-23BP-8G3-5083A
5.2 Main valve block
5.3 Drive counterbalancing system
5.4 Regeneration – stick section
5.5 Bucket pre-tension
5.6 Auxiliary hydraulics flow rate adjustment
5.7 Travelling drive
5.8 Swivel unit
5.9 Swivel joint
5.10 Swivel joint VDS (option)
5.11 Pilot valves
5.12 Changeover valve for SAE/ISO controls (option)
5.13 Proportional valve (option)
5.14 Changeover valve VDS (option)
5.15 3/2 directional valve (option)
5.16 Easy Lock valve (option)
5.17 Hydraulic oil tank service valve (option)
5.18 Breather filter
5.19 Auxiliary hydraulics connections
5.20 Troubleshooting in the hydraulic system
5.21 Hydraulics diagram (legend)
5.22 Hydraulics diagram 28Z3
5.23 Hydraulics diagram for options 28Z3
5.24 Main valve block diagram 28Z3
6 Electrical system
6.1 Ohm’s Law (current, voltage, resistance); power
6.2 Measuring equipment, measuring methods
6.3 Cable colour coding
6.4 Relays
6.5 Socket
6.6 Electric units
6.7 Fuse box
6.8 Alternator
6.9 Starter
6.10 Switches: overview
6.11 Cigarette lighter
6.12 Radio and mounting/wiring for radio installation (option)
6.13 Front working light
6.14 Cab lights (option)
6.15 Rotating beacon (option)
6.16 Driving signal (option)
6.17 Wiring diagram (legend)
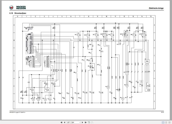
6.18 Wiring diagram
6.19 Engine/chassis wiring harness (legend)
6.20 Chassis/engine wiring harness
6.21 Cab wiring harness
6.22 Proportional controls wiring harness (option)
6.23 Engine speed control wiring harness (option)
6.24 Driving signal wiring harness (option)
6.25 Hydraulic quickhitch wiring harness (option)
6.26 Battery lead
7 Options
7.1 Counterweight
7.2 Long stick
7.3 Automatic engine speed setting
7.4 Grab pipework
7.5 3rd control circuit/PowerTilt ports
7.6 Safe load indicator
7.7 Safe load indicator DE (from serial no. AG04828) (safety valves for boom)
7.8 Safe load indicator FR (from serial no. AG04828) (safety valves for boom, stick and stabiliser blade)
7.9 Hose burst valve safety feature
7.10 Mechanical quickhitch
7.11 Hydraulic quickhitch (Easy Lock)
7.12 3rd control circuit
7.13 Drive interlock (antitheft protection)
7.14 Proportional controls
7.15 Engine oil service valve
8 PowerTilt PTS06
8.1 General instructions
8.2 Tools
8.3 Separating the bucket or equipment from the PowerTilt swivel device
8.4 Separating the PowerTilt swivel device from the machine
8.5 Exploded views PTS06
8.6 Assembly drawing
8.7 Removing the standard journal coupling
8.8 Removing the end cap, securing ring and internal decompression valve
8.9 Removing the shaft
8.10 Removing the piston tube body
8.11 Removing the seals (kit A), shaft bearings and pressure discs (kit B)
8.12 Checking components and dead centre marks
8.13 Trial assembly
8.14 Installing the seals (kit A), shaft bearings and pressure discs (kit B)
8.15 Installing the piston tube
8.16 Installing the shaft
8.17 Installing the end cap and the securing ring
8.18 Installing the internal decompression valve
8.19 Installing the standard journal coupling
8.20 Lubrication and tests
8.21 Securing the PowerTilt swivel device on the machine
8.22 Fitting a bucket or equipment onto the PowerTilt swivel device
8.23 Troubleshooting
8.24 Adjusting the play on the PowerTilt















