✓
Expert Support
✓
Full Speed
✓
100% Working
Yale Forklift A890 (MPE080E) Service Manual
Size: 10.7 MB
Format: PDF
Language: English
Brand: Yale
Type of Machine: Forklift
Type of Manual: Service Manual, Wiring Diagrams
Model: Yale Class 3 A890 (MPE080E) Forklift
30 USD
- Description
Description
List of Files:
BRAKES (08-2016)
CAPACITIES AND SPECIFICATIONS (08-2016)
CURTIS 1297 TRANSISTOR MOTOR CONTROLLER (09-2016)
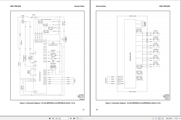
DIAGRAMS (02-2018)
ELECTRICAL SYSTEM (08-2016)
FRAME (08-2016)
INDUSTRIAL BATTERY (01-2023)
INDUSTRIAL BATTERY (03-2020)
LIFTING MECHANISM (08-2016)
MASTER DRIVE UNIT (WITH EPAS) (03-2022)
MASTER DRIVE UNIT (WITH EPAS) (12-2018)
METRIC AND INCH (SAE) FASTENERS (02-2023)
METRIC AND INCH (SAE) FASTENERS (03-2020)
PERIODIC MAINTENANCE (09-2016)
STEERING MECHANISM (08-2016)
WALKIE HYDRAULIC SYSTEMS (08-2016)















