Expert Support
Full Speed
100% Working
ZF Transmission ECOLIFE Repair Manual PL
20 USD
- Description
Description
Contents:
ZF-ECOLIFE
Copyright
Spis treści
1 Wstęp
1.1 Oznaczenie produktu
2 Wskazówki bezpieczeństwa
2.1 Ogólne wskazówki bezpieczeństwa
2.2 Słowa sygnałowe i symbole
2.3 Zasady bezpieczeństwa związane z produktem
3 Wskazówki dotyczące naprawy i montażu
3.1 Wskazówki ogólne
3.2 Czyszczenie produktu firmy ZF
3.3 Rozłożenie produktu firmy ZF na części
3.4 ZF-Montaż produktu firmy
3.5 Czyszczenie części
3.6 Ponowne użycie części
3.7 Wymiana części na nowe
3.8 Obróbka dodatkowa części
3.9 Wskazówki dotyczące czystości przekładni z komponentami hydraulicznymi
4 Opis
4.1 Opis układu
4.2 Krótki opis produktu
4.3 Szczególne wskazówki dotyczące śrub i momentów dokręcania
5 Dane techniczne
5.1 Przełożenie skrzyni biegów
5.2 Olej
5.3 Tabliczka znamionowa
6 Układ hydrauliczny
6.1 Opis układu hydraulicznego 4181.700.003
6.2 Opis układu hydraulicznego 4181.700.010
7 Momenty dokręcenia
8 Wyposażenie warsztatowe
8.1 Narzędzia specjalne
8.2 Materiały eksploatacyjne i pomocnicze
8.3 Nowe części
9 Konserwacja
9.1 Kontrola okablowania
9.2 Kontrola poziomu oleju
9.3 Elektryczny wskaźnik poziomu oleju
9.4 Kontrola chłodziwa
9.5 Częstotliwość wymiany oleju
9.6 Wymiana oleju
9.7 Czyszczenie skrzyni biegów
10 Diagnoza
10.1 ZF-TESTMAN
11 Wyszukiwanie usterek
11.1 Wyszukiwanie usterek przy użyciu skrzynki z gniazdami
12 Transport i magazynowanie
12.1 Transport
12.2 Magazynowanie
13 Wymiana komponentów
13.1 Wymiana filtra oleju
13.2 Wymiana sterownika elektronicznego
13.3 Wymiana sterownika hydraulicznego
13.4 Wymiana zasobnika retardera
13.5 Wymiana czujnika prędkości obrotowej członu napędzanego
13.6 Wymiana pierścienia uszczelniającego wału członu napędzanego
13.7 Wymiana elektrycznego czujnika poziomu oleju
14 Kontrole, protokoły
14.1 Kontrola ciśnienia
15 Załącznik
15.1 Zbiory formuł i tabele przeliczeniowe
15.2 Spis skrótów
15.3 Wykaz zmian
16 Załączone dokumenty
4181.700.003-Schemat hydrauliczny
4181.700.010-Schemat hydrauliczny
4181.753.901-Układ hydrauliczny
4181.753.902-Układ hydrauliczny
6029.739.017-Schemat elektryczny
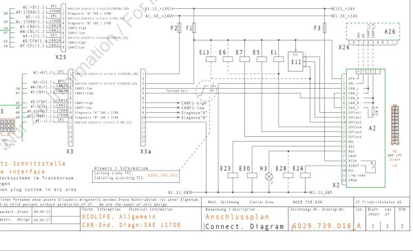
6029.739.018-Schemat połączeń
6029.739.021-Schemat połączeń
6029.739.067-Schemat połączeń
6029.739.412-Schemat elektryczny
6089.039.021-Okablowanie
ZF Friedrichshafen AG, www.zf.com















