✓
Expert Support
✓
Full Speed
✓
100% Working
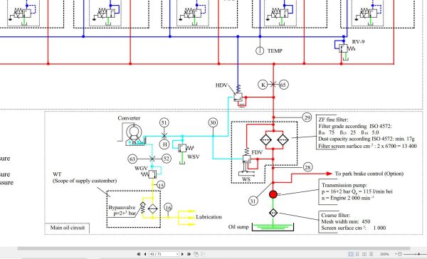
ZF Transmission ERGOPOWER 4_6 WG-260_310 Repair Manual
Size: 5.88 MB
Format: PDF
Language: English
Brand: ZF
Type of Machine: Transmission
Type of Manual: Repair Manual, Connection and Hydraulic Diagrams
Model: ZF ERGOPOWER 4 WG-260, 4 WG-310, 6 WG-260, 6 WG-310 Transmission
Number of Pages: 71 Pages
20 USD
- Description
Description
Contents:
ZF – ERGOPOWER 4/6 WG-260/310
Preface
General Information
Denomination of Standard Dimensions
Conversion Table
Torque Limits according ZF-Standard 148
Rapair Instruction 1-2
Tables 4 WG 260/310
Tables 6 WG 260/310















