✓
Expert Support
✓
Full Speed
✓
100% Working
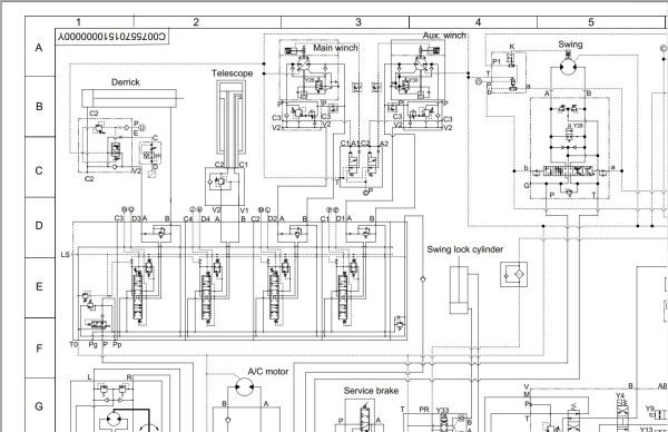
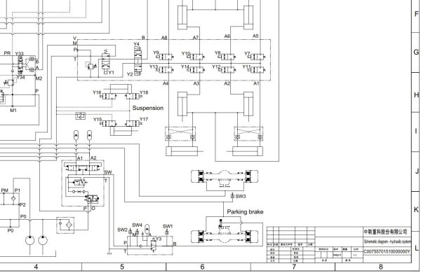
Zoomlion Rough Terrain Crane RT35 Hydraulic Schematic
10 USD
- Description
Description
Size: 349 KB
Format: PDF
Language: English
Brand: Zoomlion
Type of Machine: Rough Terrain Crane
Type of Manual: Hydraulic Schematic
Model: Zoomlion RT35 Rough Terrain Crane
Number Of Pages: 1 Page













