-
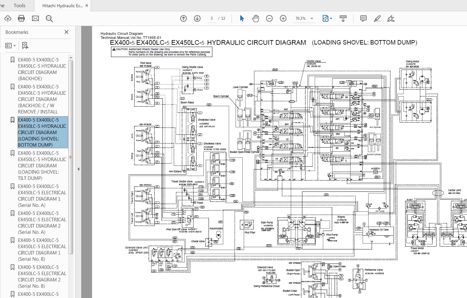
Hitachi Hydraulic Excavator EX400_EX400LC_EX450LC-5 Circuit Diagram
Hitachi Hydraulic Excavator EX400_EX400LC_EX450LC-5 Circuit DiagramSize : 2.76 MBFormat : PDFLanguage : EnglishBrand: HitachiType of document: Circuit DiagramModel: EX400_EX400LC_EX450LC-5Number of page: 12-50%REALEASE :
25.10.2019
REALEASE :
25.10.2019
-
Hyundai I20 2015 1.2_1.25_1.4L Kappa MPI Engine Service Training Manual
Hyundai I20 2015 1.2_1.25_1.4L Kappa MPI Engine Service Training ManualSize: 13.7 MBFomat: PDFLanguage: English, VietnamesBrand: HyundaiType of machine: Kappa MPI EngineType of document: Service Training ManualModel: Hyundai I20 2015 1.2_1.25_1.4LNumber of page: 157 pages-48%REALEASE :
25.10.2019
REALEASE :
25.10.2019
-
Hitachi Hydraulic Excavator EX400-5 Workshop Manual
Hitachi Hydraulic Excavator EX400-5 Workshop ManualSize : 17.1 MBFormat : PDFLanguage : EnglishBrand: HitachiType of document: Workshop ManualModel: EX400-5Number of page: 638-43%REALEASE :
25.10.2019
REALEASE :
25.10.2019
-
Hyundai Ioniq Hybrid 2017 Service Repair Manual
Hyundai Ioniq Hybrid 2017 Service Repair ManualSize: 81.4 MBFomat: PDFLanguage: EnglishBrand: HyundaiType of machine: CarType of document: Service Repair ManualModel: Hyundai Ioniq Hybrid 2017Content:– 01.General Information– 02. 3.7L ENGINE– 03.Engine Electrical System– 04.Emission Control System– 05.Engine Control+Fuel System– 06.Clutch System– 08.DCT System– 09.Driveshaft and axle.– 10.Suspension System– 11.Steering System– 12.Restraint– 13.Brake System– 14.Body (Interior and Exterior)– 16.Heating Ventilation Air Conditioning– 17.Hybrid Control System– 18.Hybrid Motor System-10%REALEASE :
25.10.2019
REALEASE :
25.10.2019
-
Hitachi Hydraulic Excavator EX455 Technical Manual Operational Princible Tier 2
Hitachi Hydraulic Excavator EX455 Technical Manual Operational Princible Tier 2Size : 34.0 MBFormat : PDFLanguage : EnglishBrand: HitachiType of document: Technical Manual Operational Princible Tier 2Model: EX455Number of page: 878-15%REALEASE :
25.10.2019
REALEASE :
25.10.2019
-
Hyundai Solati D 2.5 TCL_A2 2017 Schematic Diagram
Hyundai Solati D 2.5 TCL_A2 2017 Schematic DiagramSize: 49.5 MBFomat: PDFLanguage: EnglishBrand: HyundaiType of machine: CarType of document: Schematic DiagramModel: Hyundai Solati D 2.5 TCL_A2 2017Content:– Body Electrical System– Brake System– Engine Electrical System– Engine Mechanical System– Fuel System– Heating Ventilation Air Conditioning– Power & Ground– Restraint– Transaxle Transmission-10%REALEASE :
25.10.2019
REALEASE :
25.10.2019
-
Hitachi Hydraulic Excavator EX455 Technical Manual Operational Princible_ES
Hitachi Hydraulic Excavator EX455 Technical Manual Operational Princible_ESSize : 2.48 MBFormat : PDFLanguage : EnglishBrand: HitachiType of document: Technical Manual Operational Princible_ESModel: EX455Number of page: 207-50%REALEASE :
25.10.2019
REALEASE :
25.10.2019
-
Hyundai Veloster (FS) Gasoline 1.6 GDI 2012 Service Manual
Hyundai Veloster (FS) Gasoline 1.6 GDI 2012 Service ManualSize: 33.2 MBFomat: htmlLanguage: EnglishBrand: HyundaiType of machine: CarType of document: Service ManualModel: Hyundai Veloster (FS) Gasoline 1.6 GDI 2012-10%REALEASE :
25.10.2019
REALEASE :
25.10.2019
-
Hitachi Hydraulic Excavator EX550 EX550-3 Workshop Manual KM-116E
Hitachi Hydraulic Excavator EX550 EX550-3 Workshop Manual KM-116ESize : 15.8 MBFormat : PDFLanguage : EnglishBrand: HitachiType of document: Workshop ManualModel: EX550 EX550-3Number of page: 330-43%REALEASE :
25.10.2019
REALEASE :
25.10.2019
-
Hyundai Veloster (FS) Gasoline 1.6 T GDI 2013 Service Manual
Hyundai Veloster (FS) Gasoline 1.6 T GDI 2013 Service ManualSize: 37.9 MBFomat: htmlLanguage: EnglishBrand: HyundaiType of machine: CarType of document: Service ManualModel: Hyundai Veloster (FS) Gasoline 1.6 T GDI 2013-10%REALEASE :
25.10.2019
REALEASE :
25.10.2019
-
Hitachi Hydraulic Excavator EX2600E-6 TTKBB-EN-00 Electrical Circuit Diagram
Hitachi Hydraulic Excavator EX2600E-6 TTKBB-EN-00 Electrical Circuit DiagramSize : 13.6 MBFormat : PDFLanguage : EnglishBrand: HitachiType of document: Electrical Circuit DiagramModel: EX2600E-6Number of page: 11-39%REALEASE :
25.10.2019
REALEASE :
25.10.2019
-
Hyundai Tucson G 2.0 MPI 2018 Wiring Diagram
Hyundai Tucson G 2.0 MPI 2018 Wiring DiagramSize: 70.8 MBFomat: PDFLanguage: EnglishBrand: HyundaiType of machine: CarType of document: Wiring DiagramModel: Hyundai Tucson G 2.0 MPI 2018Date modified: 2019-10%REALEASE :
25.10.2019
REALEASE :
25.10.2019
-
Hitachi Hydraulic Excavator EX2600E-6 Workshop Manual WKBB-EN-00
Hitachi Hydraulic Excavator EX2600E-6 Workshop Manual WKBB-EN-00Size : 2.67 MBFormat : PDFLanguage : EnglishBrand: HitachiType of document: Workshop ManualModel: EX2600E-6Number of page: 176-50%REALEASE :
25.10.2019
REALEASE :
25.10.2019
-
Hitachi Hydraulic Excavator EX750_EX800H-5 Hydraulic Circuit Diagram
Hitachi Hydraulic Excavator EX750_EX800H-5 Hydraulic Circuit DiagramSize : 4.72 MBFormat : PDFLanguage : EnglishBrand: HitachiType of document: Hydraulic Circuit DiagramModel: EX750_EX800H-5Number of page: 18-50%REALEASE :
25.10.2019
REALEASE :
25.10.2019
-
Ferrari 348 Workshop Manual_EN
Ferrari 348 Workshop Manual_ENSize: 3.33 MBFormat: PDFLanguage: EnglishBrand: FerrariType of document: Workshop ManualModel: 348Serial:Page of number: 465Date modified: 2013-50%REALEASE :
25.10.2019
REALEASE :
25.10.2019
-
Hitachi Hydraulic Excavator EX750_EX800H-5 Parts Catalog P17C-1-3
Hitachi Hydraulic Excavator EX750_EX800H-5 Parts Catalog P17C-1-3Size : 49.3 MBFormat : PDFLanguage : EnglishBrand: HitachiType of document: Parts CatalogModel: EX750_EX800H-5Number of page: 716-15%REALEASE :
25.10.2019
REALEASE :
25.10.2019
-
Ferrari 455M Workshop Manual_EN
Ferrari 455M Workshop Manual_ENSize: 422 MBFormat: PDFLanguage: EnglishBrand: FerrariType of documnet: Workshop ManualModel: 456MSerial:Page of number: 508Date modified: 2013-7%REALEASE :
25.10.2019
REALEASE :
25.10.2019
-
Ferrari 458 Italia Technical Workshop Manual_EN
Ferrari 458 Italia Technical Workshop Manual_ENSize: 75 MBFormat: PDFLanguage: EnglishBrand: FerrariType of Document: Workshop ManualModel: 458Serial:Page of number: 2012Date modified:-17%REALEASE :
25.10.2019
REALEASE :
25.10.2019
-
Hitachi Hydraulic Excavator EX750_EX800H-5 Parts Catalog P17C-EI-3
Hitachi Hydraulic Excavator EX750_EX800H-5 Parts Catalog P17C-EI-3Size : 13.9 MBFormat : PDFLanguage : EnglishBrand: HitachiType of document: Parts CatalogModel: EX750_EX800H-5Number of page: 226-43%REALEASE :
25.10.2019
REALEASE :
25.10.2019
-
Ferrari 455GT Workshop Manual_EN
Ferrari 455GT Workshop Manual_ENSize: 229 MBFormat: PDFLanguage: EnglishBrand: FerrariType of document: Workshop ManualModel: 455GTSerial:Page of number: 490Date modified:-38%REALEASE :
25.10.2019
REALEASE :
25.10.2019
-
Ferrari F355 Volume 1_2_3 Technical Workshop Manual_EN
Ferrari F355 Volume 1_2_3 Technical Workshop Manual_ENSize: 795 MBFormat: PDFLanguage: EnglishBrand: FerrariType of Document: Workshop ManualModel: F355Serial:Date modified:-8%REALEASE :
25.10.2019
REALEASE :
25.10.2019
-
Hitachi Hydraulic Excavator EX750_EX800H-5 Technical Manual
Hitachi Hydraulic Excavator EX750_EX800H-5 Technical ManualSize : 2.91 MBFormat : PDFLanguage : EnglishBrand: HitachiType of document: Technical ManualModel: EX750_EX800H-5Number of page: 209-50%REALEASE :
25.10.2019
REALEASE :
25.10.2019
-
Ferrari 512TR Testarossa Vol 1_2_3 Technical Workshop Manual_EN
Ferrari 512TR Testarossa Vol 1_2_3 Technical Workshop Manual_ENSize: 293 MBFormat: PDFLanguage: EnglishBrand: FerrariType of Document: Workshop ManualModel: 512TR TestarossaSerial:Date modified:-7%REALEASE :
25.10.2019
REALEASE :
25.10.2019
-
Hitachi Hydraulic Excavator EX750_EX800H-5 Technical Manual (Operational Principle)
Hitachi Hydraulic Excavator EX750_EX800H-5 Technical Manual (Operational Principle)Size : 2.62 MBFormat : PDFLanguage : EnglishBrand: HitachiType of document: Technical Manual (Operational Principle)Model: EX750_EX800H-5Number of page: 143-43%REALEASE :
25.10.2019
REALEASE :
25.10.2019